Skip to main content Skip to search Skip to main navigation
Welcome to our newly redesigned website!
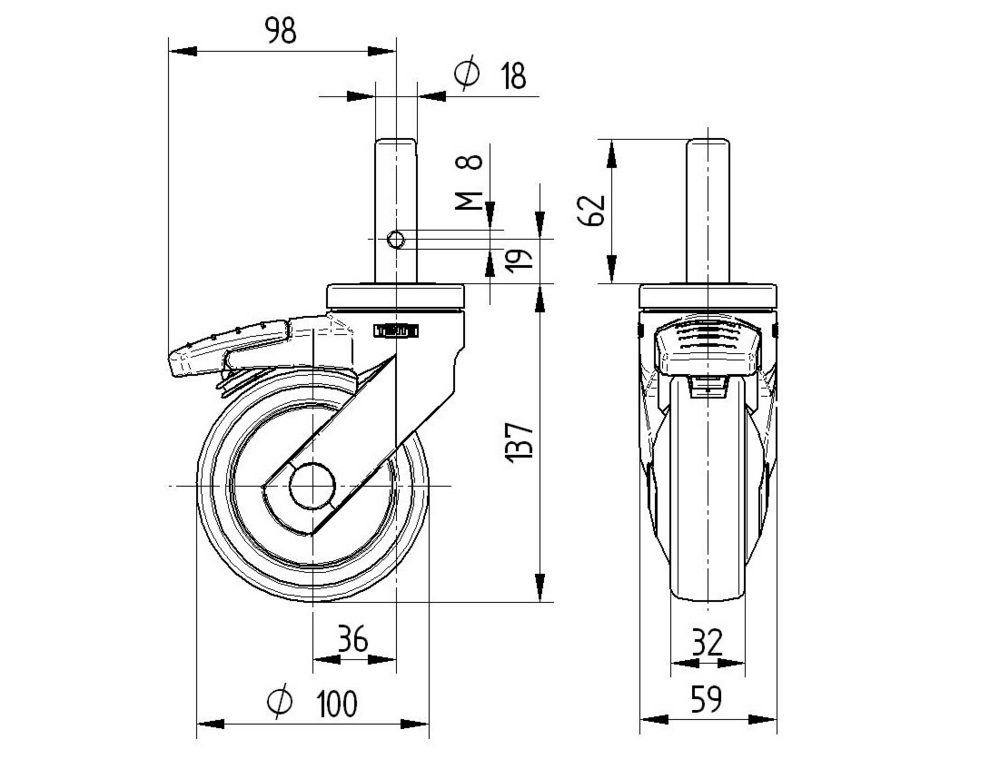
The Levina swivel castor with total lock features a solid stem, round fitting for secure mounting applications. The housing is constructed from durable polyamide material and incorporates two ball races for the swivel bearing mechanism, ensuring smooth rotational movement and reliable locking functionality. The wheel assembly comprises a polypropylene body with thermoplastic rubber tread material, providing excellent floor protection and quiet operation, whilst the precision ball bearing ensures optimal rolling performance with a wheel diameter of 100 mm. The castor has an overall height of 137 mm, making it suitable for various equipment configurations. Load specifications include a dynamic capacity of 100 kg at speeds up to 3 km/h and a static load capacity of 200 kg, making it ideal for medical equipment, catering systems, and professional cleaning applications.
Roll performance
Movement noise
Attrition
Corrosion resistance
Article numbers
Article Number
5377PJP100R05-18x62 M8/19 7001/3000
EAN
4031582369007
S4 Material Number
990037253
Core attributes
Type
Swivel castor with total lock
Overall width
59 mm
Load capacity at 3 km/h
100 kg
Load capacity Static
200 kg
Overall height
137 mm
Temperature range (Maximum)
40 °C
Temperature range (Minimum)
-10 °C
Overall weight
0.61 kg
Product name
Levina
Standard
EN12530 - Devices Castors
Electric conductive
Stainless
Fitting
Bolt mounting holes quantity
2
Fitting type
Solid stem, round
Bolt diameter
18 mm
Bolt length
62 mm
Bolt thread position
19 mm
Housing
Colour
Silver grey (RAL7001)
Fork shape
Slim
Material fork
Polyamide
Swivel bearing
Two ball races
Dome diameter
59 mm
Swivel interference
196 mm
Offset
36 mm
Swivel radius
98 mm
Wheel
Hardness of tread (A)
87 Shore A
Body material
Polypropylene
Tread material
Thermoplastic rubber
Tread width
32 mm
Diameter
100 mm
Body width
32 mm
Threadguards
With threadguard
Bearing
Precision ball bearing
Wheel color
Silver grey (RAL7001)

Universal Design Award

Universal Design Award

Deutscher Designer Club

Deutscher Designer Club

special-features-image
Special Features
Non-hazardous materials
Complies with RoHS and REACH regulations. Does not contain polycyclic aromatic carbons or chromium (VI).
Tested quality
Tested in our own laboratory for compliance with European standards.
Prevents unintended movement
Wheel lock for manual operation
Secured stand
Total lock for simultaneously locking the wheel and swivel housing.
Variable fitting options
Different fitting dimensions for a large range of applications.
Colour matching
Colours can be adapted to match the product design
Award-winning design
Awarded with prestigious prizes by international juries.
Unbreakable construction
Extremely high shock absorbing.
User-friendly colour scheme
Green kickstop pedal for directional lock and red kickstop pedal for total lock.
Low-maintenance wheels
Thread guards for unobstructed operation with minimal cleaning effort.
Non-marking movement
Wheels with reduced abrasion and little cleaning requirement.
Easy steering
Double ball bearing swivel head.
Chemical-resistant components
Insensitive to many cleaning agents and chemical substances.
Skip product gallery

Crossselling

Variants
Levina
Levina
Levina
5370PJP100R05-18x62 M8/19 7001

The Levina swivel castor features a solid stem, round fitting for secure mounting applications. The housing is constructed from durable polyamide material and incorporates two ball races for smooth swivel bearing operation, ensuring reliable directional changes under load. The wheel assembly comprises a polypropylene body with thermoplastic rubber tread material, providing excellent floor protection and quiet operation, whilst the precision ball bearing ensures smooth rolling performance with minimal maintenance requirements. The wheel diameter measures 100mm, contributing to an overall height of 137mm for the complete castor assembly. Load specifications include a dynamic capacity of 100kg at speeds up to 3km/h and a static load capacity of 200kg, making it suitable for demanding applications including anaesthesia carts, care beds, catering carts, medication trolleys, professional cleaning equipment, and various medical devices such as ultrasound machines and ventilators.

100 mm
Light Duty | < 150 kg
137 mm
100 mm
Light Duty | < 150 kg
137 mm