Skip to main content Skip to search Skip to main navigation
Welcome to our newly redesigned website!
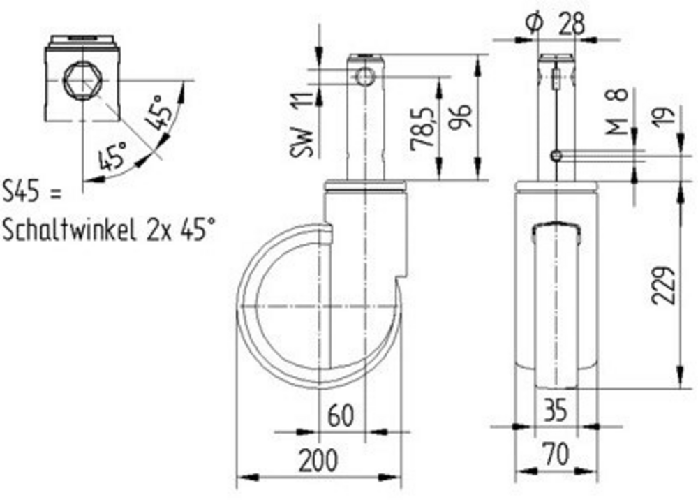
The Integral swivel castor with central, total or directional lock features a stem with cam hole for profile bars fitting, with washable beds requiring sealing in the fitting area by the hospital bed manufacturer. The housing is constructed from medium steel sheet and incorporates a precision ball bearing swivel bearing for smooth operation. The wheel comprises a polyamide body with injected polyurethane tread and sealed precision ball bearing for reliable performance, measuring 200 mm in diameter. The castor has an overall height of 229 mm and offers exceptional load capacity with dynamic ratings of 150 kg at 3 km/h and 150 kg at 4 km/h, plus a static load capacity of 450 kg. This robust castor is specifically designed for demanding medical applications including anaesthesia carts, C-arms, CT scanners, MRI, X-ray equipment, care beds, dialysis carts, hospital beds, stretchers, ultrasound equipment, and use in hospitals, nursing and retirement homes.
Roll performance
Movement noise
Attrition
Corrosion resistance
Awards
Awards
019bbbd5f0bb737e8686f6994897a48d,019bbc1babaf709abe822feacb5eb816
Article numbers
Article Number
2044UAX200R26-28S45 D 9002 4xM8 W
EAN
4031582300208
S4 Material Number
990037270
Core attributes
Certification
Tested and monitored by TÜV Süd
Type
Swivel castor with central, total or directional lock
Overall width
70 mm
Load capacity at 3 km/h
150 kg
Load capacity at 4 km/h
150 kg
Load capacity Static
450 kg
Overall height
229 mm
Temperature range (Maximum)
80 °C
Temperature range (Minimum)
-25 °C
Overall weight
1.53 kg
Product name
Integral
Standard
EN12531 - Hospital Bed Castors
Electric conductive
Stainless
Fitting
Bolt mounting holes quantity
4
Hint
Washable beds must be sealed in the fitting area by the hospital bed manufacturer.
Fitting type
Stem with cam hole for profile bars
Bolt diameter
28 mm
Bolt length
96 mm
Bolt thread position
19 mm
Housing
Colour
Grey white (RAL9002)
Fork shape
Closed
Material fork
Steel sheet, medium
Swivel bearing
Precision ball bearing
Dome diameter
70 mm
Swivel interference
320 mm
Offset
60 mm
Swivel radius
160 mm
Wheel
Hardness of tread (D)
59 Shore D
Body material
Polyamide
Tread material
Polyurethane, injected
Tread width
35 mm
Diameter
200 mm
Body width
35 mm
Threadguards
Integrated threadguard
Tread color
Slate grey (RAL7015)
Bearing
Precision ball bearing, sealed
Wheel color
Slate grey (RAL7015)
Handle Set
Hint
Washable beds must be sealed in the fitting area by the hospital bed manufacturer.

IF Design Award

IF Design Award

Red Dot Design Award

Red Dot Design Award

special-features-image
Special Features
Non-hazardous materials
Complies with RoHS and REACH regulations. Does not contain polycyclic aromatic carbons or chromium (VI).
Tested quality
Tested in our own laboratory for compliance with European standards.
Solid housing
Made of pressed steel, zinc plated.
Prevents unintended movement
Wheel lock for manual operation
Secured stand
Total lock for simultaneously locking the wheel and swivel housing.
User-friendly central lock
Simultaneous locking of more than one castor using a central actuation lever.
Award-winning design
Awarded with prestigious prizes by international juries.
Low-maintenance wheels
Thread guards for unobstructed operation with minimal cleaning effort.
Non-marking movement
Wheels with reduced abrasion and little cleaning requirement.
Ergonomically friendly use
Wheels with optimised roll resistance to lighten the load for the user.
Protective seal
Wheels with sealed bearings to protect against spray water and dirt.
Chemical-resistant components
Insensitive to many cleaning agents and chemical substances.
Individual cover
Shape of the housing cover can be customised.
Certified safety
TÜV Süd certified performance standard.
Comfortable maneuverability
Easily move across obstacles with large wheels and elastic wheel centers.
Multistage switching function
Up to three locking positions: directional lock, total lock or free mobility.
Reduced cleaning
Due to mainly smooth surfaces, the castors are quick and easy to clean.
Extremely strong construction
Extremely strong construction
Skip product gallery

Accessories

Accessory
Adaptor
Adapter m. Gew. Stift

This accessory for castors provides essential supplementary functionality with a lightweight construction weighing just 0.1 kg, making it suitable for integration into various mobile equipment applications without significantly impacting overall system weight. The compact design ensures compatibility with standard castor assemblies whilst maintaining structural integrity under operational loads, offering engineers a reliable solution for enhancing castor performance in industrial and commercial mobility systems.

Accessory
Change lever
Schalthebel 24S45 o. Gew. Stift

This accessory is designed as a complementary component for castor systems, providing enhanced functionality and performance optimisation for mobile equipment applications. Engineered with precision manufacturing standards, this lightweight component weighs just 0.12 kg, making it suitable for integration without significantly impacting the overall load capacity of the castor assembly whilst maintaining structural integrity and operational reliability.

Accessory
Change lever
Schalthebel 28S45 m. Gew. Stift

This accessory is designed to complement castor systems, providing enhanced functionality and performance for mobile equipment applications. Engineered with precision to meet industrial standards, this component weighs 0.06 kg, making it lightweight yet robust enough to withstand regular operational demands. The accessory integrates seamlessly with existing castor assemblies, ensuring reliable performance across various industrial environments whilst maintaining optimal mobility characteristics.

Accessory
Change lever
Schalthebel 65S45 m. Gew. Stift

This accessory is designed as a complementary component for castor systems, providing enhanced functionality and operational support for wheeled applications. Engineered with precision manufacturing standards, this lightweight component weighs just 0.09 kg, making it suitable for integration without significantly impacting the overall system weight or performance characteristics of the castor assembly.

Accessory
Bearing bush
Lager Buchse m. Gew. Stift SW7/16in

This lightweight accessory for castors weighs just 0.04 kg, making it an ideal supplementary component that adds minimal burden to existing castor assemblies whilst providing enhanced functionality. The compact design ensures seamless integration with standard castor systems without compromising mobility or performance, whilst the low mass characteristics maintain optimal weight distribution across the entire assembly.

Accessory
Bushing
Kunststoff Huelse R48-36 Ø28 natur

The Bushing is an accessory designed as a reducing bushing with square configuration for castor applications. This precision-engineered component features a 28 mm diameter bolt specification, ensuring secure and reliable attachment to compatible castor assemblies. Weighing just 0.05 kg, this lightweight yet robust bushing provides an effective solution for reducing connection sizes whilst maintaining structural integrity and operational performance in industrial mobility systems.

Accessory
Profile bar
Profilstahl 6kt-11x1000

This accessory is designed to complement and enhance castor functionality, providing additional support or modification capabilities for wheeled applications. The component integrates seamlessly with existing castor assemblies to extend operational performance or adapt the unit for specific requirements. Engineered for reliable service, this accessory maintains compatibility with standard castor configurations whilst offering enhanced versatility for industrial and commercial wheeled equipment installations.

Accessory
Bushing
Kunststoff Huelse R48-33,65 Ø28,1 natur

The Bushing is an accessory designed as a reducing bushing with square configuration for castor applications. This precision-engineered component features a 28 mm diameter bolt specification, ensuring secure and reliable fitment within castor assemblies. Weighing just 0.04 kg, this lightweight yet robust bushing provides effective dimensional reduction whilst maintaining structural integrity, making it ideal for professional engineering applications where space optimisation and reliable mechanical connection are essential requirements.

Skip product gallery

Matching Products

Variants
Integral
Integral
Integral
2046UAX200R26-28S45 D 9002 4xM8 W

The Integral swivel castor with central, total lock features a stem with cam hole for profile bars fitting, with washable beds requiring sealing in the fitting area by the hospital bed manufacturer. The housing is constructed from medium steel sheet and incorporates a precision ball bearing swivel bearing for smooth operation. The wheel comprises a polyamide body with injected polyurethane tread material, supported by sealed precision ball bearings, and measures 200 mm in diameter. The castor has an overall height of 229 mm. Load capacity specifications include dynamic loads of 150 kg at 3 km/h and 150 kg at 4 km/h, with a static load capacity of 450 kg. This castor is designed for demanding medical applications including anaesthesia carts, C-arms, CT scanners, MRI, X-ray equipment, care beds, dialysis carts, hospital beds, nursing and retirement homes, stretchers, and ultrasound equipment.

200 mm
229 mm
150 kg
200 mm
229 mm
150 kg
Skip product gallery

Matching Products

Variants
Integral
Integral
Integral
2046UAX200R26-28S45 D 9002 4xM8 W

The Integral swivel castor with central, total lock features a stem with cam hole for profile bars fitting, with washable beds requiring sealing in the fitting area by the hospital bed manufacturer. The housing is constructed from medium steel sheet and incorporates a precision ball bearing swivel bearing for smooth operation. The wheel comprises a polyamide body with injected polyurethane tread material, supported by sealed precision ball bearings, and measures 200 mm in diameter. The castor has an overall height of 229 mm. Load capacity specifications include dynamic loads of 150 kg at 3 km/h and 150 kg at 4 km/h, with a static load capacity of 450 kg. This castor is designed for demanding medical applications including anaesthesia carts, C-arms, CT scanners, MRI, X-ray equipment, care beds, dialysis carts, hospital beds, nursing and retirement homes, stretchers, and ultrasound equipment.

200 mm
229 mm
150 kg
200 mm
229 mm
150 kg