Skip to main content Skip to search Skip to main navigation
Welcome to our newly redesigned website!
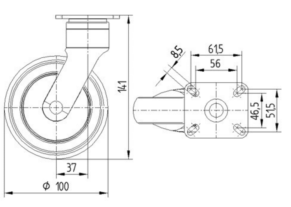
The ICS swivel castor features a rectangular plate fitting for secure mounting applications. The housing is constructed from durable polyamide material and incorporates a stem, swiveling swivel bearing mechanism that enables smooth directional changes. The wheel assembly comprises a polypropylene body with a thermoplastic rubber tread surface, providing excellent grip and floor protection, whilst the precision ball bearing ensures reliable operation and extended service life. The wheel diameter measures 100 mm, contributing to an overall height of 141 mm. Load specifications include a dynamic capacity of 100 kg at speeds up to 3 km/h and a static load capacity of 200 kg. This castor is specifically designed for care beds applications, offering reliable mobility solutions in healthcare environments.
Roll performance
Movement noise
Attrition
Corrosion resistance
Awards
Awards
019bbbd5f0bb737e8686f6994897a48d
Article numbers
Article Number
5320PJP100P50 7001
EAN
4031582010664
S4 Material Number
990027069
Core attributes
Type
Swivel castor
Overall width
52 mm
Load capacity at 3 km/h
100 kg
Load capacity Static
200 kg
Overall height
141 mm
Temperature range (Maximum)
40 °C
Temperature range (Minimum)
-10 °C
Overall weight
0.53 kg
Product name
ICS
Standard
EN12530 - Devices Castors
Electric conductive
Stainless
Fitting
Fitting type
Rectangular plate
Plate hole diameter
8.5 mm
Plate hole length (Maximum)
51.5 mm
Plate hole length (Minimum)
46.5 mm
Plate hole width (Maximum)
61.5 mm
Plate hole width (Minimum)
56 mm
Plate length
77 mm
Plate width
67 mm
Housing
Colour
Silver grey (RAL7001)
Fork shape
Slim
Material fork
Polyamide
Swivel bearing
Stem, swiveling
Dome diameter
52 mm
Swivel interference
174 mm
Offset
38 mm
Swivel radius
87 mm
Wheel
Hardness of tread (A)
87 Shore A
Body material
Polypropylene
Tread material
Thermoplastic rubber
Tread width
32 mm
Diameter
100 mm
Body width
32 mm
Threadguards
Integrated threadguard
Bearing
Precision ball bearing
Wheel color
Silver grey (RAL7001)

IF Design Award

IF Design Award

special-features-image
Special Features
Non-hazardous materials
Complies with RoHS and REACH regulations. Does not contain polycyclic aromatic carbons or chromium (VI).
Tested quality
Tested in our own laboratory for compliance with European standards.
Colour matching
Colours can be adapted to match the product design
Award-winning design
Awarded with prestigious prizes by international juries.
Low-maintenance wheels
Thread guards for unobstructed operation with minimal cleaning effort.
Non-marking movement
Wheels with reduced abrasion and little cleaning requirement.