Skip to main content Skip to search Skip to main navigation
Welcome to our newly redesigned website!
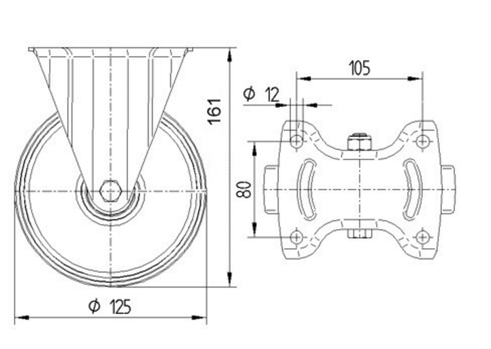
The Alpha fixed castor features a medium rectangular plate fitting for secure mounting applications. The housing is constructed from heavy steel sheet material, providing robust structural integrity and durability in demanding industrial environments. The wheel incorporates an aluminium body with casted polyurethane tread material, mounted on precision ball bearings for smooth operation and extended service life. The wheel diameter measures 125 mm, whilst the overall height of the complete assembly is 161 mm. Load capacity specifications include dynamic ratings of 300 kg at 4 km/h and 200 kg at 6 km/h operating speeds, with a static load capacity of 600 kg. This castor is engineered for diverse applications including automotive OEM, catering carts and meal delivery systems, container construction, electronic systems and clean-room technology, fire fighting technology and fire protection, machine construction, post logistic systems, production and platform trolleys, roll cages, tool cabinets, transport equipment, waste disposal equipment, and work benches.
Roll performance
Movement noise
Attrition
Corrosion resistance
Article numbers
Article Number
3478ITP125P63 CL60 OH161
EAN
4031582306415
S4 Material Number
990002760
Core attributes
Type
Fixed castor
Overall width
115 mm
Load capacity at 4 km/h
300 kg
Load capacity at 6 km/h
200 kg
Load capacity Static
600 kg
Overall height
161 mm
Temperature range (Maximum)
60 °C
Temperature range (Minimum)
-10 °C
Overall weight
1.73 kg
Product name
Alpha
Standard
EN12532 - Transport Equipment
Electric conductive
Stainless
Fitting
Fitting type
Medium rectangular plate
Plate hole diameter
11 mm
Plate hole length (Maximum)
80 mm
Plate hole length (Minimum)
75 mm
Plate hole width (Maximum)
105 mm
Plate hole width (Minimum)
75 mm
Plate length
137 mm
Plate width
115 mm
Housing
Colour
Blue passivated
Fork shape
Broad
Material fork
Steel sheet, heavy
Wheel
Hardness of tread (A)
92 Shore A
Hardness of tread (D)
42 Shore D
Body material
Aluminium
Tread material
Polyurethane, casted
Tread width
50 mm
Diameter
125 mm
Body width
50 mm
Threadguards
Without threadguard
Axle
Screwed with nut
Bearing
Precision ball bearing
Wheel color
Metallic
special-features-image
Special Features
Non-hazardous materials
Complies with RoHS and REACH regulations. Does not contain polycyclic aromatic carbons or chromium (VI).
Tested quality
Tested in our own laboratory for compliance with European standards.
Solid housing
Made of pressed steel, zinc plated.
Variable fitting options
Different fitting dimensions for a large range of applications.
Resource-conserving part replacement
Threaded axles allow effortless wheel change.
Uninterrupted use
Swivel bearing with dust ring for continuous, uninterrupted movement.
Non-marking movement
Wheels with reduced abrasion and little cleaning requirement.
Ergonomically friendly use
Wheels with optimised roll resistance to lighten the load for the user.
Skip product gallery

Crossselling

Variants
Swivel castor 125 mm
Swivel castor 125 mm
Alpha
3470ITP125P63 CL60 OH161

The Alpha swivel castor features a medium rectangular plate fitting for secure mounting applications. The housing is constructed from heavy steel sheet and incorporates two ball races for the swivel bearing mechanism, ensuring smooth directional movement under load. The wheel comprises an aluminium body with casted polyurethane tread material, mounted on precision ball bearings for optimal rolling performance, with a diameter of 125 mm. The castor has an overall height of 161 mm. Load capacity specifications include dynamic loads of 300 kg at 4 km/h and 200 kg at 6 km/h operating speeds, whilst the static load capacity reaches 600 kg. This castor is suitable for automotive OEM, catering carts and meal delivery systems, container construction, electronic systems and clean-room technology, fire fighting technology and fire protection, machine construction, post logistic systems, production and platform trolleys, roll cages, tool cabinets, transport equipment, waste disposal equipment, and work benches.

125 mm
Medium Duty | 150 - 500 kg
161 mm
Regular price: €105.35
net / per piece
125 mm
Medium Duty | 150 - 500 kg
161 mm
Variants
Swivel castor with total lock 125 mm
Swivel castor with total lock 125 mm
Alpha
3477ITP125P63 CL60 OH161

The Alpha swivel castor with total lock features a medium rectangular plate fitting for secure mounting applications. The housing is constructed from heavy steel sheet and incorporates two ball races for the swivel bearing mechanism, ensuring smooth directional movement and reliable locking functionality. The wheel comprises an aluminium body with casted polyurethane tread material, mounted on precision ball bearings for optimal performance and durability. With a wheel diameter of 125 mm, the castor has an overall height of 161 mm. Load capacity specifications include dynamic ratings of 300 kg at 4 km/h and 200 kg at 6 km/h operating speeds, whilst the static load capacity reaches 600 kg, making it suitable for demanding industrial applications including automotive OEM, catering systems, container construction, and various transport equipment.

125 mm
Medium Duty | 150 - 500 kg
161 mm
Regular price: €108.90
net / per piece
125 mm
Medium Duty | 150 - 500 kg
161 mm