Skip to main content Skip to search Skip to main navigation
Welcome to our newly redesigned website!
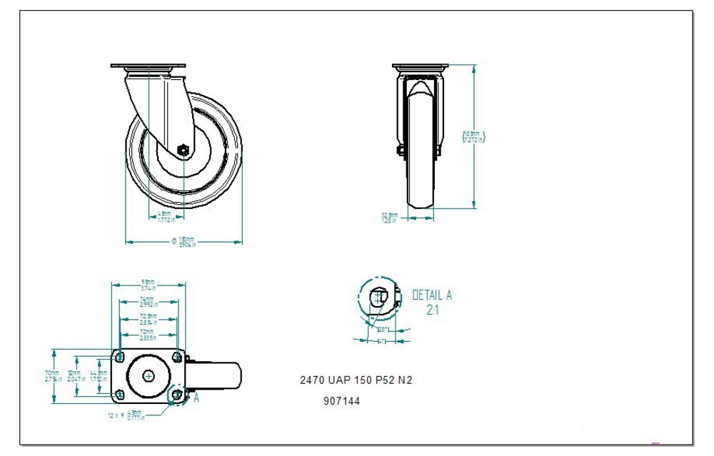
The Agila swivel castor features a rectangular plate fitting with US-bolt hole spacing for standardised mounting applications. The housing is constructed from medium-grade steel sheet and incorporates a dual ball race swivel bearing system to ensure smooth rotational movement under load. The wheel assembly comprises a polyamide body with an injected polyurethane tread, providing excellent wear resistance and floor protection, whilst precision ball bearings deliver reliable rolling performance. The wheel diameter measures 150 mm with an overall castor height of 185 mm. Load specifications include a dynamic capacity of 100 kg at speeds up to 3 km/h and a static load rating of 200 kg, making this castor suitable for medium-duty industrial and commercial applications requiring dependable mobility solutions.
Roll performance
Movement noise
Attrition
Corrosion resistance
Article numbers
Article Number
2470UAP150P52
EAN
4031582385465
Core attributes
Type
Swivel castor
Load capacity at 3 km/h
100 kg
Load capacity Static
200 kg
Overall height
185 mm
Temperature range (Maximum)
80 °C
Temperature range (Minimum)
-40 °C
Product name
Agila
Standard
EN12530 - Devices Castors
Electric conductive
Stainless
Fitting
Fitting type
Rectangular plate, US-bolt hole spacing
Plate hole diameter
11 mm
Plate hole length (Maximum)
52 mm
Plate hole length (Minimum)
44.45 mm
Plate hole width (Maximum)
76 mm
Plate hole width (Minimum)
72 mm
Plate length
95 mm
Plate width
70 mm
Housing
Fork shape
Broad
Material fork
Steel sheet, medium
Swivel bearing
Two ball races
Swivel interference
240 mm
Offset
45 mm
Swivel radius
120 mm
Wheel
Hardness of tread (D)
40 Shore D
Body material
Polyamide
Tread material
Polyurethane, injected
Tread width
32 mm
Diameter
150 mm
Threadguards
With threadguard
Bearing
Precision ball bearing
special-features-image
Special Features
Non-hazardous materials
Complies with RoHS and REACH regulations. Does not contain polycyclic aromatic carbons or chromium (VI).
Tested quality
Tested in our own laboratory for compliance with European standards.
Solid housing
Made of pressed steel, zinc plated.
Variable fitting options
Different fitting dimensions for a large range of applications.
Resource-conserving part replacement
Threaded axles allow effortless wheel change.
Low-maintenance wheels
Thread guards for unobstructed operation with minimal cleaning effort.
Non-marking movement
Wheels with reduced abrasion and little cleaning requirement.
Easy steering
Double ball bearing swivel head.
Ergonomically friendly use
Wheels with optimised roll resistance to lighten the load for the user.
Skip product gallery

Crossselling

Variants
Fixed castor 150 mm
Fixed castor 150 mm
Agila
2478UAP150P52

The Agila fixed castor features a rectangular plate fitting with US-bolt hole spacing for standardised mounting applications. The housing is constructed from medium-grade steel sheet, providing robust structural integrity and durability in industrial environments. The wheel incorporates a polyamide body with injected polyurethane tread material, delivering excellent wear resistance and floor protection. Precision ball bearings ensure smooth operation and extended service life. The wheel diameter measures 150 mm, whilst the overall height of the complete assembly is 185 mm. Load specifications include a dynamic capacity of 100 kg at speeds up to 3 km/h and a static load capacity of 200 kg, making this castor suitable for medium-duty material handling applications requiring reliable directional stability.

150 mm
Light Duty | < 150 kg
185 mm
150 mm
Light Duty | < 150 kg
185 mm
Variants
Swivel castor with total lock 150 mm
Swivel castor with total lock 150 mm
Agila
2477UAP150P52

The Agila is a swivel castor with total lock featuring a rectangular plate fitting with US-bolt hole spacing for standardised mounting applications. The housing is constructed from medium-grade steel sheet and incorporates a dual ball race swivel bearing system to ensure smooth directional movement and enhanced durability under operational loads. The wheel assembly comprises a polyamide body with an injected polyurethane tread, providing excellent wear resistance and floor protection, whilst precision ball bearings deliver reliable rolling performance with minimal friction. The wheel diameter measures 150 mm with an overall castor height of 185 mm. Load specifications include a dynamic capacity of 100 kg at speeds up to 3 km/h and a static load rating of 200 kg, making it suitable for medium-duty industrial and commercial applications requiring secure locking functionality.

150 mm
Light Duty | < 150 kg
185 mm
150 mm
Light Duty | < 150 kg
185 mm
Variants
Swivel castor with directional lock 150 mm
Swivel castor with directional lock 150 mm
Agila
2471UAP150P52

The Agila is a swivel castor with directional lock designed for industrial applications. The fitting features a rectangular plate with US-bolt hole spacing for secure mounting to equipment frames. The housing is constructed from medium-grade steel sheet and incorporates two ball races in the swivel bearing assembly, ensuring smooth directional movement and reliable locking functionality. The wheel comprises a polyamide body with injected polyurethane tread material, providing excellent wear resistance and floor protection, whilst the precision ball bearing ensures smooth rolling performance. The wheel diameter measures 150 mm with an overall castor height of 185 mm. Load specifications include a dynamic capacity of 100 kg at speeds up to 3 km/h and a static load capacity of 200 kg, making it suitable for medium-duty mobile equipment applications.

150 mm
Light Duty | < 150 kg
185 mm
150 mm
Light Duty | < 150 kg
185 mm