Skip to main content Skip to search Skip to main navigation
Welcome to our newly redesigned website!

CAD files

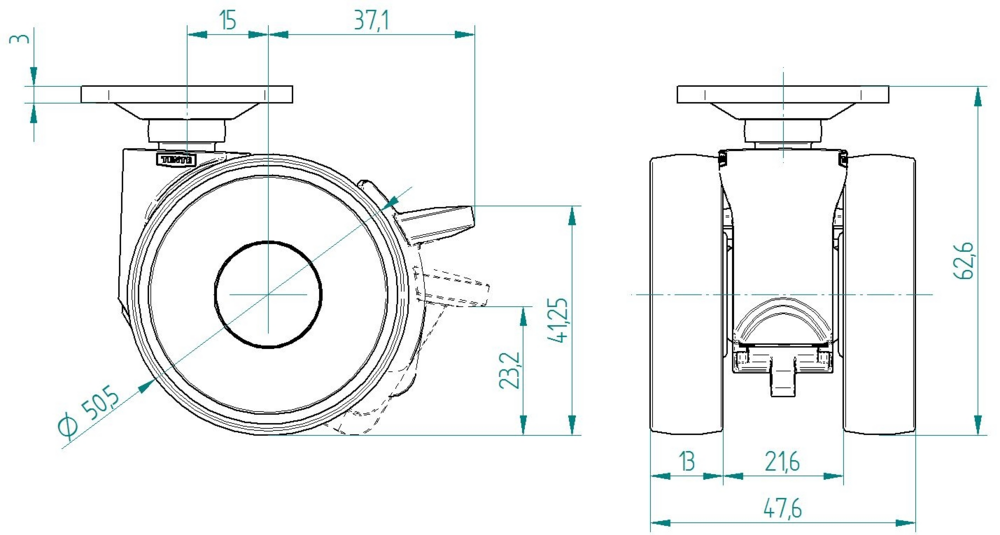
The Linea light swivel castor with wheel brake features a square plate fitting for secure mounting applications. The housing is constructed from durable polyamide material and incorporates a stem, swivelling bearing system for smooth directional changes. The wheel assembly consists of a polyamide body fitted with an injected polyurethane tread and precision ball bearing for optimal performance, measuring 50 mm in diameter. The complete unit has an overall height of 62.6 mm, making it suitable for compact installations. Load specifications include a dynamic capacity of 100 kg at speeds up to 3 km/h and a static load capacity of 200 kg, making it ideal for medical equipment such as anaesthesia carts, bedside tables, C-arms, CT scanners, MRI and X-ray equipment, catering carts, computers on wheels, dialysis carts, furniture applications, medication carts, nursing carts, office chairs, ultrasound equipment, ventilators, and professional cleaning carts in hospitals and nursing facilities.
Roll performance
Movement noise
Attrition
Corrosion resistance
Article numbers
Article Number
5925UAP050P41-38x38
EAN
4031582443608
Core attributes
Type
Swivel castor with wheel brake
Overall width
47.5 mm
Load capacity at 3 km/h
100 kg
Load capacity Static
200 kg
Overall height
62.6 mm
Temperature range (Maximum)
40 °C
Temperature range (Minimum)
-10 °C
Overall weight
0.09 kg
Product name
Linea light
Standard
EN12530 - Devices Castors
Electric conductive
Stainless
Fitting
Fitting type
Square plate
Plate hole diameter
5.1 mm
Plate hole length (Maximum)
27 mm
Plate hole width (Maximum)
27 mm
Plate length
38 mm
Plate width
38 mm
Housing
Fork shape
Twin wheel housing
Material fork
Polyamide
Swivel bearing
Stem, swiveling
Dome diameter
23 mm
Swivel radius
51 mm
Wheel
Hardness of tread (A)
92 Shore A
Body material
Polyamide
Tread material
Polyurethane, injected
Tread width
13 mm
Diameter
50 mm
Threadguards
With threadguard
Bearing
Precision ball bearing

special-features-image
Special Features
Non-hazardous materials
Complies with RoHS and REACH regulations. Does not contain polycyclic aromatic carbons or chromium (VI).
Tested quality
Tested in our own laboratory for compliance with European standards.
Prevents unintended movement
Wheel lock for manual operation
Colour matching
Colours can be adapted to match the product design
Award-winning design
Awarded with prestigious prizes by international juries.
User-friendly colour scheme
Green kickstop pedal for directional lock and red kickstop pedal for total lock.
Low-maintenance wheels
Thread guards for unobstructed operation with minimal cleaning effort.
Non-marking movement
Wheels with reduced abrasion and little cleaning requirement.
Ergonomically friendly use
Wheels with optimised roll resistance to lighten the load for the user.
Optimised manoeuvrability
Twin wheel castor with high manoeuvrability due to differential effect.
Individual branding
Engraved, casted or printed.
Fascinating picture prints
Entire wheel caps printable with almost every theme.