Skip to main content Skip to search Skip to main navigation
Welcome to our newly redesigned website!
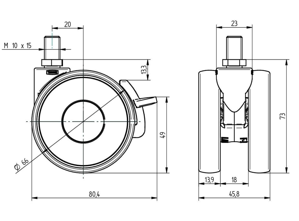
The Linea light swivel castor with wheel brake features a threaded stem with hexagon neck, top fitting for secure mounting applications. The housing is constructed from durable polyamide material and incorporates a stem, swiveling bearing system for smooth directional changes. The wheel assembly comprises a polypropylene body with thermoplastic rubber tread material, providing excellent grip and floor protection, whilst utilising a plain bearing with spacer tube for reliable operation. With a 65mm wheel diameter, the castor achieves an overall height of 68mm, making it suitable for compact installations. Load specifications include a dynamic capacity of 25kg at speeds up to 3km/h and a static load capacity of 50kg, making it ideal for anesthesia carts, bedside tables, medical imaging equipment, catering systems, mobile computers, dialysis units, office furniture, cleaning carts, and various healthcare applications.
Roll performance
Movement noise
Attrition
Corrosion resistance
Article numbers
Article Number
5925PJI065S70-10x15/10 scan
EAN
4031582420562
Core attributes
Type
Swivel castor with wheel brake
Overall width
46 mm
Load capacity at 3 km/h
25 kg
Load capacity Static
50 kg
Overall height
68 mm
Temperature range (Maximum)
40 °C
Temperature range (Minimum)
-10 °C
Overall weight
0.13 kg
Product name
Linea light
Standard
EN12528 - Furniture Castors
Electric conductive
Stainless
Fitting
Fitting type
Threaded stem with hexagon neck, top
Stem diameter
10 mm
Stem length
15 mm
Housing
Fork shape
Twin wheel housing
Material fork
Polyamide
Swivel bearing
Stem, swiveling
Dome diameter
23 mm
Swivel interference
134 mm
Swivel radius
67 mm
Thread diameter
0 mm
Wheel
Hardness of tread (A)
87 Shore A
Body material
Polypropylene
Tread material
Thermoplastic rubber
Tread width
13.9 mm
Diameter
65 mm
Threadguards
Without threadguard
Bearing
Plain bearing with spacer tube

special-features-image
Special Features
Non-hazardous materials
Complies with RoHS and REACH regulations. Does not contain polycyclic aromatic carbons or chromium (VI).
Tested quality
Tested in our own laboratory for compliance with European standards.
Prevents unintended movement
Wheel lock for manual operation
Colour matching
Colours can be adapted to match the product design
Award-winning design
Awarded with prestigious prizes by international juries.
User-friendly colour scheme
Green kickstop pedal for directional lock and red kickstop pedal for total lock.
Non-marking movement
Wheels with reduced abrasion and little cleaning requirement.
Optimised manoeuvrability
Twin wheel castor with high manoeuvrability due to differential effect.
Individual branding
Engraved, casted or printed.
Fascinating picture prints
Entire wheel caps printable with almost every theme.