Kappa load
9650FTP125P63 CL67
Core attributes
| Nom du produit | Kappa load |
|---|---|
| Type de produit | Roulette pivotante |
| Capacité de charge à 4 km/h | 660 KG |
| Capacité de charge à 6 km/h | 550 KG |
| Capacité de charge statique | 1100 KG |
| Plage de température (minimale) | -10 °C |
| Plage de température (maximale) | 60 °C |
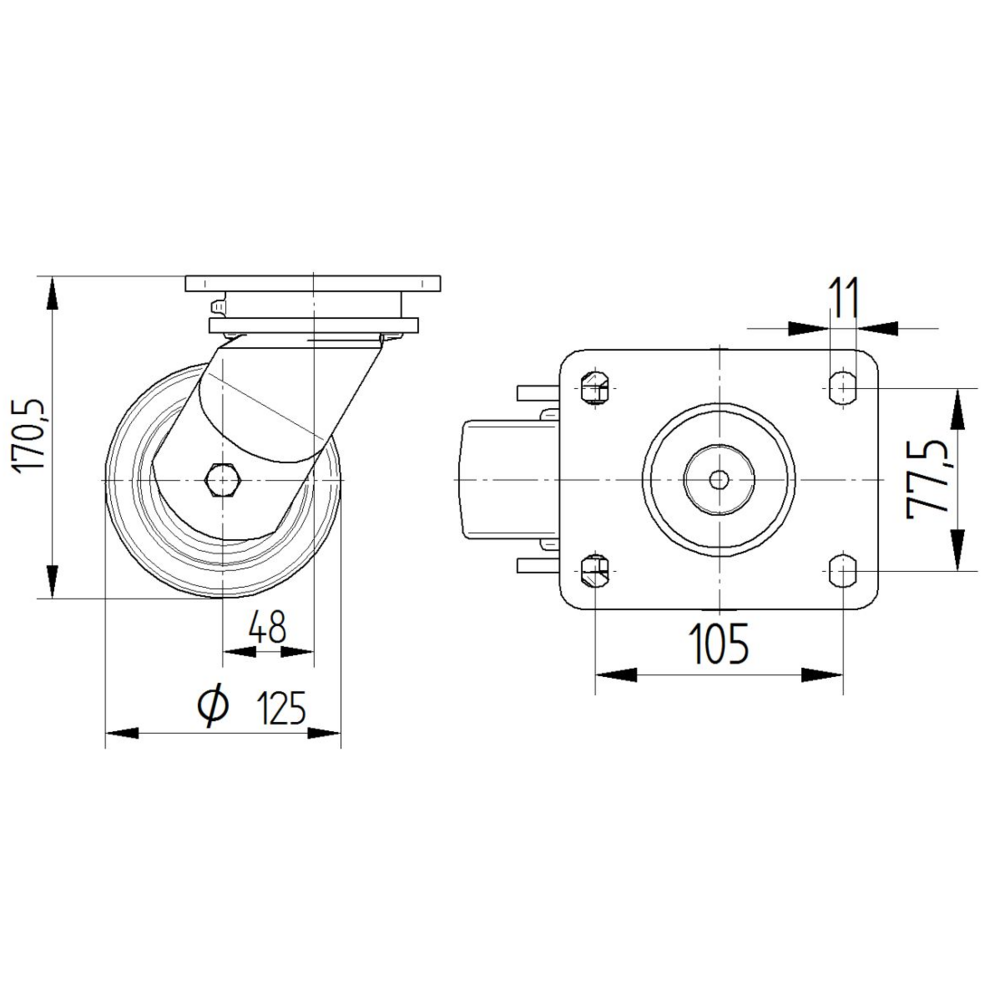
| Hauteur | 170 mm |
| Largeur totale | 110 mm |
| Poids | 5,41 KG |
Performance
| Performance de roulage | |
|---|---|
| Bruit de mouvement | |
| Usure | |
| Résistance à la corrosion |
Housing
| Matériau | Acier mécano-soudé |
|---|---|
| Forme de la chape | Galbée, renforcée |
| Pivot | Pivot en butée et roulements rouleaux |
| Couleur | Zingué bleu |
| Déport | 48 mm |
| Rayon d'encombrement | 112,5 mm |
| Diamètre d'encombrement | 225 mm |
| Diamètre du dôme | 111 mm |
Wheel
| Corps de roue | Fonte |
|---|---|
| Bandage | Polyuréthane, coulé |
| Roulement | Roulement à billes de précision |
| Couleur de la roue | Jaune miel (RAL1005) |
| Diamètre de roue | 125 mm |
| Largeur du bandage | 50 mm |
| Largeur de roue | 50 mm |
| Dureté du bandage (A) | 92 Shore A |
| Dureté du bandage (D) | 42 Shore D |
Fitting
| Type de fixation | Platine rectangulaire |
|---|---|
| Longueur de la platine | 135 mm |
| Largeur de la platine | 110 mm |
| Longueur des trous de la platine (minimum) | 75 mm |
| Longueur des trous de la platine (maximum) | 80 mm |
| Largeur des trous de la platine (minimum) | 75 mm |
| Largeur des trous de la platine (maximum) | 105 mm |
| Diamètre des trous de la platine | 11 mm |