Skip to main content Skip to search Skip to main navigation
Welcome to our newly redesigned website!
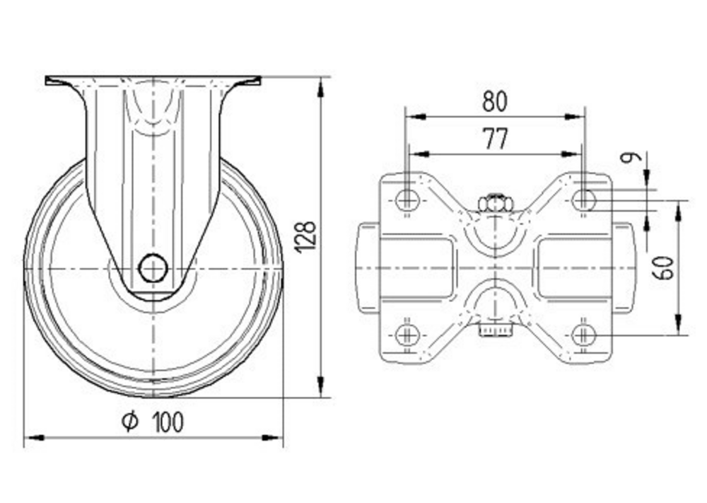
The Alpha fixed castor features a small rectangular plate fitting for secure mounting applications. The housing is constructed from heavy steel sheet material, providing robust durability and structural integrity for demanding industrial environments. The wheel incorporates a polyamide body with tread material identical to the wheel body, ensuring consistent performance characteristics, whilst utilising a plain bearing system for reliable operation. The wheel diameter measures 100 mm, with an overall height dimension of 128 mm. Load capacity specifications include a dynamic load rating of 200 kg at 4 km/h operating speed and a static load capacity of 400 kg. This castor is suitable for diverse applications including automotive OEM, catering carts and meal delivery systems, container construction, electronic systems and clean-room technology, fire fighting technology and fire protection, machine construction, post logistic systems, production and platform trolleys, roll cages, tool cabinets, transport equipment, waste disposal equipment, and work benches.
Roll performance
Movement noise
Attrition
Corrosion resistance
Article numbers
Article Number
3478UOO100P62
EAN
4031582030112
S4 Material Number
990004948
Core attributes
Type
Fixed castor
Overall width
85 mm
Load capacity at 4 km/h
200 kg
Load capacity Static
400 kg
Overall height
128 mm
Temperature range (Maximum)
80 °C
Temperature range (Minimum)
-40 °C
Overall weight
0.37 kg
Product name
Alpha
Standard
EN12532 - Transport Equipment
Electric conductive
Stainless
Fitting
Fitting type
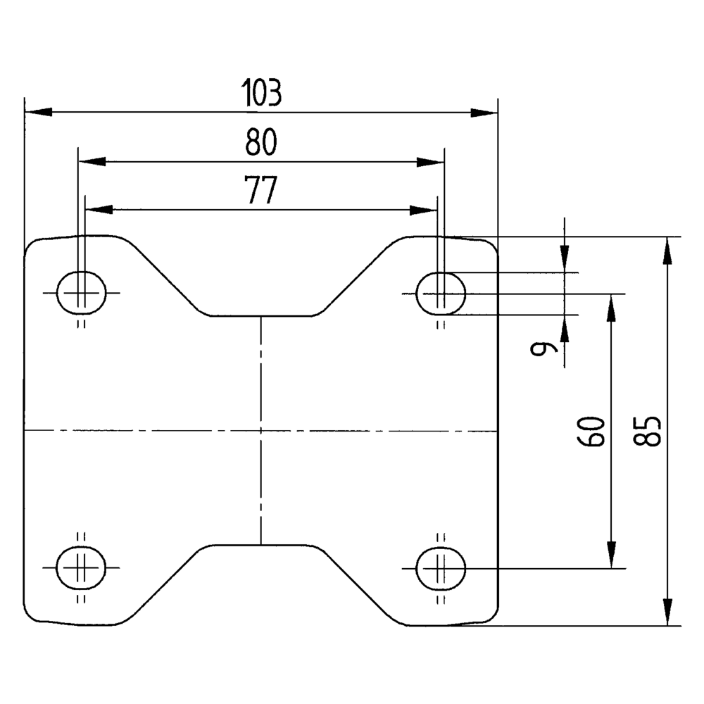
Small rectangular plate
Plate hole diameter
9 mm
Plate hole length (Maximum)
60 mm
Plate hole length (Minimum)
77 mm
Plate hole width (Maximum)
80 mm
Plate hole width (Minimum)
77 mm
Plate length
103 mm
Plate width
85 mm
Housing
Colour
Blue passivated
Fork shape
Broad
Material fork
Steel sheet, heavy
Swivel bearing
Two ball races
Wheel
Hardness of tread (D)
75 Shore D
Body material
Polyamide
Tread material
Identical with wheel body
Tread width
36 mm
Diameter
100 mm
Body width
36 mm
Threadguards
Without threadguard
Axle
Screwed with nut
Bearing
Plain bearing
Wheel color
Natural white
special-features-image
Special Features
Non-hazardous materials
Complies with RoHS and REACH regulations. Does not contain polycyclic aromatic carbons or chromium (VI).
Tested quality
Tested in our own laboratory for compliance with European standards.
Solid housing
Made of pressed steel, zinc plated.
Variable fitting options
Different fitting dimensions for a large range of applications.
Resource-conserving part replacement
Threaded axles allow effortless wheel change.
Uninterrupted use
Swivel bearing with dust ring for continuous, uninterrupted movement.
Low wear and tear wheels
Durable wheels with extremely low wear and tear properties.
Skip product gallery

Matching Products

Variants
Swivel castor 100 mm
Swivel castor 100 mm
Alpha
3470UOO100P62

The Alpha swivel castor features a small rectangular plate fitting for secure mounting applications. The housing is constructed from heavy steel sheet material and incorporates a robust two ball races swivel bearing system for smooth directional movement. The wheel comprises a polyamide body with tread material identical to the wheel body, equipped with a plain bearing for reliable operation, and measures 100 mm in diameter. The castor has an overall height of 128 mm, providing optimal clearance for various applications. Load specifications include a dynamic capacity of 200 kg at speeds up to 4 km/h and a static load capacity of 400 kg, making it suitable for automotive OEM, catering carts and meal delivery systems, container construction, electronic systems and clean-room technology, fire fighting technology and fire protection, machine construction, post logistic systems, production and platform trolleys, roll cages, tool cabinets, transport equipment, waste disposal equipment, and work benches.

100 mm
128 mm
200 kg
100 mm
128 mm
200 kg
Variants
Swivel castor with total lock 100 mm
Swivel castor with total lock 100 mm
Alpha
3477UOO100P62

The Alpha swivel castor with total lock features a small rectangular plate fitting for secure mounting applications. The housing is constructed from heavy steel sheet material and incorporates two ball races for the swivel bearing mechanism, ensuring smooth directional movement and reliable locking functionality. The wheel comprises a polyamide body with tread material identical to the wheel body, providing consistent performance characteristics, whilst utilising a plain bearing system for rotational movement, with a diameter of 100 mm. The castor has an overall height of 128 mm, making it suitable for various industrial applications. Load specifications include a dynamic capacity of 200 kg at speeds up to 4 km/h and a static load capacity of 400 kg, making it ideal for automotive OEM, catering carts, container construction, electronic systems, fire fighting technology, machine construction, logistics systems, production trolleys, roll cages, tool cabinets, transport equipment, waste disposal systems, and work benches.

100 mm
128 mm
200 kg
100 mm
128 mm
200 kg
Skip product gallery

Matching Products

Variants
Swivel castor 100 mm
Swivel castor 100 mm
Alpha
3470UOO100P62

The Alpha swivel castor features a small rectangular plate fitting for secure mounting applications. The housing is constructed from heavy steel sheet material and incorporates a robust two ball races swivel bearing system for smooth directional movement. The wheel comprises a polyamide body with tread material identical to the wheel body, equipped with a plain bearing for reliable operation, and measures 100 mm in diameter. The castor has an overall height of 128 mm, providing optimal clearance for various applications. Load specifications include a dynamic capacity of 200 kg at speeds up to 4 km/h and a static load capacity of 400 kg, making it suitable for automotive OEM, catering carts and meal delivery systems, container construction, electronic systems and clean-room technology, fire fighting technology and fire protection, machine construction, post logistic systems, production and platform trolleys, roll cages, tool cabinets, transport equipment, waste disposal equipment, and work benches.

100 mm
128 mm
200 kg
100 mm
128 mm
200 kg
Variants
Swivel castor with total lock 100 mm
Swivel castor with total lock 100 mm
Alpha
3477UOO100P62

The Alpha swivel castor with total lock features a small rectangular plate fitting for secure mounting applications. The housing is constructed from heavy steel sheet material and incorporates two ball races for the swivel bearing mechanism, ensuring smooth directional movement and reliable locking functionality. The wheel comprises a polyamide body with tread material identical to the wheel body, providing consistent performance characteristics, whilst utilising a plain bearing system for rotational movement, with a diameter of 100 mm. The castor has an overall height of 128 mm, making it suitable for various industrial applications. Load specifications include a dynamic capacity of 200 kg at speeds up to 4 km/h and a static load capacity of 400 kg, making it ideal for automotive OEM, catering carts, container construction, electronic systems, fire fighting technology, machine construction, logistics systems, production trolleys, roll cages, tool cabinets, transport equipment, waste disposal systems, and work benches.

100 mm
128 mm
200 kg
100 mm
128 mm
200 kg