Skip to main content Skip to search Skip to main navigation
Welcome to our newly redesigned website!
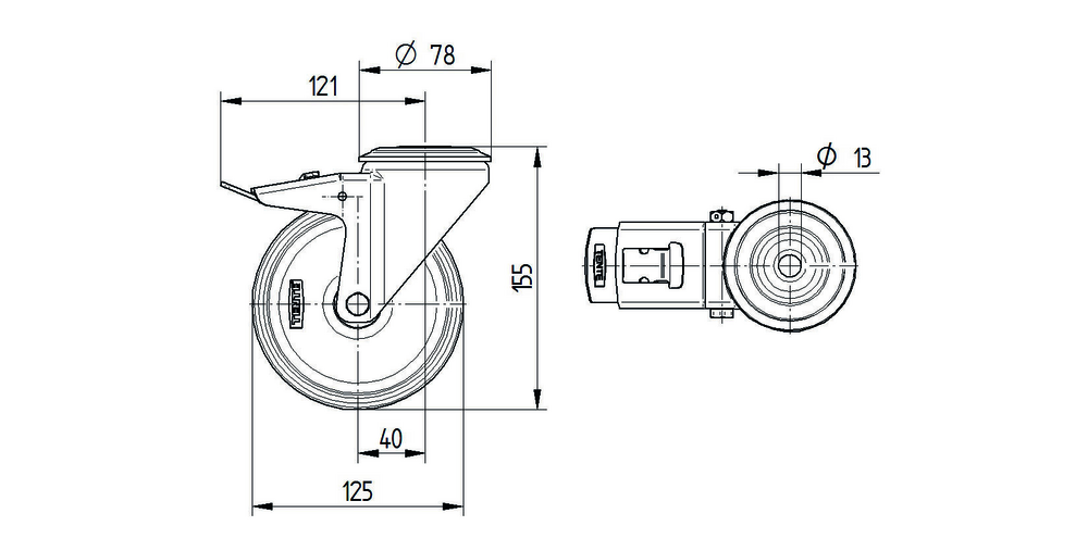
The Alpha swivel castor with total lock features a bolt hole fitting for secure mounting applications. The housing is constructed from heavy steel sheet and incorporates two ball races for the swivel bearing mechanism, ensuring smooth directional movement and reliable locking functionality. The wheel comprises a polypropylene body with solid rubber black tread material and utilises a plain bearing system, with a diameter of 125 mm for optimal rolling performance. The castor has an overall height of 155 mm, making it suitable for various industrial applications. Load specifications include a dynamic capacity of 160 kg at speeds up to 4 km/h and a static load capacity of 320 kg, providing robust performance for demanding operational requirements across automotive OEM, catering systems, container construction, and numerous industrial applications.
Roll performance
Movement noise
Attrition
Corrosion resistance
Article numbers
Article Number
3477PVO125P30-13
EAN
4031582305616
Core attributes
Type
Swivel castor with total lock
Load capacity at 4 km/h
160 kg
Load capacity Static
320 kg
Overall height
155 mm
Temperature range (Maximum)
60 °C
Temperature range (Minimum)
-20 °C
Overall weight
1.26 kg
Product name
Alpha
Standard
EN12532 - Transport Equipment
Electric conductive
Stainless
Fitting
Fitting type
Bolt hole
Bolt hole diameter
13 mm
Housing
Fork shape
Broad
Material fork
Steel sheet, heavy
Swivel bearing
Two ball races
Swivel interference
242 mm
Offset
40 mm
Swivel radius
121 mm
Wheel
Hardness of tread (A)
85 Shore A
Body material
Polypropylene
Tread material
Solid rubber, black
Tread width
37 mm
Diameter
125 mm
Threadguards
Without threadguard
Axle
Screwed with nut
Bearing
Plain bearing
special-features-image
Special Features
Non-hazardous materials
Complies with RoHS and REACH regulations. Does not contain polycyclic aromatic carbons or chromium (VI).
Tested quality
Tested in our own laboratory for compliance with European standards.
Solid housing
Made of pressed steel, zinc plated.
Prevents unintended movement
Wheel lock for manual operation
Secured stand
Total lock for simultaneously locking the wheel and swivel housing.
Variable fitting options
Different fitting dimensions for a large range of applications.
Resource-conserving part replacement
Threaded axles allow effortless wheel change.
Uninterrupted use
Swivel bearing with dust ring for continuous, uninterrupted movement.
Easy steering
Double ball bearing swivel head.
Skip product gallery

Matching Products

Variants
Swivel castor 125 mm
Swivel castor 125 mm
Alpha
3470PVO125P30-13

The Alpha swivel castor features a bolt hole fitting for secure mounting applications. The housing is constructed from heavy steel sheet and incorporates two ball races for the swivel bearing mechanism, ensuring smooth directional movement and enhanced durability. The wheel comprises a polypropylene body with solid black rubber tread material, mounted on a plain bearing system, and measures 125 mm in diameter for optimal performance across various surfaces. The castor has an overall height of 155 mm, making it suitable for standard industrial applications. Load specifications include a dynamic capacity of 160 kg at speeds up to 4 km/h and a static load capacity of 320 kg, providing reliable performance for automotive OEM, catering carts, container construction, electronic systems, fire fighting technology, machine construction, logistics systems, production trolleys, roll cages, tool cabinets, transport equipment, waste disposal systems, and work benches.

125 mm
155 mm
160 kg
125 mm
155 mm
160 kg
Skip product gallery

Matching Products

Variants
Swivel castor 125 mm
Swivel castor 125 mm
Alpha
3470PVO125P30-13

The Alpha swivel castor features a bolt hole fitting for secure mounting applications. The housing is constructed from heavy steel sheet and incorporates two ball races for the swivel bearing mechanism, ensuring smooth directional movement and enhanced durability. The wheel comprises a polypropylene body with solid black rubber tread material, mounted on a plain bearing system, and measures 125 mm in diameter for optimal performance across various surfaces. The castor has an overall height of 155 mm, making it suitable for standard industrial applications. Load specifications include a dynamic capacity of 160 kg at speeds up to 4 km/h and a static load capacity of 320 kg, providing reliable performance for automotive OEM, catering carts, container construction, electronic systems, fire fighting technology, machine construction, logistics systems, production trolleys, roll cages, tool cabinets, transport equipment, waste disposal systems, and work benches.

125 mm
155 mm
160 kg
125 mm
155 mm
160 kg