Skip to main content Skip to search Skip to main navigation
Welcome to our newly redesigned website!
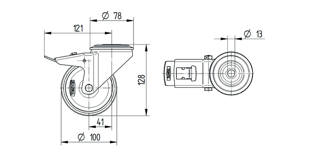
The Alpha swivel castor with total lock features a bolt hole fitting for secure mounting applications. The housing is constructed from heavy steel sheet and incorporates two ball races for the swivel bearing mechanism, ensuring smooth directional movement and reliable locking functionality. The wheel assembly comprises a polypropylene body with solid rubber black tread material, mounted on a plain bearing system, with a diameter of 100 mm for optimal manoeuvrability. The castor has an overall height of 128 mm, making it suitable for various industrial applications. Load specifications include a dynamic capacity of 75 kg at speeds up to 4 km/h and a static load capacity of 150 kg, providing robust performance for automotive OEM, catering carts, container construction, electronic systems, fire fighting technology, machine construction, logistics, production trolleys, roll cages, tool cabinets, transport equipment, waste disposal systems, and work benches.
Roll performance
Movement noise
Attrition
Corrosion resistance
Article numbers
Article Number
3477PVO100P30-13
EAN
4031582305593
Core attributes
Type
Swivel castor with total lock
Overall width
75 mm
Load capacity at 4 km/h
75 kg
Load capacity Static
150 kg
Overall height
128 mm
Temperature range (Maximum)
60 °C
Temperature range (Minimum)
-20 °C
Overall weight
1.02 kg
Product name
Alpha
Standard
EN12532 - Transport Equipment
Electric conductive
Stainless
Fitting
Fitting type
Bolt hole
Bolt hole diameter
13 mm
Housing
Colour
Blue passivated
Fork shape
Broad
Material fork
Steel sheet, heavy
Swivel bearing
Two ball races
Swivel interference
246 mm
Offset
41 mm
Swivel radius
123 mm
Wheel
Hardness of tread (A)
80 Shore A
Body material
Polypropylene
Tread material
Solid rubber, black
Tread width
35 mm
Diameter
100 mm
Body width
35 mm
Threadguards
Without threadguard
Axle
Screwed with nut
Bearing
Plain bearing
Wheel color
Graphite black (RAL9011)
special-features-image
Special Features
Non-hazardous materials
Complies with RoHS and REACH regulations. Does not contain polycyclic aromatic carbons or chromium (VI).
Tested quality
Tested in our own laboratory for compliance with European standards.
Solid housing
Made of pressed steel, zinc plated.
Prevents unintended movement
Wheel lock for manual operation
Secured stand
Total lock for simultaneously locking the wheel and swivel housing.
Variable fitting options
Different fitting dimensions for a large range of applications.
Resource-conserving part replacement
Threaded axles allow effortless wheel change.
Uninterrupted use
Swivel bearing with dust ring for continuous, uninterrupted movement.
Easy steering
Double ball bearing swivel head.
Skip product gallery

Matching Products

Variants
Swivel castor 100 mm
Swivel castor 100 mm
Alpha
3470PVO100P30-13

The Alpha swivel castor features a bolt hole fitting for secure mounting applications. The housing is constructed from heavy steel sheet and incorporates two ball races for the swivel bearing mechanism, ensuring smooth directional movement and enhanced durability. The wheel comprises a polypropylene body with solid black rubber tread material, providing excellent grip and floor protection, whilst utilising a plain bearing system for reliable rotation. With a wheel diameter of 100mm, the castor has an overall height of 128mm. Load specifications include a dynamic capacity of 75kg at speeds up to 4km/h and a static load capacity of 150kg, making it suitable for automotive OEM applications, catering carts, container construction, electronic systems, fire fighting technology, machine construction, logistics systems, production trolleys, roll cages, tool cabinets, transport equipment, waste disposal systems, and work benches.

100 mm
128 mm
75 kg
100 mm
128 mm
75 kg
Skip product gallery

Matching Products

Variants
Swivel castor 100 mm
Swivel castor 100 mm
Alpha
3470PVO100P30-13

The Alpha swivel castor features a bolt hole fitting for secure mounting applications. The housing is constructed from heavy steel sheet and incorporates two ball races for the swivel bearing mechanism, ensuring smooth directional movement and enhanced durability. The wheel comprises a polypropylene body with solid black rubber tread material, providing excellent grip and floor protection, whilst utilising a plain bearing system for reliable rotation. With a wheel diameter of 100mm, the castor has an overall height of 128mm. Load specifications include a dynamic capacity of 75kg at speeds up to 4km/h and a static load capacity of 150kg, making it suitable for automotive OEM applications, catering carts, container construction, electronic systems, fire fighting technology, machine construction, logistics systems, production trolleys, roll cages, tool cabinets, transport equipment, waste disposal systems, and work benches.

100 mm
128 mm
75 kg
100 mm
128 mm
75 kg