Skip to main content Skip to search Skip to main navigation
Welcome to our newly redesigned website!
The Delta twin fixed castor features a medium rectangular plate fitting for secure mounting applications. The housing is constructed from iron forged, heavy material providing exceptional durability and strength for demanding industrial environments. The wheel incorporates an aluminium body with polyurethane, casted tread material, delivering excellent floor protection and smooth operation, whilst the precision ball bearing ensures reliable performance and extended service life. With a wheel diameter of 200 mm, the castor achieves an overall height of 250 mm. Load specifications include dynamic capacities of 750 kg at 4 km/h and 600 kg at 6 km/h operating speeds, with a static load capacity of 1500 kg. This robust castor is ideally suited for airport equipment, automotive OEM applications, production and platform trolleys, and various transport equipment requiring heavy-duty mobility solutions.
Roll performance
Movement noise
Attrition
Corrosion resistance
Article numbers
Article Number
9948ITP200P63
EAN
4031582365924
S4 Material Number
990837803
Core attributes
Type
Fixed castor
Overall width
157 mm
Load capacity at 4 km/h
750 kg
Load capacity at 6 km/h
600 kg
Load capacity Static
1500 kg
Overall height
250 mm
Temperature range (Maximum)
60 °C
Temperature range (Minimum)
-10 °C
Overall weight
5.22 kg
Product name
Delta twin
Standard
EN12532 - Transport Equipment
Electric conductive
Stainless
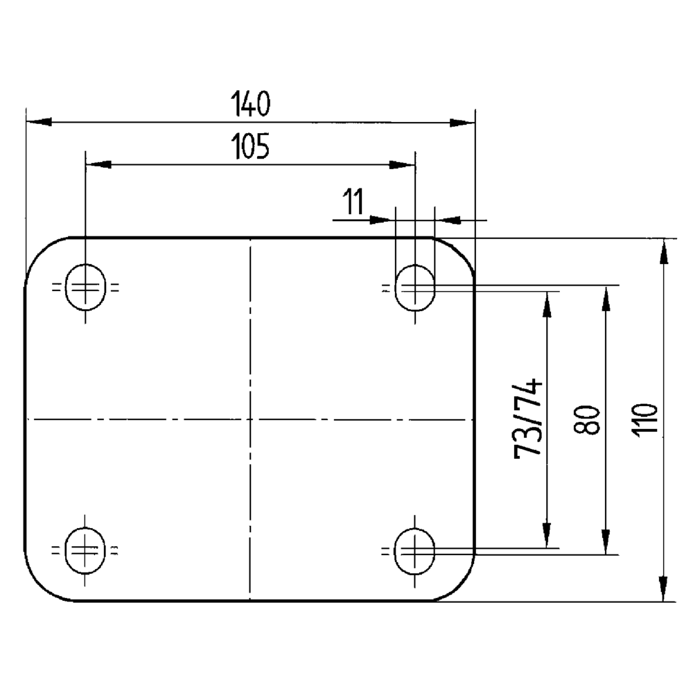
Fitting
Fitting type
Medium rectangular plate
Plate hole diameter
11 mm
Plate hole length (Maximum)
80 mm
Plate hole length (Minimum)
75 mm
Plate hole width (Maximum)
105 mm
Plate hole width (Minimum)
105 mm
Plate length
137 mm
Plate width
137 mm
Housing
Colour
Transparent coating
Fork shape
Twin wheel housing
Material fork
Iron forged, heavy
Dome diameter
136 mm
Wheel
Hardness of tread (A)
92 Shore A
Hardness of tread (D)
42 Shore D
Body material
Aluminium
Tread material
Polyurethane, casted
Tread width
50 mm
Diameter
200 mm
Body width
50 mm
Threadguards
Without threadguard
Axle
Screwed with nut
Bearing
Precision ball bearing
Wheel color
Honey yellow (RAL1005)
special-features-image
Special Features
Non-hazardous materials
Complies with RoHS and REACH regulations. Does not contain polycyclic aromatic carbons or chromium (VI).
Tested quality
Tested in our own laboratory for compliance with European standards.
Solid housing
Made of pressed steel, zinc plated.
Resource-conserving part replacement
Threaded axles allow effortless wheel change.
Uninterrupted use
Swivel bearing with dust ring for continuous, uninterrupted movement.
Strong construction
Housing made of heavy steel for high load capacity.
Non-marking movement
Wheels with reduced abrasion and little cleaning requirement.
Ergonomically friendly use
Wheels with optimised roll resistance to lighten the load for the user.
Extra heavy duty construction
Welded solid steel construction for highest load capacity.
Heavy duty construction
Extra heavy steel housing for high load capacity.
Optimised manoeuvrability
Twin wheel castor with high manoeuvrability due to differential effect.
Protect floors with load distribution
Two wheels distribute the load and minimise floor impressions.
Skip product gallery

Crossselling

Variants
Swivel castor with total lock, head end of castor 200 mm
Swivel castor with total lock, head end of castor 200 mm
Delta twin
9942ITP200P63

The Delta twin is a swivel castor with total lock, head end of castor, featuring a medium rectangular plate fitting for secure mounting. The housing is constructed from iron forged, heavy material and incorporates a precision ball bearing swivel bearing system for smooth operation. The wheel comprises an aluminium body with polyurethane, casted tread material, supported by precision ball bearing for enhanced durability and performance. With a wheel diameter of 200 mm, the castor has an overall height of 250 mm. The load capacity specifications include dynamic loads of 750 kg at 4 km/h and 600 kg at 6 km/h, whilst providing a static load capacity of 1500 kg. This robust castor is specifically designed for demanding applications including airport equipment, automotive OEM, production and platform trolleys, and transport equipment.

200 mm
Heavy Duty | 500 - 1.500 kg
250 mm
200 mm
Heavy Duty | 500 - 1.500 kg
250 mm
Variants
Swivel castor 200 mm
Swivel castor 200 mm
Delta twin
9940ITP200P63

The Delta twin swivel castor features a medium rectangular plate fitting for secure mounting applications. The housing is constructed from iron forged, heavy material and incorporates a precision ball bearing swivel bearing system for smooth directional changes under load. The wheel assembly consists of an aluminium body with casted polyurethane tread material, supported by precision ball bearing technology for enhanced durability and reduced rolling resistance. The wheel diameter measures 200 mm, whilst the overall height of the complete assembly is 250 mm. Load capacity specifications include a static load rating of 1500 kg and dynamic load capacities of 750 kg at 4 km/h and 600 kg at 6 km/h operating speeds. This castor is specifically designed for demanding applications including airport equipment, automotive OEM installations, production and platform trolleys, and various transport equipment where reliable mobility and high load-bearing capacity are essential requirements.

200 mm
Heavy Duty | 500 - 1.500 kg
250 mm
200 mm
Heavy Duty | 500 - 1.500 kg
250 mm