Skip to main content Skip to search Skip to main navigation
Welcome to our newly redesigned website!
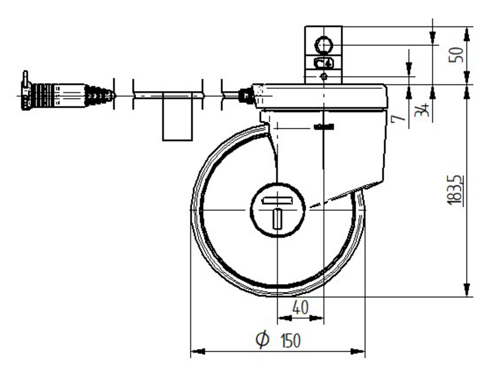
The Integral assist is a swivel castor with central, total or directional lock designed specifically for electromobility applications requiring precise manoeuvrability and secure positioning. This castor features a 150mm diameter wheel constructed with a steel, iron body and polyurethane, casted tread material, providing excellent durability and smooth rolling performance on various surfaces. The fitting incorporates a stem with cam hole for profile bars, short version, ensuring reliable attachment to equipment frames. This versatile castor is engineered for demanding healthcare and medical environments, making it ideal for anaesthesia carts, C-arms, CT scanners, MRI, X-ray equipment, computers on wheels, dialysis carts, hospital beds, medication carts, nursing carts, stretchers, ultrasound machines, ventilators, and applications within hospitals, nursing and retirement homes where mobility, stability and precise control are essential.
Roll performance
Movement noise
Attrition
Corrosion resistance
Article numbers
Article Number
ED44ETW150R36-32S35 D 9002 4xM6 180°
EAN
4031582550412
S4 Material Number
900000051
Drive Unit Actuator
Nominal speed
5 KILOMETER_PER_HOUR
Drive Unit Travel Motor
Directions of travel
Forwards and backwards
Nominal speed
5 KILOMETER_PER_HOUR
Nominal output
92
Nominal voltage
25
Core attributes
Type
Swivel castor with central, total or directional lock
Overall width
110.5 mm
Load capacity at 4 km/h
150 kg
Load capacity Static
450 kg
Overall height
183 mm
Temperature range (Maximum)
40 °C
Temperature range (Minimum)
-10 °C
Overall weight
5.01 kg
Permissible ambient temperature
Operating temperature 5 °C to 40 °C, air humidity 20% - 80%
Product name
Integral assist
Protection type
IPX6 (only for electronic components when installed)
Standard
EN12531 - Hospital Bed Castors
Electric conductive
Stainless
Fitting
Fitting type
Stem with cam hole for profile bars, short version
Housing
Colour
Grey white (RAL9002)
Swivel bearing
Precision ball bearing
Dome diameter
110.5 mm
Swivel interference
230 mm
Offset
40 mm
Swivel radius
115 mm
Wheel
Hardness of tread (A)
85 Shore A
Body material
Steel, iron
Tread material
Polyurethane, casted
Tread width
50 mm
Diameter
150 mm
Threadguards
Integrated threadguard
Tread color
Slate grey (RAL7015)
Bearing
Hub motor

Red Dot Design Award

Red Dot Design Award

special-features-image
Special Features
Non-hazardous materials
Complies with RoHS and REACH regulations. Does not contain polycyclic aromatic carbons or chromium (VI).
Tested quality
Tested in our own laboratory for compliance with European standards.
Prevents unintended movement
Wheel lock for manual operation
Secured stand
Total lock for simultaneously locking the wheel and swivel housing.
User-friendly central lock
Simultaneous locking of more than one castor using a central actuation lever.
Award-winning design
Awarded with prestigious prizes by international juries.
Low-maintenance wheels
Thread guards for unobstructed operation with minimal cleaning effort.
Non-marking movement
Wheels with reduced abrasion and little cleaning requirement.
Reduced absences due to illness
Rapid return on investment through fewer illness-related absences.