Skip to main content Skip to search Skip to main navigation
Welcome to our newly redesigned website!

CAD files

Documents

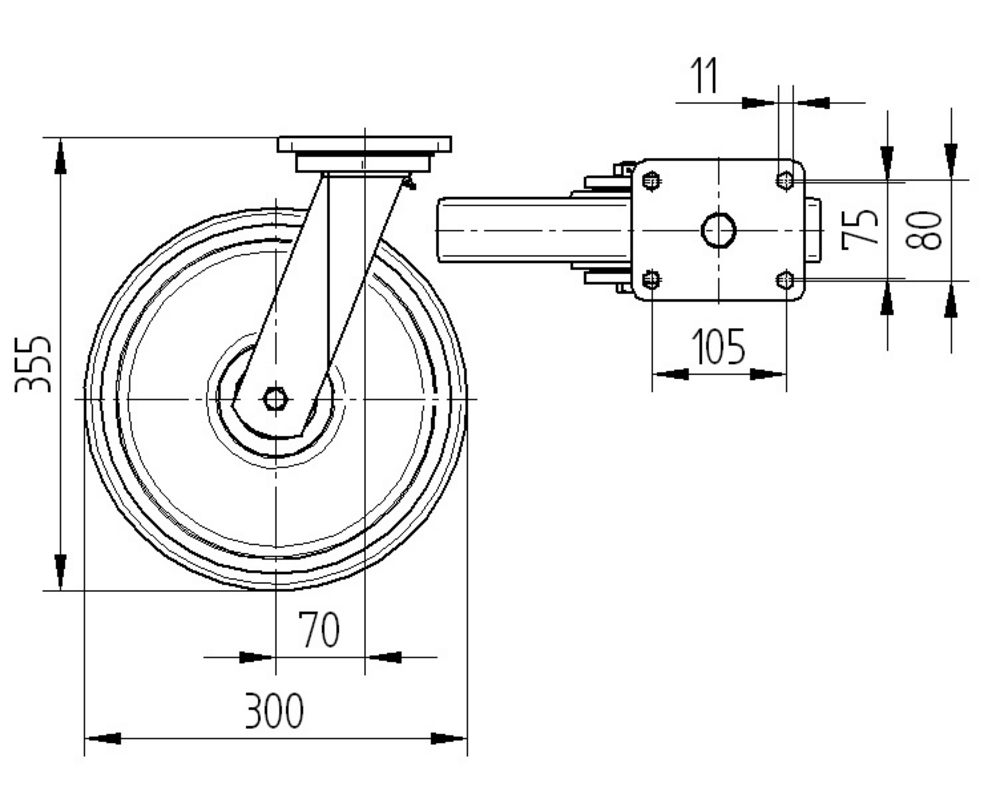
The Kappa load swivel castor features a medium rectangular plate fitting for secure mounting applications. The housing is constructed from iron forged, heavy material and incorporates a deep-groove ball thrust roller bearing swivel mechanism for smooth directional changes under load. The wheel assembly comprises a cast iron body with polyurethane, casted tread material, mounted on precision ball bearings for optimal rolling performance. With a wheel diameter of 300 mm, the castor has an overall height of 355 mm. Load capacity specifications include dynamic ratings of 1440 kg at 4 km/h and 1200 kg at 6 km/h operating speeds, whilst the static load capacity reaches 2400 kg. This heavy-duty castor is engineered for demanding applications including airport equipment, AMR systems, automotive OEM, ceramic and glass manufacturers, production and platform trolleys, and AGV systems.
Roll performance
Movement noise
Attrition
Corrosion resistance
Article numbers
Article Number
9650FTP300P63 CL67
EAN
4031582314274
S4 Material Number
990830239
Core attributes
Type
Swivel castor
Overall width
110 mm
Load capacity at 4 km/h
1440 kg
Load capacity at 6 km/h
1200 kg
Load capacity Static
2400 kg
Overall height
355 mm
Temperature range (Maximum)
60 °C
Temperature range (Minimum)
-10 °C
Overall weight
14.79 kg
Product name
Kappa load
Standard
EN12533 - Heavy Duty Castors
Electric conductive
Stainless
Fitting
Fitting type
Medium rectangular plate
Plate hole diameter
11 mm
Plate hole length (Maximum)
80 mm
Plate hole length (Minimum)
75 mm
Plate hole width (Maximum)
105 mm
Plate hole width (Minimum)
75 mm
Plate length
135 mm
Plate width
110 mm
Housing
Colour
Blue passivated
Fork shape
Broad, reinforced
Material fork
Iron forged, heavy
Swivel bearing
Deep-groove ball thrust roller bearing
Dome diameter
111 mm
Swivel interference
445 mm
Offset
70 mm
Swivel radius
222.5 mm
Wheel
Hardness of tread (A)
92 Shore A
Hardness of tread (D)
42 Shore D
Body material
Cast iron
Tread material
Polyurethane, casted
Tread width
50 mm
Diameter
300 mm
Body width
50 mm
Threadguards
With threadguard
Axle
Screwed with nut
Bearing
Precision ball bearing
Wheel color
Honey yellow (RAL1005)
special-features-image
Special Features
Non-hazardous materials
Complies with RoHS and REACH regulations. Does not contain polycyclic aromatic carbons or chromium (VI).
Tested quality
Tested in our own laboratory for compliance with European standards.
Solid housing
Made of pressed steel, zinc plated.
Strong construction
Housing made of heavy steel for high load capacity.
Low-maintenance wheels
Thread guards for unobstructed operation with minimal cleaning effort.
Non-marking movement
Wheels with reduced abrasion and little cleaning requirement.
Ergonomically friendly use
Wheels with optimised roll resistance to lighten the load for the user.
Skip product gallery

Accessories

Wheel 300 mm
Novatech
FTP 300x80-Ø30 HL92

The Novatech castor wheel features a robust cast iron body construction with a casted polyurethane tread, measuring 300mm in diameter with an 80mm tread width and 92mm hub length, whilst incorporating a precision ball bearing system and 30mm axle hole diameter. This industrial wheel delivers exceptional load performance with a static load capacity of 4000kg and dynamic load capacities of 2400kg at speeds up to 4km/h or 2000kg at speeds up to 6km/h, making it suitable for demanding material handling applications.

300 mm
2400 kg
300 mm
2400 kg
Skip product gallery

Matching Products

Variants
Swivel castor with directional lock 300 mm
Swivel castor with directional lock 300 mm
Kappa load
9651FTP300P63 CL67

The Kappa load is a swivel castor with directional lock designed for heavy-duty industrial applications. It features a medium rectangular plate fitting for secure mounting. The housing is constructed from iron forged, heavy material and incorporates a deep-groove ball thrust roller bearing swivel mechanism for smooth operation. The wheel consists of a cast iron body with polyurethane, casted tread material and precision ball bearing for optimal performance and durability. With a wheel diameter of 300 mm, the castor has an overall height of 355 mm. Load capacity specifications include dynamic loads of 1440 kg at 4 km/h and 1200 kg at 6 km/h, with a static load capacity of 2400 kg. This robust castor is suitable for demanding applications including airport equipment, AMR systems, automotive OEM, ceramic and glass manufacturers, production and platform trolleys, and AGV systems.

300 mm
355 mm
1440 kg
300 mm
355 mm
1440 kg
Variants
Swivel castor with total lock, head end of castor 300 mm
Swivel castor with total lock, head end of castor 300 mm
Kappa load
9652FTP300P63 CL67

The Kappa load is a swivel castor with total lock, head end of castor, designed for heavy-duty industrial applications. It features a medium rectangular plate fitting for secure mounting to equipment. The housing is constructed from iron forged, heavy material and incorporates a deep-groove ball thrust roller bearing swivel bearing system for smooth operation and durability. The wheel comprises a cast iron body with polyurethane, casted tread material, providing excellent wear resistance and floor protection, whilst precision ball bearing ensures reliable performance. The wheel diameter measures 300 mm with an overall height of 355 mm. Load capacity specifications include dynamic loads of 1440 kg at 4 km/h and 1200 kg at 6 km/h, with a static load capacity of 2400 kg. This castor is suitable for airport equipment, AMR systems, automotive OEM, ceramic and glass manufacturers, production and platform trolleys, and AGV systems.

300 mm
355 mm
1440 kg
300 mm
355 mm
1440 kg
Skip product gallery

Matching Products

Variants
Swivel castor with directional lock 300 mm
Swivel castor with directional lock 300 mm
Kappa load
9651FTP300P63 CL67

The Kappa load is a swivel castor with directional lock designed for heavy-duty industrial applications. It features a medium rectangular plate fitting for secure mounting. The housing is constructed from iron forged, heavy material and incorporates a deep-groove ball thrust roller bearing swivel mechanism for smooth operation. The wheel consists of a cast iron body with polyurethane, casted tread material and precision ball bearing for optimal performance and durability. With a wheel diameter of 300 mm, the castor has an overall height of 355 mm. Load capacity specifications include dynamic loads of 1440 kg at 4 km/h and 1200 kg at 6 km/h, with a static load capacity of 2400 kg. This robust castor is suitable for demanding applications including airport equipment, AMR systems, automotive OEM, ceramic and glass manufacturers, production and platform trolleys, and AGV systems.

300 mm
355 mm
1440 kg
300 mm
355 mm
1440 kg
Variants
Swivel castor with total lock, head end of castor 300 mm
Swivel castor with total lock, head end of castor 300 mm
Kappa load
9652FTP300P63 CL67

The Kappa load is a swivel castor with total lock, head end of castor, designed for heavy-duty industrial applications. It features a medium rectangular plate fitting for secure mounting to equipment. The housing is constructed from iron forged, heavy material and incorporates a deep-groove ball thrust roller bearing swivel bearing system for smooth operation and durability. The wheel comprises a cast iron body with polyurethane, casted tread material, providing excellent wear resistance and floor protection, whilst precision ball bearing ensures reliable performance. The wheel diameter measures 300 mm with an overall height of 355 mm. Load capacity specifications include dynamic loads of 1440 kg at 4 km/h and 1200 kg at 6 km/h, with a static load capacity of 2400 kg. This castor is suitable for airport equipment, AMR systems, automotive OEM, ceramic and glass manufacturers, production and platform trolleys, and AGV systems.

300 mm
355 mm
1440 kg
300 mm
355 mm
1440 kg