Skip to main content Skip to search Skip to main navigation
Welcome to our newly redesigned website!
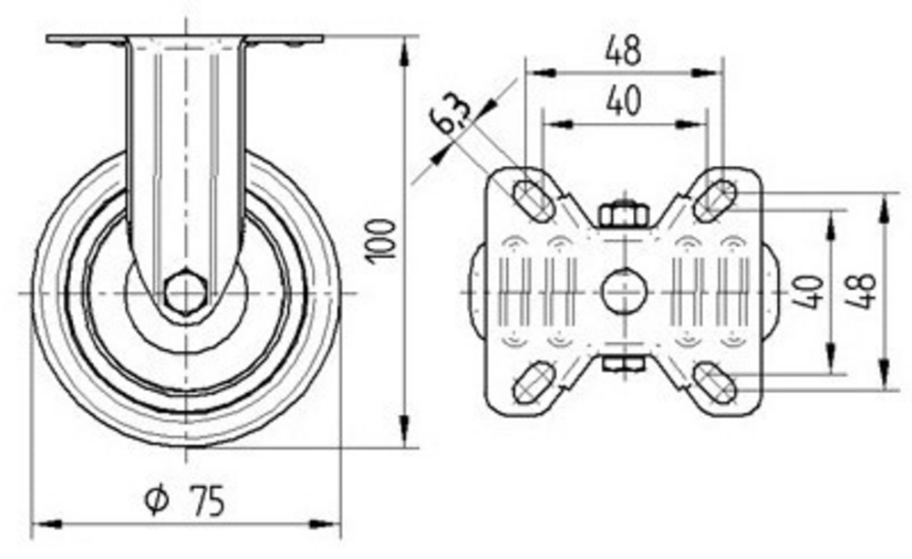
The Agila fixed castor features a rectangular plate fitting for secure mounting applications. The housing is constructed from steel sheet, medium grade, providing robust structural integrity for industrial use. The wheel incorporates a sheet steel body with solid rubber, black, electric-conductive tread material, mounted on cone ball bearing for smooth operation and electrical conductivity. The wheel diameter measures 75 mm, whilst the overall height of the complete assembly is 100 mm. Load specifications include a dynamic capacity of 55 kg at 3 km/h operating speed and a static load capacity of 110 kg. This castor is specifically designed for applications including care beds, catering carts and meal delivery systems, hospitals, nursing and retirement homes, professional cleaning carts, and store fixtures and display equipment.
Roll performance
Movement noise
Attrition
Corrosion resistance
Article numbers
Article Number
2478DYK075P60-67X60
EAN
4031582344523
S4 Material Number
990028590
Core attributes
Type
Fixed castor
Overall width
43 mm
Load capacity at 3 km/h
55 kg
Load capacity Static
110 kg
Overall height
100 mm
Temperature range (Maximum)
60 °C
Temperature range (Minimum)
-20 °C
Overall weight
0.29 kg
Product name
Agila
Standard
EN12530 - Devices Castors
Electric conductive
Stainless
Fitting
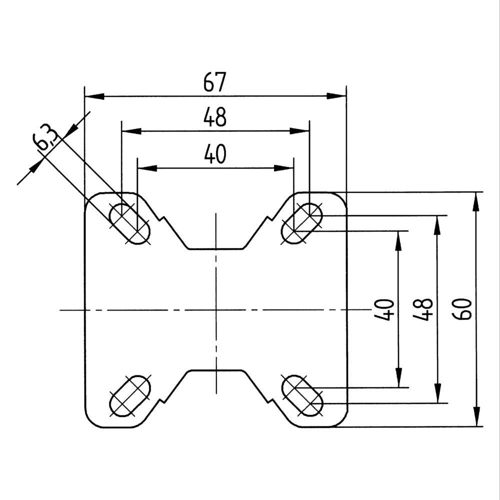
Fitting type
Rectangular plate
Plate hole diameter
6.3 mm
Plate hole length (Maximum)
48 mm
Plate hole length (Minimum)
40 mm
Plate hole width (Maximum)
48 mm
Plate hole width (Minimum)
40 mm
Plate length
67 mm
Plate width
60 mm
Housing
Colour
Blue passivated
Fork shape
Broad
Material fork
Steel sheet, medium
Swivel bearing
Two ball races
Dome diameter
43 mm
Wheel
Hardness of tread (A)
80 Shore A
Body material
Sheet Steel
Tread material
Solid rubber, black, electric-conductive
Tread width
25 mm
Diameter
75 mm
Body width
25 mm
Threadguards
With threadguard
Bearing
Cone ball bearing
Wheel color
Blue passivated
special-features-image
Special Features
Non-hazardous materials
Complies with RoHS and REACH regulations. Does not contain polycyclic aromatic carbons or chromium (VI).
Tested quality
Tested in our own laboratory for compliance with European standards.
Solid housing
Made of pressed steel, zinc plated.
Variable fitting options
Different fitting dimensions for a large range of applications.
Resource-conserving part replacement
Threaded axles allow effortless wheel change.
Low-maintenance wheels
Thread guards for unobstructed operation with minimal cleaning effort.
Certified conductivity
Conductive version to protect users and electrical devices from electrostatic discharge.
Skip product gallery

Accessories

Wheel 75 mm
Puretech
DIK 075x25-Ø6,1

The Puretech wheel is engineered with a sheet steel body and features a 75 mm diameter with a solid rubber, non-marking tread measuring 25 mm in width. The wheel incorporates a cone ball bearing system and has a hub length of 28 mm with a 6 mm axle hole diameter. Load specifications include a dynamic capacity of 55 kg at speeds up to 3 km/h and a static load capacity of 110 kg, making it suitable for demanding industrial castor applications requiring reliable performance and floor protection.

75 mm
55 kg
75 mm
55 kg