Skip to main content Skip to search Skip to main navigation
Welcome to our newly redesigned website!
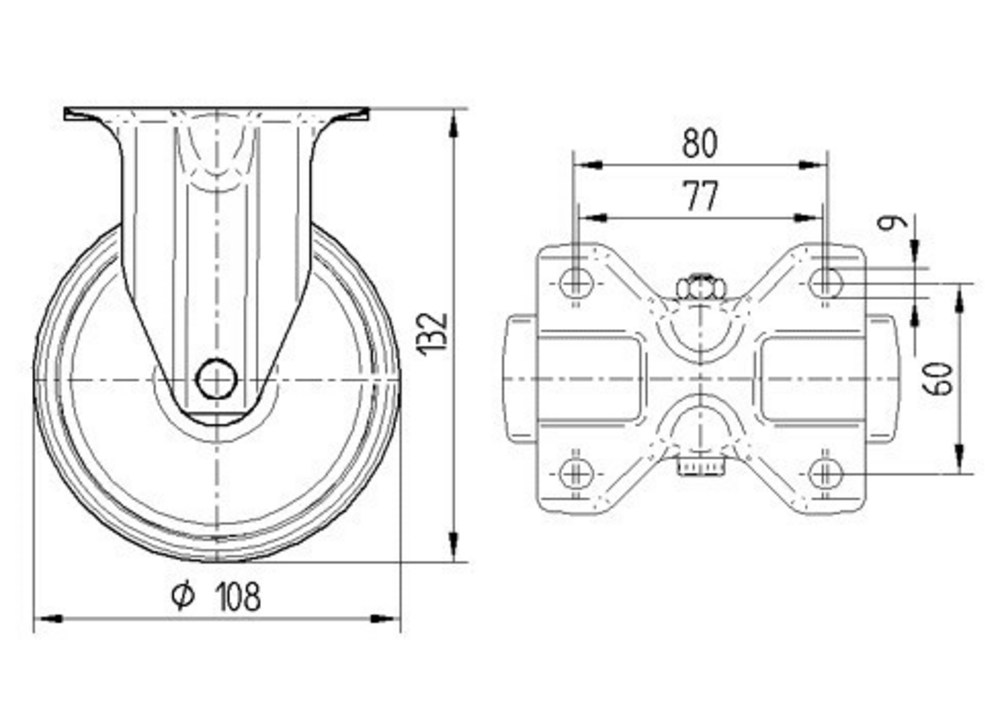
The Alpha fixed castor features a small rectangular plate fitting for secure mounting applications. The housing is constructed from heavy steel sheet material, providing robust durability and structural integrity. The wheel incorporates a 108 mm diameter polypropylene body with tread material identical to the wheel body, supported by precision roller bearings for smooth operation. The castor has an overall height of 132 mm, making it suitable for various industrial applications. Load specifications include a dynamic capacity of 150 kg at speeds up to 4 km/h and a static load capacity of 300 kg. This castor is designed for demanding environments including automotive OEM, catering carts and meal delivery systems, container construction, electronic systems and clean-room technology, fire fighting technology and fire protection, machine construction, post logistic systems, production and platform trolleys, roll cages, tool cabinets, transport equipment, waste disposal equipment, and work benches.
Roll performance
Movement noise
Attrition
Corrosion resistance
Article numbers
Article Number
3478POJ108P62 T/G-small
EAN
4031582306613
S4 Material Number
990000936
Core attributes
Type
Fixed castor
Overall width
85 mm
Load capacity at 4 km/h
150 kg
Load capacity Static
300 kg
Overall height
132 mm
Temperature range (Maximum)
60 °C
Temperature range (Minimum)
-20 °C
Overall weight
0.41 kg
Product name
Alpha
Standard
EN12532 - Transport Equipment
Electric conductive
Stainless
Fitting
Fitting type
Small rectangular plate
Plate hole diameter
9 mm
Plate hole length (Maximum)
60 mm
Plate hole length (Minimum)
77 mm
Plate hole width (Maximum)
80 mm
Plate hole width (Minimum)
77 mm
Plate length
103 mm
Plate width
85 mm
Housing
Colour
Blue passivated
Fork shape
Broad
Material fork
Steel sheet, heavy
Swivel bearing
Two ball races
Wheel
Hardness of tread (D)
65 Shore D
Body material
Polypropylene
Tread material
Identical with wheel body
Tread width
36 mm
Diameter
108 mm
Body width
36 mm
Threadguards
With threadguard
Axle
Screwed with nut
Bearing
Roller bearing
Wheel color
Graphite black (RAL9011)
special-features-image
Special Features
Non-hazardous materials
Complies with RoHS and REACH regulations. Does not contain polycyclic aromatic carbons or chromium (VI).
Tested quality
Tested in our own laboratory for compliance with European standards.
Solid housing
Made of pressed steel, zinc plated.
Variable fitting options
Different fitting dimensions for a large range of applications.
Resource-conserving part replacement
Threaded axles allow effortless wheel change.
Uninterrupted use
Swivel bearing with dust ring for continuous, uninterrupted movement.
Low wear and tear wheels
Durable wheels with extremely low wear and tear properties.
Low-maintenance wheels
Thread guards for unobstructed operation with minimal cleaning effort.
Skip product gallery

Accessories

Wheel 108 mm
Basetech
POR 108x36-Ø12 HL44,4

The Basetech wheel features a polypropylene body construction with an identical tread material, measuring 108 mm in diameter with a 36 mm tread width and 44.4 mm hub length, incorporating a 12 mm axle hole diameter and roller bearing system. This wheel delivers a dynamic load capacity of 160 kg at speeds up to 4 km/h and a static load capacity of 320 kg, making it suitable for demanding castor applications requiring reliable performance and durability in industrial and commercial environments.

108 mm
160 kg
108 mm
160 kg