Zum Hauptinhalt springen Zur Suche springen Zur Hauptnavigation springen
Willkommen auf unserer neu gestalteten Website!
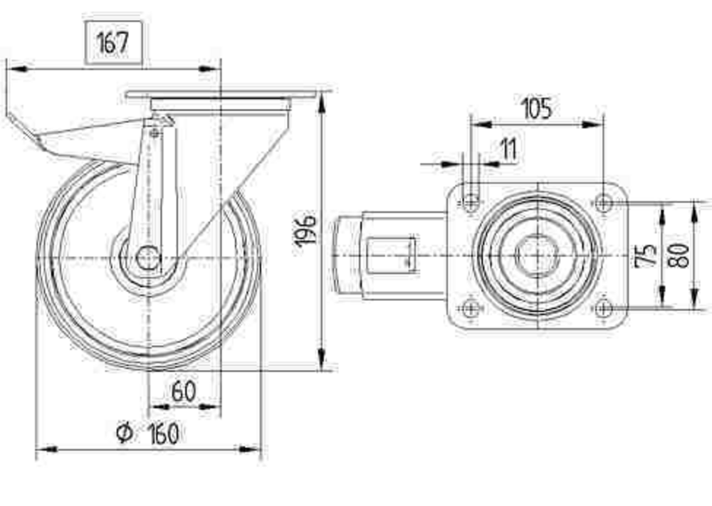
Die Alpha stainless Lenkrolle mit Totalfeststeller ist mit einer mittelgroßen rechteckigen Platte ausgestattet und eignet sich für vielseitige industrielle Anwendungen. Das Gehäuse besteht aus rostfreiem Stahl in schwerer Ausführung und verfügt über ein zweireihiges Kugelbahn-Schwenklager für hohe Belastbarkeit und Langlebigkeit. Das Rad mit einem Durchmesser von 160 mm kombiniert einen Polypropylen-Radkörper mit einer Lauffläche aus thermoplastischem Gummi und ist mit rostfreien Rollenlagern ausgestattet. Die Gesamthöhe der Rolle beträgt 200 mm. Die dynamische Tragfähigkeit liegt bei 200 kg bei einer Geschwindigkeit von 4 km/h, während die statische Belastbarkeit 400 kg erreicht. Typische Einsatzgebiete umfassen Speisewagen und Mahlzeitenauslieferungssysteme, Containerbau, elektronische Systeme und Reinraumtechnik, Brandbekämpfungstechnik, Maschinenbau sowie Transportequipment.
Rollenleistung
Bewegungsgeräusche
Attrition
Korrosionsbeständigkeit
Artikelnummern
Artikelnummer
8477PJD160P63 TFR
EAN
4031582386769
Kernattribute
Typ
Lenkrolle mit Totalfeststeller
Tragfähigkeit bei 4 km/h
200 kg
Statische Tragfähigkeit
400 kg
Bauhöhe
200 mm
Temperaturbereich (Maximum)
60 °C
Temperaturbereich (Minimum)
-20 °C
Gesamtgewicht
2,02 kg
Produktname
Alpha stainless
Norm
EN12532 - Transportgeräte
Elektrisch-leitfähig
Rostfrei
Montage
Befestigungsart
Mittelgroße rechteckige Platte
Plattenloch Durchmesser
11 mm
Plattenlochlänge (Maximum)
105 mm
Plattenlochbreite (Maximum)
80 mm
Plattenlochbreite (Minimum)
75 mm
Plattenlänge
137 mm
Plattenbreite
105 mm
Gehäuse
Gabelform
Bauchig
Material
Rostfreier Stahl, schwer
Schwenklager
Kugelbahn, zweireihig
Störkreis
334 mm
Ausladung
60 mm
Schwenkradius
167 mm
Rad
Härte der Lauffläche (A)
87 Shore A
Material des Radkörpers
Polypropylen
Material der Lauffläche
Thermoplastischer Gummi
Breite der Lauffläche
46 mm
Durchmesser
160 mm
Achse
Verschraubt
Lager
Rollenlager, Rostfrei
special-features-image
Besondere Merkmale
Unbedenkliche Materialien
Entspricht RoHS und REACH. Enthält keine polyzyklischen aromatischen Kohlenwasserstoffe oder Chrom (VI)
Geprüfte Qualität
In unserem eigenen Labor geprüft auf Konformität mit europäischen Normen
Solides Gehäuse
Hergestellt aus gepresstem, verzinktem Stahl
Verhindert Wegrollen
Radfeststeller für manuelle Betätigung
Gesicherter Stand
Totalfeststeller für gleichzeitige Blockierung von Rad und Drehgehäuse
Variable Befestigung
Unterschiedliche Befestigungsmaße für vielfältige Anwendungen
Ressourcenschonender Teiletausch
Gewindeachsen für mühelosen Radwechsel
Störungsfreier Einsatz
Schwenklager mit Staubring für kontinuierliche Bewegung
Spurenlose Bewegung
Räder mit reduziertem Abrieb und geringem Reinigungsbedarf
Leichte Lenkbarkeit
Drehkopf mit zweireihigem Kugellager
Dauerhafte Waschbarkeit
Alle Metallteile aus Edelstahl
Wartungsarme Materialien
Alle Metallteile aus Aluminium oder rostfreiem Edelstahl
Produktgalerie überspringen

Crossselling

Varianten
Lenkrolle 160 mm
Lenkrolle 160 mm
Alpha stainless
8470PJD160P63 TFR

Die Alpha stainless Lenkrolle ist mit einer mittelgroßen rechteckigen Platte als Befestigung ausgestattet und verfügt über ein Gehäuse aus rostfreiem Stahl, schwer, das mit einem zweireihigen Kugelbahn-Schwenklager versehen ist. Das Rad besteht aus einem Polypropylen-Radkörper mit einer Lauffläche aus thermoplastischem Gummi und ist mit rostfreien Rollenlagern ausgerüstet, wobei der Raddurchmesser 160 mm beträgt. Die Gesamthöhe der Rolle misst 200 mm. Die dynamische Tragfähigkeit liegt bei 200 kg bei einer Geschwindigkeit von 4 km/h, während die statische Tragfähigkeit 400 kg erreicht. Anwendungsgebiete umfassen Speisewagen & Mahlzeitenauslieferungssysteme, Containerbau, elektronische Systeme und Reinraumtechnik, Brandbekämpfungstechnik und Brandschutz, Maschinenbau sowie Transportequipment.

Mittlere Last
160 mm
200 mm
Mittlere Last
160 mm
200 mm
Varianten
Bockrolle 160 mm
Bockrolle 160 mm
Alpha stainless
8478PJD160P63 TFR

Die Bockrolle Alpha stainless ist mit einer mittelgroßen rechteckigen Platte als Befestigungselement ausgestattet. Das Gehäuse besteht aus rostfreiem Stahl in schwerer Ausführung und gewährleistet hohe Stabilität und Korrosionsbeständigkeit. Das Rad verfügt über einen Körper aus Polypropylen mit einer Lauffläche aus thermoplastischem Gummi, wodurch eine optimale Kombination aus Verschleißfestigkeit und Laufruhe erreicht wird. Die Lagerung erfolgt über ein rostfreies Rollenlager, das für langanhaltende Funktionsfähigkeit sorgt. Der Raddurchmesser beträgt 160 mm bei einer Gesamthöhe von 200 mm. Die dynamische Tragfähigkeit liegt bei 200 kg bei einer Geschwindigkeit von 4 km/h, während die statische Belastbarkeit 400 kg erreicht.

Mittlere Last
160 mm
200 mm
Mittlere Last
160 mm
200 mm