Zum Hauptinhalt springen Zur Suche springen Zur Hauptnavigation springen
Willkommen auf unserer neu gestalteten Website!

CAD-Dateien

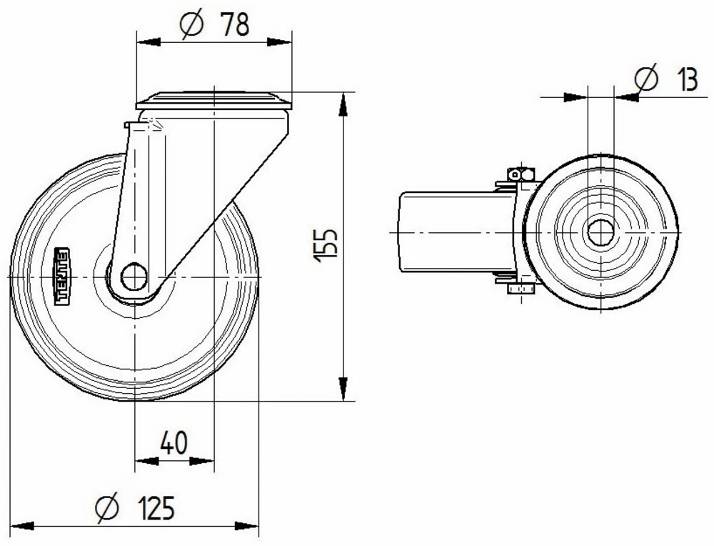
Die Lenkrolle Alpha verfügt über eine Anschraubloch-Befestigung und ein robustes Gehäuse aus schwerem Stahlblech mit zweireihigem Kugelbahn-Schwenklager. Das Rad besteht aus einem Polyamid-Grundkörper mit vulkanisiertem, spurlosem Elastikreifen und ist mit einem Rollenlager ausgestattet. Der Raddurchmesser beträgt 125 mm bei einer Gesamtbauhöhe von 155 mm. Die dynamische Tragfähigkeit liegt bei 150 kg bei einer Geschwindigkeit von 4 km/h, während die statische Belastbarkeit 300 kg erreicht. Diese vielseitige Rolle eignet sich für Anwendungen in Automobil-OEM, Speisewagen, Containerbau, Reinraumtechnik, Brandschutztechnik, Maschinenbau, Postlogistik, Produktionswagen, Rollkäfige, Werkzeugschränke, Transportequipment, Abfallentsorgung und Werkbänke.
Rollenleistung
Bewegungsgeräusch
Abnutzung
Korrosionsbeständigkeit
Artikelnummern
Артикулен номер
3470UFR125P30-13
EAN
4031582304428
Номер на материал S4
990061098
Kernattribute
Тип
Lenkrolle
Обща ширина
75 mm
Товароносимост при 4 км/ч
150 kg
Статичен Товароносимост
300 kg
Обща височина
155 mm
Температурен диапазон (максимален)
80 °C
Температурен диапазон (минимален)
-20 °C
Общо тегло
0,99 kg
Име на продукта
Alpha
Стандартен
EN12532 - Transportgeräte
Електропроводим
Неръждаемост
Anpassung
Тип на фитинга
Anschraubloch
Диаметър на отворите Болт
13 mm
Gehäuse
Цвят
Blaupassiviert
Форма Вилица
Bauchig
Материал
Stahlblech, schwer
Въртящ се лагер
Kugelbahn, zweireihig
Диаметър на купол
75 mm
Интерференция при завъртане
205 mm
Изместване
40 mm
Радиус на завъртане
102,5 mm
Rad
Твърдост на Резба (A)
63 Shore A
Материал на тялото
Polyamid
Материал на реазбата
Elastikreifen, spurlos, vulkanisiert
Ширина на Резба
40 mm
Диаметър
125 mm
Ширина на тялото
40 mm
Предпазители за резби
Ohne Fadenschutz
Oc
Verschraubt
Лагер
Rollenlager
Цвят на Колело
Silbergrau (RAL7001)
special-features-image
Besondere Merkmale
TENTE's OMIKRON castors are engineered for exceptional performance under extreme conditions. Featuring a solid welded steel construction, these castors can transport the heaviest loads with high steering stability and excellent maneuverability.
Unbedenkliche Materialien
Entspricht RoHS und REACH. Enthält keine polyzyklischen aromatischen Kohlenwasserstoffe oder Chrom (VI)
Geprüfte Qualität
In unserem eigenen Labor geprüft auf Konformität mit europäischen Normen
Solides Gehäuse
Hergestellt aus gepresstem, verzinktem Stahl
Variable Befestigung
Unterschiedliche Befestigungsmaße für vielfältige Anwendungen
Ressourcenschonender Teiletausch
Gewindeachsen für mühelosen Radwechsel
Störungsfreier Einsatz
Schwenklager mit Staubring für kontinuierliche Bewegung
Spurenlose Bewegung
Räder mit reduziertem Abrieb und geringem Reinigungsbedarf
Geräuscharmer Lauf
Weiche Radvarianten für ein geräuscharmes Arbeitsumfeld
Leichte Lenkbarkeit
Drehkopf mit zweireihigem Kugellager
Erschütterungsarmer Transport
Extra weiche Räder mit guten Dämpfungseigenschaften
Produktgalerie überspringen

Zubehör

Rad 125 mm
Elastech
UER 125x40-Ø12

Das Elastech Rad für Rollen verfügt über einen Durchmesser von 125 mm und eine Laufflächenbreite von 40 mm. Der Radkörper besteht aus Polyamid, während die Lauffläche aus schwarzem, vulkanisiertem Elastikreifen gefertigt ist. Die Nabe hat eine Länge von 44 mm mit einem Achslochbohrung von 12 mm Durchmesser und ist mit einem Rollenlager ausgestattet. Die dynamische Tragfähigkeit beträgt 250 kg bei einer Geschwindigkeit von 4 km/h, die statische Tragfähigkeit liegt bei 500 kg.

125 mm
Mittlere Last
125 mm
Mittlere Last
Produktgalerie überspringen

Crossselling

Varianten
Lenkrolle mit Totalfeststeller 125 mm
Lenkrolle mit Totalfeststeller 125 mm
Alpha
3477UFR125P30-13

Die Alpha Lenkrolle mit Totalfeststeller verfügt über eine Anschraubloch-Befestigung für sichere Montage. Das Gehäuse besteht aus Stahlblech, schwer und ist mit einem zweireihigen Kugelbahn-Schwenklager ausgestattet, das präzise Lenkbewegungen ermöglicht. Das Rad mit 125 mm Durchmesser besitzt einen Polyamid-Radkörper und einen spurlosen, vulkanisierten Elastikreifen als Lauffläche sowie ein Rollenlager für optimale Laufeigenschaften. Die Gesamthöhe beträgt 155 mm. Die dynamische Tragfähigkeit liegt bei 150 kg bei einer Geschwindigkeit von 4 km/h, während die statische Belastbarkeit 300 kg erreicht. Diese Rolle eignet sich für vielfältige Anwendungen wie Automobil-OEM, Maschinenbau, Produktions- und Plattformwagen, Transportequipment, Werkbänke, Rollkäfige, Werkzeugschränke sowie Elektronische Systeme und Reinraumtechnik.

125 mm
Mittlere Last
155 mm
125 mm
Mittlere Last
155 mm