Zum Hauptinhalt springen Zur Suche springen Zur Hauptnavigation springen
Willkommen auf unserer neu gestalteten Website!
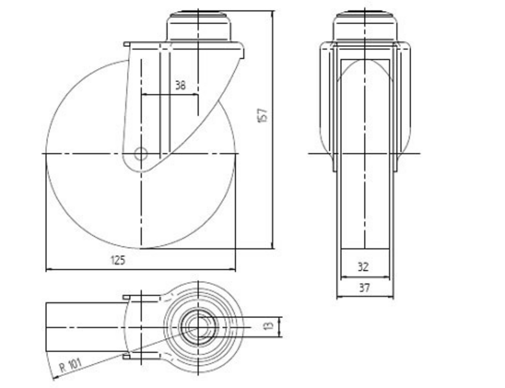
Die Lenkrolle Stora ist mit einem Anschraubloch als Befestigungssystem ausgestattet und verfügt über ein robustes Gehäuse aus Stahlblech, mittel, das mit einem Präzisionskugellager für optimale Schwenkbewegungen versehen ist. Das Rad besteht aus einem Polypropylen-Radkörper mit einer Lauffläche aus thermoplastischem Gummi, antistatisch, und ist mit einem Präzisionskugellager gelagert, wobei der Raddurchmesser 125 mm beträgt. Die Gesamthöhe der Rolle misst 157 mm. Die dynamische Tragfähigkeit liegt bei 100 kg bei einer Geschwindigkeit von 3 km/h, während die statische Belastbarkeit 200 kg erreicht. Diese Lenkrolle eignet sich besonders für Einkaufswagen sowie Ladeneinrichtungen und Displays.
Rollenleistung
Bewegungsgeräusch
Abnutzung
Korrosionsbeständigkeit
Artikelnummern
Artikelnummer
2340PHP125P30-13
EAN
4031582357646
Core attributes
Typ
Lenkrolle
Tragfähigkeit bei 3 km/h
100 kg
Statische Tragfähigkeit
200 kg
Bauhöhe
157 mm
Temperaturbereich (Maximum)
60 °C
Temperaturbereich (Minimum)
-20 °C
Produktname
Stora
Elektrisch-leitfähig
Rostfrei
Fitting
Befestigungsart
Anschraubloch
Rückenloch Durchmesser
13 mm
Housing
Gabelform
Schlank
Material
Stahlblech, mittel
Schwenklager
Präzisionskugellager
Störkreis
201 mm
Ausladung
38 mm
Schwenkradius
100.5 mm
Wheel
Härte der Lauffläche (A)
87 Shore A
Material des Radkörpers
Polypropylen
Material der Lauffläche
Thermoplastischer Gummi, antistatisch
Breite der Lauffläche
32 mm
Durchmesser
125 mm
Fadenschutz
Mit Fadenschutz
Lager
Präzisionskugellager
special-features-image
Spezielle Funktionen
Ungefährliche Materialien
Entspricht den RoHS- und REACH-Vorschriften. Enthält keine polyzyklischen aromatischen Kohlenwasserstoffe oder Chrom (VI).
Geprüfte Qualität
In unserem eigenen Labor auf Einhaltung der europäischen Normen getestet.
Robustes Gehäuse
Aus gepresstem Stahl, verzinkt.
Variable Anpassungsoptionen
Unterschiedliche Einbaumasse für ein breites Anwendungsspektrum.
Ressourcenschonender Teilersatz
Gewindewellen ermöglichen einen mühelosen Radwechsel.
Wartungsarme Räder
Gewindeschutzkappen für ungehinderten Betrieb mit minimalem Reinigungsaufwand.
Spurlose Bewegung
Scheiben mit reduziertem Abrieb und geringem Reinigungsbedarf.
Chemikalienbeständige Komponenten
Unempfindlich gegenüber vielen Reinigungsmitteln und chemischen Substanzen.
Effiziente Selbstreinigung
Fahrwerkrollen mit automatisch selbstreinigenden Laufflächen.