Zum Hauptinhalt springen Zur Suche springen Zur Hauptnavigation springen
Willkommen auf unserer neu gestalteten Website!
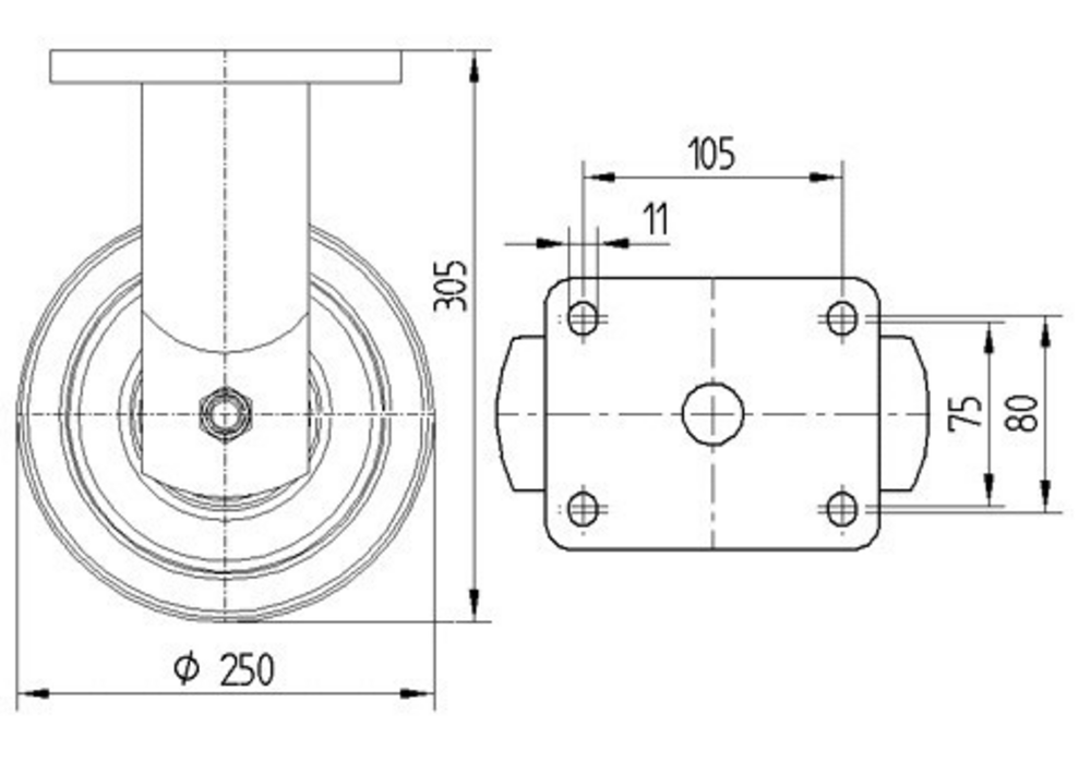
Die Bockrolle Kappa ist mit einer mittelgroßen rechteckigen Platte als Befestigung ausgestattet und verfügt über ein Gehäuse aus Schmiedeeisen, schwer. Das Rad besteht aus einem Aluminiumkörper mit Elastikreifen, schwarz, vulkanisiert als Lauffläche und ist mit Präzisionskugellagern gelagert. Der Raddurchmesser beträgt 250 mm bei einer Gesamthöhe von 305 mm. Die dynamische Tragfähigkeit liegt bei 500 kg bei 4 km/h und 400 kg bei 6 km/h, während die statische Tragfähigkeit 1000 kg erreicht. Diese Rolle eignet sich für anspruchsvolle Anwendungen in der Luft- und Raumfahrtindustrie, Flughafenausrüstung, AMR-Systeme, Automobil-OEM, Keramik- und Glashersteller, Produktions- und Plattformwagen sowie schwere AGV-Systeme.
Rollenleistung
Bewegungsgeräusch
Abnutzung
Korrosionsbeständigkeit
Artikelnummern
Artikelnummer
9688IEP250P63 CL67
EAN
4031582316438
S4-Materialnummer
990803233
Core attributes
Typ
Bockrolle
Gesamtbreite
98 mm
Tragfähigkeit bei 4 km/h
500 kg
Tragfähigkeit bei 6 km/h
400 kg
Statische Tragfähigkeit
1000 kg
Bauhöhe
305 mm
Temperaturbereich (Maximum)
85 °C
Temperaturbereich (Minimum)
-20 °C
Gesamtgewicht
5.13 kg
Produktname
Kappa
Norm
EN12532 - Transportgeräte
Elektrisch-leitfähig
Rostfrei
Fitting
Befestigungsart
Mittelgroße rechteckige Platte
Plattenloch Durchmesser
11 mm
Plattenlochlänge (Maximum)
80 mm
Plattenlochlänge (Minimum)
75 mm
Plattenlochbreite (Maximum)
105 mm
Plattenlochbreite (Minimum)
75 mm
Plattenlänge
135 mm
Plattenbreite
110 mm
Housing
Farbe
Blaupassiviert
Gabelform
Bauchig, verstärkt
Material
Schmiedeeisen, schwer
Schwenklager
Kugelbahn, zweireihig, verstärkt oder rostfrei
Dom Durchmesser
96 mm
Wheel
Härte der Lauffläche (A)
68 Shore A
Material des Radkörpers
Aluminium
Material der Lauffläche
Elastikreifen, schwarz, vulkanisiert
Breite der Lauffläche
50 mm
Durchmesser
250 mm
Breite des Radkörpers
50 mm
Fadenschutz
Ohne Fadenschutz
Achse
Verschraubt
Lager
Präzisionskugellager
Radfarbe
Strahlschwarz (ähnlich RAL9005)
special-features-image
Spezielle Funktionen
Ungefährliche Materialien
Entspricht den RoHS- und REACH-Vorschriften. Enthält keine polyzyklischen aromatischen Kohlenwasserstoffe oder Chrom (VI).
Geprüfte Qualität
In unserem eigenen Labor auf Einhaltung der europäischen Normen getestet.
Robustes Gehäuse
Aus gepresstem Stahl, verzinkt.
Ressourcenschonender Teilersatz
Gewindewellen ermöglichen einen mühelosen Radwechsel.
Unterbrechungsfreier Betrieb
Drehgelenk mit Staubring für kontinuierliche, unterbrechungsfreie Bewegung.
Robuste Konstruktion
Gehäuse aus schwerem Stahl für hohe Tragfähigkeit.
Zuverlässige Traktion
Traktionsoptimierte Profilsohlen für sicheren Halt auf nassen und rutschigen Böden.
Solide Konstruktion
Massive Stahlplatte für maximale Tragfähigkeit.
Leiser Lauf
Ausführungen mit Weichrädern für eine ruhige Arbeitsumgebung.
Vibrationsarmer Transport
Extraweiche Räder mit guten stossdämpfenden Eigenschaften.
Optimierte Richtungssperre
Die Richtungssperre kann nach Ihren Anforderungen auf 2x180° oder 4x90° eingestellt werden.
Langlebige Oberflächen
Extra hochwertige Verzinkung für eine lange Lebensdauer unter rauen Betriebsbedingungen.
Extrem robuste Konstruktion
Geschweisste Vollstahlkonstruktion für höchste Tragfähigkeit.
Robuste Konstruktion
Extraschweres Stahlgehäuse für hohe Tragfähigkeit.
Gehärtete Doppelkugellaufflächen
Zwei gehärtete Doppelkugelkränze garantieren aussergewöhnliche Stabilität.
Flexible Sperrfunktion
Verwendung von zwei unabhängigen Antriebssystemen in einer Lenkrolle.
Produktgalerie überspringen

Zubehör

Zubehör
Fußschutz
Foot Protection Ø250

Das Zubehör stellt eine spezialisierte Komponente für Lenkrollen dar, die zur Ergänzung und Optimierung bestehender Rollensysteme entwickelt wurde. Mit einem Gewicht von 0 kg handelt es sich um ein besonders leichtes Bauteil, das die Gesamtbelastung der Rollenkonstruktion nicht erhöht und somit ideal für gewichtssensitive Anwendungen geeignet ist, wobei die präzise Fertigung eine zuverlässige Integration in verschiedene Lenkrollensysteme gewährleistet.

Rad 250 mm
Elastech
IEP 250x50-Ø20 HL60

Das Elastech Laufrad für Lenkrollen verfügt über einen Durchmesser von 250 mm und eine Laufflächenbreite von 50 mm. Der Radkörper besteht aus Aluminium mit einem Elastikreifen, schwarz, vulkanisiert als Lauffläche. Die Nabe hat eine Länge von 60 mm mit einem Achslochbohrung von 20 mm Durchmesser und ist mit Präzisionskugellager ausgestattet. Die statische Tragfähigkeit beträgt 1000 kg, während die dynamische Belastbarkeit 500 kg bei 4 km/h und 400 kg bei 6 km/h erreicht.

250 mm
500 kg
250 mm
500 kg
Produktgalerie überspringen

Passende Produkte

Varianten
Lenkrolle mit Totalfeststeller, vorlaufend 250 mm
Lenkrolle mit Totalfeststeller, vorlaufend 250 mm
Kappa
9682IEP250P63 CL67

Die Lenkrolle mit Totalfeststeller, vorlaufend Kappa ist mit einer mittelgroßen rechteckigen Platte ausgestattet. Das Gehäuse besteht aus Schmiedeeisen, schwer und verfügt über ein Kugelbahn, zweireihig, verstärkt oder rostfrei Schwenklager. Das Rad mit einem Durchmesser von 250 mm weist einen Radkörper aus Aluminium auf, der mit einem Elastikreifen, schwarz, vulkanisiert versehen ist und über Präzisionskugellager verfügt. Die Gesamthöhe der Rolle beträgt 305 mm. Die dynamische Tragfähigkeit liegt bei 500 kg bei 4 km/h bzw. 400 kg bei 6 km/h, während die statische Tragfähigkeit 1000 kg erreicht. Typische Anwendungsbereiche umfassen Luft- und Raumfahrtindustrie, Flughafenausrüstung, AMR-Systeme, Automobil-OEM, Keramik- und Glashersteller, Produktions- und Plattformwagen sowie schwere AGV-Systeme.

250 mm
305 mm
500 kg
250 mm
305 mm
500 kg
Varianten
Lenkrolle 250 mm
Lenkrolle 250 mm
Kappa
9680IEP250P63 CL67

Die Lenkrolle Kappa ist mit einer mittelgroßen rechteckigen Platte als Befestigung ausgestattet und verfügt über ein Gehäuse aus Schmiedeeisen, schwer, das mit einem Kugelbahn, zweireihig, verstärkt oder rostfrei Schwenklager versehen ist. Das Rad besteht aus einem Aluminiumkörper mit Elastikreifen, schwarz, vulkanisiert als Lauffläche und ist mit Präzisionskugellagern ausgestattet, wobei der Raddurchmesser 250 mm beträgt. Die Gesamthöhe der Rolle misst 305 mm. Die dynamische Tragfähigkeit liegt bei 500 kg bei 4 km/h Geschwindigkeit und 400 kg bei 6 km/h, während die statische Tragfähigkeit 1000 kg erreicht. Typische Anwendungsbereiche umfassen Luft- und Raumfahrtindustrie, Flughafenausrüstung, AMR-Systeme, Automobil-OEM, Keramik- und Glashersteller, Produktions- und Plattformwagen sowie schwere AGV-Systeme.

250 mm
305 mm
500 kg
250 mm
305 mm
500 kg
Varianten
Lenkrolle mit Richtungsfeststeller 250 mm
Lenkrolle mit Richtungsfeststeller 250 mm
Kappa
9681IEP250P63 CL67

Die Lenkrolle mit Richtungsfeststeller Kappa ist mit einer mittelgroßen rechteckigen Platte ausgestattet und verfügt über ein Gehäuse aus Schmiedeeisen, schwer, das mit einem Kugelbahn, zweireihig, verstärkt oder rostfrei Schwenklager versehen ist. Das Rad besteht aus einem Aluminiumkörper mit Elastikreifen, schwarz, vulkanisiert als Lauffläche und ist mit Präzisionskugellagern ausgestattet, wobei der Raddurchmesser 250 mm beträgt. Die Gesamthöhe der Rolle beläuft sich auf 305 mm. Die dynamische Tragfähigkeit erreicht 500 kg bei 4 km/h bzw. 400 kg bei 6 km/h Fahrgeschwindigkeit, während die statische Tragfähigkeit 1000 kg beträgt. Typische Anwendungsbereiche umfassen Luft- und Raumfahrtindustrie, Flughafenausrüstung, AMR-Systeme, Automobil-OEM, Keramik- und Glashersteller, Produktions- und Plattformwagen sowie schwere AGV-Systeme.

250 mm
305 mm
500 kg
250 mm
305 mm
500 kg
Produktgalerie überspringen

Passende Produkte

Varianten
Lenkrolle mit Totalfeststeller, vorlaufend 250 mm
Lenkrolle mit Totalfeststeller, vorlaufend 250 mm
Kappa
9682IEP250P63 CL67

Die Lenkrolle mit Totalfeststeller, vorlaufend Kappa ist mit einer mittelgroßen rechteckigen Platte ausgestattet. Das Gehäuse besteht aus Schmiedeeisen, schwer und verfügt über ein Kugelbahn, zweireihig, verstärkt oder rostfrei Schwenklager. Das Rad mit einem Durchmesser von 250 mm weist einen Radkörper aus Aluminium auf, der mit einem Elastikreifen, schwarz, vulkanisiert versehen ist und über Präzisionskugellager verfügt. Die Gesamthöhe der Rolle beträgt 305 mm. Die dynamische Tragfähigkeit liegt bei 500 kg bei 4 km/h bzw. 400 kg bei 6 km/h, während die statische Tragfähigkeit 1000 kg erreicht. Typische Anwendungsbereiche umfassen Luft- und Raumfahrtindustrie, Flughafenausrüstung, AMR-Systeme, Automobil-OEM, Keramik- und Glashersteller, Produktions- und Plattformwagen sowie schwere AGV-Systeme.

250 mm
305 mm
500 kg
250 mm
305 mm
500 kg
Varianten
Lenkrolle 250 mm
Lenkrolle 250 mm
Kappa
9680IEP250P63 CL67

Die Lenkrolle Kappa ist mit einer mittelgroßen rechteckigen Platte als Befestigung ausgestattet und verfügt über ein Gehäuse aus Schmiedeeisen, schwer, das mit einem Kugelbahn, zweireihig, verstärkt oder rostfrei Schwenklager versehen ist. Das Rad besteht aus einem Aluminiumkörper mit Elastikreifen, schwarz, vulkanisiert als Lauffläche und ist mit Präzisionskugellagern ausgestattet, wobei der Raddurchmesser 250 mm beträgt. Die Gesamthöhe der Rolle misst 305 mm. Die dynamische Tragfähigkeit liegt bei 500 kg bei 4 km/h Geschwindigkeit und 400 kg bei 6 km/h, während die statische Tragfähigkeit 1000 kg erreicht. Typische Anwendungsbereiche umfassen Luft- und Raumfahrtindustrie, Flughafenausrüstung, AMR-Systeme, Automobil-OEM, Keramik- und Glashersteller, Produktions- und Plattformwagen sowie schwere AGV-Systeme.

250 mm
305 mm
500 kg
250 mm
305 mm
500 kg
Varianten
Lenkrolle mit Richtungsfeststeller 250 mm
Lenkrolle mit Richtungsfeststeller 250 mm
Kappa
9681IEP250P63 CL67

Die Lenkrolle mit Richtungsfeststeller Kappa ist mit einer mittelgroßen rechteckigen Platte ausgestattet und verfügt über ein Gehäuse aus Schmiedeeisen, schwer, das mit einem Kugelbahn, zweireihig, verstärkt oder rostfrei Schwenklager versehen ist. Das Rad besteht aus einem Aluminiumkörper mit Elastikreifen, schwarz, vulkanisiert als Lauffläche und ist mit Präzisionskugellagern ausgestattet, wobei der Raddurchmesser 250 mm beträgt. Die Gesamthöhe der Rolle beläuft sich auf 305 mm. Die dynamische Tragfähigkeit erreicht 500 kg bei 4 km/h bzw. 400 kg bei 6 km/h Fahrgeschwindigkeit, während die statische Tragfähigkeit 1000 kg beträgt. Typische Anwendungsbereiche umfassen Luft- und Raumfahrtindustrie, Flughafenausrüstung, AMR-Systeme, Automobil-OEM, Keramik- und Glashersteller, Produktions- und Plattformwagen sowie schwere AGV-Systeme.

250 mm
305 mm
500 kg
250 mm
305 mm
500 kg