跳到主要内容 跳到搜索 跳到主导航
欢迎访问我们全新改版的网站!

CAD 文件

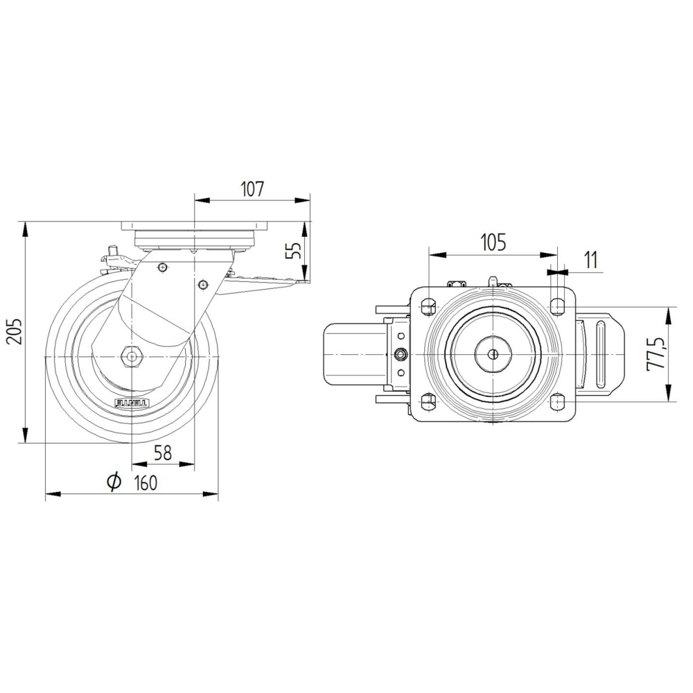
Kappa带全锁的旋转脚轮,脚轮头端采用矩形板配件设计,确保稳固的安装连接。脚轮外壳采用铸铁或锻铁重型材质制造,配备两个球座圈,加强的型或不锈钢型旋转轴承系统,提供卓越的承载能力和耐久性。车轮本体采用铸铁材质,胎面为聚氨酯,铸造的高品质材料,搭配精密滚珠轴承确保平稳运行。车轮直径为160毫米,脚轮总高度为205毫米。动态载荷能力在4公里/小时速度下可承载900公斤,在6公里/小时速度下可承载750公斤,静态载荷能力高达1500公斤。该产品广泛应用于航空航天工业,机场设备、AMR系统、汽车OEM、陶瓷和玻璃制造商、生产和平台手推车以及重型AGV系统等多个工业领域。
滚动性能
移动噪声
流失率
耐腐蚀性
物料编号
物品编号
9682FTP160P63 CL67
EAN
4031582315776
S4物料编号
990804604
Core attributes
外壳类型
带全锁的旋转脚轮,脚轮头端
总宽度
116 mm
4 公里/小时的载重
900 kg
6 公里/小时的载重
750 kg
静态载重
1500 kg
总高
205 mm
温度范围(最大)
60 °C
温度范围(最低)
-10 °C
总重量
6.06 kg
产品名称
Kappa
标准
EN12533 - 重载脚轮
导电
不锈
Fitting
固定件类型
矩形板
上板孔直径
11 mm
上板孔长度(最大)
80 mm
上板孔长度(最小)
75 mm
上板孔宽度(最大)
105 mm
上板孔宽度(最小)
75 mm
上板长
135 mm
上板宽
110 mm
Housing
颜色
蓝色钝化
支架形状
宽 ,加强的
材料
铸铁或锻铁,重
旋转轴承
两个球座圈,加强的型或不锈钢型
圆顶直径
111 mm
转向干涉
280 mm
偏移量
58 mm
旋转半径
140 mm
Wheel
胎面硬度 (A)
92 岸 A
胎面硬度 (D)
42 岸 D
轮体材料
铸铁
胎面材料
聚氨酯,铸造的
胎面宽度
50 mm
直径
160 mm
轮体宽度
50 mm
侧盖
带螺纹防护装置
用螺母拧紧
轴承
精密滚珠轴承
轮子颜色
蜂蜜黄 (RAL1005)
special-features-image
特殊功能
无害材料
符合 RoHS 和 REACH 指令。不含多环芳烃或六价铬
经过测试的质量
在自有实验室中测试,符合欧洲标准
坚固的外壳
由压制镀锌钢制成
防止意外移动
用于手动操作的车轮锁
固定支撑
全锁定同时锁定轮子和转向外壳
节约资源的部件更换
螺纹轴便于轻松更换轮子
不间断使用
带防尘圈的转向轴承,保证持续不间断的运动
坚固的结构
重钢外壳,承载能力强
可靠的牵引力
优化胎面确保在潮湿和光滑地板上的可靠抓地力
固定安装板
安装板通过螺栓和螺母固定
坚固的结构
实心钢板,最大承载能力
低维护轮子
螺纹保护装置确保运行顺畅,维护需求低
不留痕迹的移动
磨损减轻、清洁需求低的轮子
易于操控
双滚珠轴承转向头
符合人体工学的使用
优化滚动阻力的轮子可减轻用户负担
优化的方向锁
方向锁可调节至 2x180° 或 4x90°
快速维护
转向轴承涂有长效润滑脂并配有润滑嘴,便于维护
持久表面
高质量镀锌,确保在恶劣环境下的长寿命
超重型结构
焊接钢结构,最大承载能力
重型结构
特重钢制外壳,承载能力强
硬化双滚道
两个经淬火的双滚道保证卓越的稳定性
灵活的锁定功能
在一个脚轮中使用两个独立的驱动系统
跳过产品库

配件

轮子 160 mm
Novatech
FTP 160x50-Ø20 HL60

Novatech脚轮轮子采用铸铁轮体和聚氨酯铸造胎面设计,配备精密滚珠轴承确保平稳运行。轮子直径为160mm,胎面宽度50mm,轮毂长度60mm,轴孔直径20mm,为各种工业应用提供精确的安装配合。该轮子具有出色的承载能力,静载荷可达1800kg,动载荷在4km/h速度下可承受1100kg,在6km/h速度下可承受900kg,满足重载设备的移动需求。聚氨酯胎面材料提供优异的耐磨性和减震性能,而铸铁轮体确保了结构强度和使用寿命,适用于仓储、制造业和重工业等领域的脚轮系统。

160 mm
1100 kg
160 mm
1100 kg
跳过产品库

相关产品

变体
万向脚轮 160 mm
万向脚轮 160 mm
Kappa
9680FTP160P63 CL67

Kappa万向脚轮采用矩形板安装方式,为重载应用提供可靠的移动解决方案。脚轮外壳采用铸铁或锻铁重型材质制造,配备两个球座圈转向轴承系统,提供加强型或不锈钢型选择,确保长期稳定运行。车轮本体采用铸铁材质,胎面为铸造聚氨酯材料,配置精密滚珠轴承,车轮直径为160毫米。脚轮总高度为205毫米,结构紧凑适用于各种工业环境。动载荷能力在4公里每小时速度下可达900公斤,在6公里每小时速度下为750公斤,静载荷能力高达1500公斤。该产品广泛应用于航空航天工业机场设备、AMR系统、汽车OEM、陶瓷和玻璃制造商、生产和平台手推车以及重型AGV系统等领域,满足高强度工业运输需求。

160 mm
205 mm
900 kg
160 mm
205 mm
900 kg
变体
固定脚轮 160 mm
固定脚轮 160 mm
Kappa
9688FTP160P63 CL67

Kappa固定脚轮采用矩形板安装方式,为重载应用提供可靠的移动解决方案。脚轮外壳采用铸铁或锻铁材质制造,具有重型结构特点,确保在高负荷环境下的耐用性和稳定性。车轮本体由铸铁制成,胎面材料为铸造的聚氨酯,提供优异的耐磨性和减震性能,配备精密滚珠轴承系统保证平稳运行。车轮直径为160毫米,脚轮总高度为205毫米,紧凑的设计便于集成到各种设备中。该脚轮具有出色的承载能力,静载荷可达1500公斤,动载荷在4公里每小时速度下为900公斤,在6公里每小时速度下为750公斤。产品广泛应用于航空航天工业机场设备、AMR系统、汽车OEM、陶瓷和玻璃制造商、生产和平台手推车以及重型AGV系统等领域,满足工业自动化和重载运输的严苛要求。

160 mm
205 mm
900 kg
160 mm
205 mm
900 kg
变体
带方向锁的旋转脚轮  160 mm
带方向锁的旋转脚轮 160 mm
Kappa
9681FTP160P63 CL67

Kappa带方向锁的旋转脚轮采用矩形板安装方式,外壳由铸铁或锻铁重型材料制成,配备两个球座圈,加强的型或不锈钢型旋转轴承系统。车轮轮体采用铸铁材质,胎面为聚氨酯,铸造的高性能材料,内置精密滚珠轴承确保平稳运行。车轮直径为160毫米,脚轮总高度为205毫米。动载荷能力在4公里/小时速度下可承载900公斤,在6公里/小时速度下可承载750公斤,静载荷能力高达1500公斤。该脚轮广泛应用于航空航天工业,机场设备、AMR系统、汽车OEM、陶瓷和玻璃制造商、生产和平台手推车以及重型AGV系统等工业领域,为重载移动设备提供可靠的支撑和灵活的方向控制。

160 mm
205 mm
900 kg
160 mm
205 mm
900 kg
跳过产品库

相关产品

变体
万向脚轮 160 mm
万向脚轮 160 mm
Kappa
9680FTP160P63 CL67

Kappa万向脚轮采用矩形板安装方式,为重载应用提供可靠的移动解决方案。脚轮外壳采用铸铁或锻铁重型材质制造,配备两个球座圈转向轴承系统,提供加强型或不锈钢型选择,确保长期稳定运行。车轮本体采用铸铁材质,胎面为铸造聚氨酯材料,配置精密滚珠轴承,车轮直径为160毫米。脚轮总高度为205毫米,结构紧凑适用于各种工业环境。动载荷能力在4公里每小时速度下可达900公斤,在6公里每小时速度下为750公斤,静载荷能力高达1500公斤。该产品广泛应用于航空航天工业机场设备、AMR系统、汽车OEM、陶瓷和玻璃制造商、生产和平台手推车以及重型AGV系统等领域,满足高强度工业运输需求。

160 mm
205 mm
900 kg
160 mm
205 mm
900 kg
变体
固定脚轮 160 mm
固定脚轮 160 mm
Kappa
9688FTP160P63 CL67

Kappa固定脚轮采用矩形板安装方式,为重载应用提供可靠的移动解决方案。脚轮外壳采用铸铁或锻铁材质制造,具有重型结构特点,确保在高负荷环境下的耐用性和稳定性。车轮本体由铸铁制成,胎面材料为铸造的聚氨酯,提供优异的耐磨性和减震性能,配备精密滚珠轴承系统保证平稳运行。车轮直径为160毫米,脚轮总高度为205毫米,紧凑的设计便于集成到各种设备中。该脚轮具有出色的承载能力,静载荷可达1500公斤,动载荷在4公里每小时速度下为900公斤,在6公里每小时速度下为750公斤。产品广泛应用于航空航天工业机场设备、AMR系统、汽车OEM、陶瓷和玻璃制造商、生产和平台手推车以及重型AGV系统等领域,满足工业自动化和重载运输的严苛要求。

160 mm
205 mm
900 kg
160 mm
205 mm
900 kg
变体
带方向锁的旋转脚轮  160 mm
带方向锁的旋转脚轮 160 mm
Kappa
9681FTP160P63 CL67

Kappa带方向锁的旋转脚轮采用矩形板安装方式,外壳由铸铁或锻铁重型材料制成,配备两个球座圈,加强的型或不锈钢型旋转轴承系统。车轮轮体采用铸铁材质,胎面为聚氨酯,铸造的高性能材料,内置精密滚珠轴承确保平稳运行。车轮直径为160毫米,脚轮总高度为205毫米。动载荷能力在4公里/小时速度下可承载900公斤,在6公里/小时速度下可承载750公斤,静载荷能力高达1500公斤。该脚轮广泛应用于航空航天工业,机场设备、AMR系统、汽车OEM、陶瓷和玻璃制造商、生产和平台手推车以及重型AGV系统等工业领域,为重载移动设备提供可靠的支撑和灵活的方向控制。

160 mm
205 mm
900 kg
160 mm
205 mm
900 kg