跳到主要内容 跳到搜索 跳到主导航
欢迎访问我们全新改版的网站!

CAD 文件

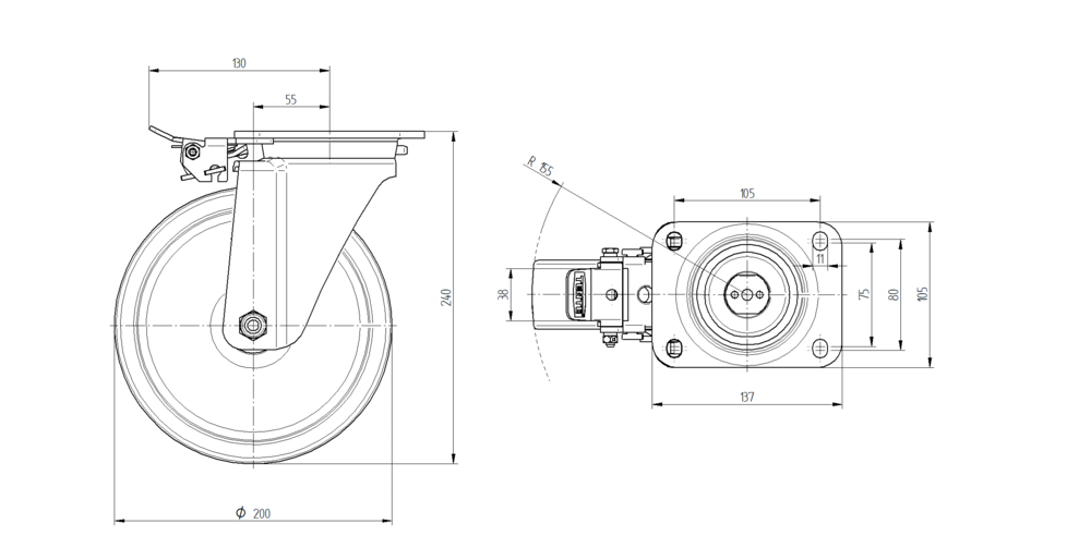
Zeta stainless带方向锁的旋转脚轮采用矩形板安装方式,配备不锈钢重型外壳,具有两个钢珠滚道的旋转轴承结构,确保卓越的转向性能和耐久性。脚轮采用聚氨酯轮体,配备弹性轮胎、无痕、硫化胎面材料,提供优异的地面保护性能和静音运行效果。轮子装配精密滚珠轴承,密封的设计有效防止污染物侵入,延长使用寿命。产品轮径为200毫米,总高度为240毫米,结构紧凑适用于各种工业应用场景。动态载荷能力在4公里每小时速度下可承载400公斤,在6公里每小时速度下可承载320公斤,静态载荷能力高达800公斤,能够满足重载设备的移动需求,为工业运输提供可靠的承载解决方案。
滚动性能
移动噪声
流失率
耐腐蚀性
物料编号
物品编号
8671UFX200P63
EAN
4031582313680
S4物料编号
990829737
Core attributes
外壳类型
带方向锁的旋转脚轮
总宽度
96 mm
4 公里/小时的载重
400 kg
6 公里/小时的载重
320 kg
静态载重
800 kg
总高
240 mm
温度范围(最大)
85 °C
温度范围(最低)
-20 °C
总重量
3.63 kg
产品名称
Zeta stainless
标准
EN12533 - 重载脚轮
导电
不锈
Fitting
固定件类型
矩形板
上板孔直径
11 mm
上板孔长度(最大)
80 mm
上板孔长度(最小)
74 mm
上板孔宽度(最大)
105 mm
上板孔宽度(最小)
74 mm
上板长
137 mm
上板宽
105 mm
Housing
颜色
不锈钢
支架形状
宽 ,加强的
材料
不锈钢,重型
旋转轴承
两个钢珠滚道
圆顶直径
96 mm
转向干涉
310 mm
偏移量
55 mm
旋转半径
155 mm
Wheel
胎面硬度 (A)
64 岸 A
轮体材料
聚酰胺
胎面材料
弹性轮胎,无痕,硫化
胎面宽度
46 mm
直径
200 mm
轮体宽度
46 mm
侧盖
带螺纹防护装置
用螺母拧紧
轴承
精密滚珠轴承,密封的
轮子颜色
灰色/无标记
special-features-image
特殊功能
无害材料
符合 RoHS 和 REACH 指令。不含多环芳烃或六价铬
经过测试的质量
在自有实验室中测试,符合欧洲标准
坚固的外壳
由压制镀锌钢制成
节约资源的部件更换
螺纹轴便于轻松更换轮子
不间断使用
带防尘圈的转向轴承,保证持续不间断的运动
低维护轮子
螺纹保护装置确保运行顺畅,维护需求低
不留痕迹的移动
磨损减轻、清洁需求低的轮子
安静滚动
软轮版本可营造安静的工作环境
易于操控
双滚珠轴承转向头
低振动运输
超软轮子,具备良好的减震性能
保护密封
带密封轴承的轮子,防护溅水和灰尘
持久可清洗性
所有金属部件均由不锈钢制成
低维护材料
所有金属部件均由铝或不锈钢制成
硬化转向头
加固并经热处理的轴承盖
跳过产品库

相关产品

变体
固定脚轮 200 mm
固定脚轮 200 mm
Zeta stainless
8678UFX200P63

Zeta stainless固定脚轮采用矩形板安装方式,配备不锈钢重型外壳结构,确保在恶劣环境下的耐腐蚀性和持久耐用性。车轮主体采用聚氨酯材料制造,表面覆盖弹性轮胎、无痕、硫化胎面材料,有效保护地面并提供优异的滚动性能。轴承系统采用精密滚珠轴承,密封的设计有效防止污染物侵入,延长使用寿命。车轮直径为200毫米,脚轮总高度为240毫米,结构紧凑适用于多种工业应用场景。动态承载能力在4公里每小时速度下可达400公斤,在6公里每小时速度下可达320公斤,静态承载能力高达800公斤,能够满足重载设备的移动需求,为工业运输提供可靠的承载解决方案。

240 mm
200 mm
400 kg
240 mm
200 mm
400 kg
变体
万向脚轮 200 mm
万向脚轮 200 mm
Zeta stainless
8670UFX200P63

Zeta stainless万向脚轮采用矩形板安装方式,配备不锈钢重型外壳结构,转向机构使用两个钢珠滚道设计确保平稳转动。脚轮轮体采用聚酯胺材料制造,胎面为弹性轮胎无痕硫化材料,提供优异的地面保护性能,轮子配置精密滚珠轴承密封的轴承系统保证长期可靠运行。产品轮径为200毫米,整体高度240毫米。动态载荷能力在4公里每小时速度下可承载400公斤,在6公里每小时速度下可承载320公斤,静态载荷能力高达800公斤,适合各种工业应用场景中的重载移动需求。

240 mm
200 mm
400 kg
240 mm
200 mm
400 kg
变体
带全锁的旋转脚轮  200 mm
带全锁的旋转脚轮 200 mm
Zeta stainless
8677UFX200P63

Zeta stainless带全锁的旋转脚轮采用矩形板安装方式,为重型工业应用提供可靠的移动解决方案。脚轮外壳采用不锈钢,重型设计,配备两个钢珠滚道的旋转轴承系统,确保平稳的360度旋转性能和卓越的耐久性。车轮轮体采用聚氨酯材料制造,具有优异的耐磨性和化学稳定性,轮面覆盖弹性轮胎,无痕,硫化处理,有效保护地面并提供良好的减震效果。车轮内置精密滚珠轴承,密封的设计有效防止灰尘和污染物侵入,保证长期稳定运行。车轮直径为200毫米,脚轮总高度为240毫米,结构紧凑适用于各种安装环境。动态承载能力在4公里每小时速度下可达400公斤,在6公里每小时速度下可达320公斤,静态承载能力高达800公斤,满足重载应用需求。

240 mm
200 mm
400 kg
240 mm
200 mm
400 kg
跳过产品库

相关产品

变体
固定脚轮 200 mm
固定脚轮 200 mm
Zeta stainless
8678UFX200P63

Zeta stainless固定脚轮采用矩形板安装方式,配备不锈钢重型外壳结构,确保在恶劣环境下的耐腐蚀性和持久耐用性。车轮主体采用聚氨酯材料制造,表面覆盖弹性轮胎、无痕、硫化胎面材料,有效保护地面并提供优异的滚动性能。轴承系统采用精密滚珠轴承,密封的设计有效防止污染物侵入,延长使用寿命。车轮直径为200毫米,脚轮总高度为240毫米,结构紧凑适用于多种工业应用场景。动态承载能力在4公里每小时速度下可达400公斤,在6公里每小时速度下可达320公斤,静态承载能力高达800公斤,能够满足重载设备的移动需求,为工业运输提供可靠的承载解决方案。

240 mm
200 mm
400 kg
240 mm
200 mm
400 kg
变体
万向脚轮 200 mm
万向脚轮 200 mm
Zeta stainless
8670UFX200P63

Zeta stainless万向脚轮采用矩形板安装方式,配备不锈钢重型外壳结构,转向机构使用两个钢珠滚道设计确保平稳转动。脚轮轮体采用聚酯胺材料制造,胎面为弹性轮胎无痕硫化材料,提供优异的地面保护性能,轮子配置精密滚珠轴承密封的轴承系统保证长期可靠运行。产品轮径为200毫米,整体高度240毫米。动态载荷能力在4公里每小时速度下可承载400公斤,在6公里每小时速度下可承载320公斤,静态载荷能力高达800公斤,适合各种工业应用场景中的重载移动需求。

240 mm
200 mm
400 kg
240 mm
200 mm
400 kg
变体
带全锁的旋转脚轮  200 mm
带全锁的旋转脚轮 200 mm
Zeta stainless
8677UFX200P63

Zeta stainless带全锁的旋转脚轮采用矩形板安装方式,为重型工业应用提供可靠的移动解决方案。脚轮外壳采用不锈钢,重型设计,配备两个钢珠滚道的旋转轴承系统,确保平稳的360度旋转性能和卓越的耐久性。车轮轮体采用聚氨酯材料制造,具有优异的耐磨性和化学稳定性,轮面覆盖弹性轮胎,无痕,硫化处理,有效保护地面并提供良好的减震效果。车轮内置精密滚珠轴承,密封的设计有效防止灰尘和污染物侵入,保证长期稳定运行。车轮直径为200毫米,脚轮总高度为240毫米,结构紧凑适用于各种安装环境。动态承载能力在4公里每小时速度下可达400公斤,在6公里每小时速度下可达320公斤,静态承载能力高达800公斤,满足重载应用需求。

240 mm
200 mm
400 kg
240 mm
200 mm
400 kg