跳到主要内容 跳到搜索 跳到主导航
欢迎访问我们全新改版的网站!
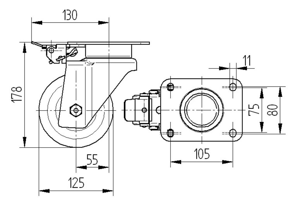
Delta带方向锁的旋转脚轮采用矩形板安装方式,为重型工业应用提供可靠的移动解决方案。脚轮外壳采用钢板重型结构,配备精密滚珠轴承旋转机构,确保平稳转向和出色的耐久性。车轮本体采用聚酯胺重型材料制造,胎面材料与轮子体相同,保证一致的性能表现,轮毂内置精密滚珠轴承,车轮直径为125毫米。脚轮总高度为178毫米,结构紧凑适合各种安装环境。动态承载能力在4公里/小时速度下可达600公斤,在6公里/小时速度下可达480公斤,静态承载能力高达1200公斤。该产品广泛应用于航空航天工业机场设备、汽车OEM、邮政物流系统、生产和平台手推车以及运输设备等领域,满足重载移动设备的严苛要求。
滚动性能
移动噪声
流失率
耐腐蚀性
物料编号
物品编号
3641TOP125P63
EAN
4031582337884
S4物料编号
990833669
Core attributes
外壳类型
带方向锁的旋转脚轮
总宽度
94 mm
4 公里/小时的载重
600 kg
6 公里/小时的载重
480 kg
静态载重
1200 kg
总高
178 mm
温度范围(最大)
85 °C
温度范围(最低)
-40 °C
总重量
2.78 kg
产品名称
Delta
标准
EN12532 - 运输器械
导电
不锈
Fitting
固定件类型
矩形板
上板孔直径
11 mm
上板孔长度(最大)
80 mm
上板孔长度(最小)
75 mm
上板孔宽度(最大)
105 mm
上板孔宽度(最小)
75 mm
上板长
137 mm
上板宽
105 mm
Housing
颜色
蓝色钝化
支架形状
宽 ,加强的
材料
钢板,重型
旋转轴承
精密滚珠轴承
圆顶直径
94 mm
转向干涉
235 mm
偏移量
55 mm
旋转半径
117.5 mm
Wheel
胎面硬度 (D)
75 岸 D
轮体材料
聚酰胺,重
胎面材料
与轮子体相同
胎面宽度
50 mm
直径
125 mm
轮体宽度
50 mm
侧盖
无螺纹护罩
用螺母拧紧
轴承
精密滚珠轴承
轮子颜色
天然白色
special-features-image
特殊功能
无害材料
符合 RoHS 和 REACH 指令。不含多环芳烃或六价铬
经过测试的质量
在自有实验室中测试,符合欧洲标准
坚固的外壳
由压制镀锌钢制成
节约资源的部件更换
螺纹轴便于轻松更换轮子
不间断使用
带防尘圈的转向轴承,保证持续不间断的运动
坚固的结构
重钢外壳,承载能力强
低磨损轮子
耐用的轮子,磨损极低
优化的方向锁
方向锁可调节至 2x180° 或 4x90°
超重型结构
焊接钢结构,最大承载能力
重型结构
特重钢制外壳,承载能力强
灵活的锁定功能
在一个脚轮中使用两个独立的驱动系统
跳过产品库

配件

附件
Puretech
Ri-Festst. 3641125 blau

Puretech脚轮配件采用轻量化设计,整体重量仅为0.25千克,确保在不增加额外负担的前提下提供可靠的功能支持。该配件经过精密工程设计,能够与各类脚轮系统完美匹配,为移动设备和工业应用提供稳定的性能保障。其紧凑的结构和优化的重量分布使得安装过程简便快捷,同时保持了出色的耐用性和操作可靠性,适用于对重量敏感的应用场景,满足现代工程对高效率和轻量化解决方案的严格要求。

跳过产品库

相关产品

变体
万向脚轮 125 mm
万向脚轮 125 mm
Delta
3640TOP125P63

Delta万向脚轮采用矩形板安装方式,为重型工业应用提供可靠的移动解决方案。脚轮外壳采用钢板重型结构制造,配备精密滚珠轴承的旋转机构,确保平稳转向和长期耐用性。轮子本体采用聚酯胺重型材料制成,胎面材料与轮子体相同,提供优异的耐磨性和承载能力,轮子轴承同样采用精密滚珠轴承设计。该脚轮轮径为125毫米,总高度为178毫米,结构紧凑适用于各种设备安装。动态承载能力在4公里/小时速度下可达600公斤,在6公里/小时速度下可达480公斤,静态承载能力高达1200公斤。产品广泛应用于航空航天工业机场设备、汽车OEM、邮政物流系统、生产和平台手推车以及运输设备等领域,满足重载工业环境的严苛要求。

125 mm
178 mm
600 kg
125 mm
178 mm
600 kg
变体
固定脚轮 125 mm
固定脚轮 125 mm
Delta
3648TOP125P63

Delta固定脚轮采用矩形板安装方式,配备钢板重型外壳结构,确保在高负荷应用中的稳定性和耐久性。脚轮装配聚酯胺重型轮体,胎面材料与轮子体相同,提供优异的耐磨性能和一致的机械特性。轮子直径为125毫米,内置精密滚珠轴承,保证平稳运转和较长使用寿命。产品总高度为178毫米,结构紧凑适合各种安装环境。动态载荷能力在4公里每小时速度下可承载600公斤,在6公里每小时速度下可承载480公斤,静态载荷能力高达1200公斤。该脚轮广泛应用于航空航天工业机场设备、汽车OEM、邮政物流系统、生产和平台手推车以及运输设备等领域,满足重载工业应用的严苛要求。

125 mm
178 mm
600 kg
125 mm
178 mm
600 kg
变体
带全锁的旋转脚轮,脚轮头端 125 mm
带全锁的旋转脚轮,脚轮头端 125 mm
Delta
3642TOP125P63 f.d-lock

Delta带全锁的旋转脚轮,脚轮头端采用矩形板连接方式,确保稳固安装。脚轮外壳采用钢板,重型结构设计,配备精密滚珠轴承的旋转机构,提供卓越的转向性能和耐久性。轮子本体材质为聚酯胺,重型规格,胎面材料与轮子体相同,确保一致的性能表现,轮毂内置精密滚珠轴承,保证平稳运行。轮径为125毫米,脚轮总高度为178毫米,结构紧凑。动载荷能力在4公里每小时速度下可承载600公斤,在6公里每小时速度下可承载480公斤,静载荷能力高达1200公斤。该产品广泛应用于航空航天工业机场设备、汽车OEM、邮政物流系统、生产和平台手推车以及运输设备等领域,满足各种重载移动需求。

125 mm
178 mm
600 kg
125 mm
178 mm
600 kg
跳过产品库

相关产品

变体
万向脚轮 125 mm
万向脚轮 125 mm
Delta
3640TOP125P63

Delta万向脚轮采用矩形板安装方式,为重型工业应用提供可靠的移动解决方案。脚轮外壳采用钢板重型结构制造,配备精密滚珠轴承的旋转机构,确保平稳转向和长期耐用性。轮子本体采用聚酯胺重型材料制成,胎面材料与轮子体相同,提供优异的耐磨性和承载能力,轮子轴承同样采用精密滚珠轴承设计。该脚轮轮径为125毫米,总高度为178毫米,结构紧凑适用于各种设备安装。动态承载能力在4公里/小时速度下可达600公斤,在6公里/小时速度下可达480公斤,静态承载能力高达1200公斤。产品广泛应用于航空航天工业机场设备、汽车OEM、邮政物流系统、生产和平台手推车以及运输设备等领域,满足重载工业环境的严苛要求。

125 mm
178 mm
600 kg
125 mm
178 mm
600 kg
变体
固定脚轮 125 mm
固定脚轮 125 mm
Delta
3648TOP125P63

Delta固定脚轮采用矩形板安装方式,配备钢板重型外壳结构,确保在高负荷应用中的稳定性和耐久性。脚轮装配聚酯胺重型轮体,胎面材料与轮子体相同,提供优异的耐磨性能和一致的机械特性。轮子直径为125毫米,内置精密滚珠轴承,保证平稳运转和较长使用寿命。产品总高度为178毫米,结构紧凑适合各种安装环境。动态载荷能力在4公里每小时速度下可承载600公斤,在6公里每小时速度下可承载480公斤,静态载荷能力高达1200公斤。该脚轮广泛应用于航空航天工业机场设备、汽车OEM、邮政物流系统、生产和平台手推车以及运输设备等领域,满足重载工业应用的严苛要求。

125 mm
178 mm
600 kg
125 mm
178 mm
600 kg
变体
带全锁的旋转脚轮,脚轮头端 125 mm
带全锁的旋转脚轮,脚轮头端 125 mm
Delta
3642TOP125P63 f.d-lock

Delta带全锁的旋转脚轮,脚轮头端采用矩形板连接方式,确保稳固安装。脚轮外壳采用钢板,重型结构设计,配备精密滚珠轴承的旋转机构,提供卓越的转向性能和耐久性。轮子本体材质为聚酯胺,重型规格,胎面材料与轮子体相同,确保一致的性能表现,轮毂内置精密滚珠轴承,保证平稳运行。轮径为125毫米,脚轮总高度为178毫米,结构紧凑。动载荷能力在4公里每小时速度下可承载600公斤,在6公里每小时速度下可承载480公斤,静载荷能力高达1200公斤。该产品广泛应用于航空航天工业机场设备、汽车OEM、邮政物流系统、生产和平台手推车以及运输设备等领域,满足各种重载移动需求。

125 mm
178 mm
600 kg
125 mm
178 mm
600 kg