Saltar al contenido principal Saltar a la búsqueda Saltar a la navegación principal
¡Bienvenido a nuestro sitio web recientemente rediseñado!

Archivos CAD

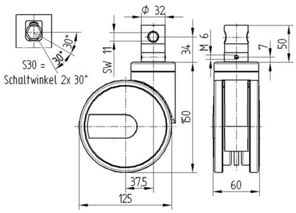
La rueda giratoria con central, Freno total Integral twin incorpora una espiga con agujero de leva para barras de perfil en versión corta, siendo importante que el fabricante de camas del hospital selle las camas lavables en el área de colocación. La carcasa está fabricada en chapa de acero mediana y equipada con rodamiento de bolas de precisión para el giro. La rueda presenta un cuerpo de poliamida con banda de rodadura de poliuretano inyectado conductor eléctrico, montada sobre rodamiento de bolas de precisión sellado, con un diámetro de 125 mm. Las dimensiones generales incluyen una altura total de 150 mm. La capacidad de carga dinámica alcanza 125 kg a velocidades de 3 km/h y 125 kg a 4 km/h, mientras que la carga estática máxima es de 250 kg, siendo ideal para carros de anestesia, arcos en C, escáneres CT, resonancias magnéticas, rayos X, camas de cuidados, camas de hospital, residencias y hogares de ancianos, robots quirúrgicos, mesas de operaciones y ecógrafos.
Rendimiento del rodillo
Ruido de movimiento
Deserción
Resistencia a la corrosión
Números de artículo
Número de artículo
2946USX125R36-32S30 4xM6
EAN
4031582340969
Core attributes
Certificación
Probado y supervisado por TÜV Süd
Tipo
Rueda giratoria con central, Freno total
Ancho total
60 mm
Capacidad de carga a 3 km/h
125 kg
Capacidad de carga a 4 km/h
125 kg
Capacidad de carga estática
250 kg
Altura total
150 mm
Rango de temperatura (máximo)
80 °C
Rango de temperatura (mínimo)
-30 °C
Peso total
1.2 kg
Nombre del producto
Integral twin
Estándar
similar EN12531- Ruedas de cama hospitalarias
Conductivo eléctrico
Inoxidable
Fitting
Sugerencia
El fabricante de camas del hospital debe Sellado las camas lavables en el área de colocación.
Tipo de ajuste
Espiga con Agujero de leva para barras de perfil, Versión corta
Diámetro del Perno
32 mm
Longitud del Perno
51 mm
Housing
Forma de Horquilla Forma
Soporte de Aro Doble Soporte
Material
Chapa de acero, mediana
Rodamiento giratorio
Rodamiento de bolas de precisión
Interferencia de giro
200 mm
Desplazamiento
37.5 mm
Radio de giro
100 mm
Wheel
Dureza de la Banda de rodadura (D)
40 Shore D
Material del cuerpo
Poliamida
Material de la banda de rodadura
Poliuretano, Inyectado, conductor eléctrico
Ancho de Banda de rodadura
12 mm
Diámetro
125 mm
Protectores de hilo
Con protector de roscas
Cojinete
Rodamiento de bolas de precisión, Sellado
Conjunto de mangos
Sugerencia
El fabricante de camas del hospital debe Sellado las camas lavables en el área de colocación.

Premio al Diseño Alemán

Premio al Diseño Alemán

Premio al Diseño Red Dot

Premio al Diseño Red Dot

special-features-image
Características especiales
Materiales no peligrosos
Cumple con RoHS y REACH. No contiene hidrocarburos aromáticos policíclicos ni cromo (VI)
Calidad probada
Probado en nuestro propio laboratorio para conformidad con normas europeas
Carcasa sólida
Fabricado en acero prensado, galvanizado
Previene movimientos no deseados
Bloqueo de rueda para operación manual
Bloqueo central fácil de usar
Bloqueo simultáneo de más de una rueda mediante una palanca central
Diseño premiado
Premiado con prestigiosos galardones por jurados internacionales
Ruedas de bajo mantenimiento
Protectores de rosca para funcionamiento sin obstáculos y limpieza mínima
Movimiento sin marcas
Ruedas con abrasión reducida y bajo requisito de limpieza
Uso ergonómico
Ruedas con resistencia al rodamiento optimizada para reducir el esfuerzo del usuario
Conductividad certificada
Versión conductora para proteger a los usuarios y dispositivos eléctricos de descargas electrostáticas
Sello de protección
Ruedas con rodamientos sellados para proteger contra salpicaduras de agua y suciedad
Componentes resistentes a químicos
Insensible a muchos agentes de limpieza y sustancias químicas
Seguridad certificada
Norma de rendimiento certificada por TÜV Süd
Maniobrabilidad cómoda
Cruce sencillo de obstáculos con ruedas grandes y núcleos elásticos
Función de conmutación multinivel
Hasta tres posiciones de bloqueo: bloqueo direccional, bloqueo total o movilidad libre
Maniobrabilidad optimizada
Rueda doble con alta maniobrabilidad gracias al efecto diferencial
Menos limpieza
Gracias a las superficies lisas, las ruedas son rápidas y fáciles de limpiar
Protección del suelo mediante distribución de carga
Dos ruedas distribuyen la carga y minimizan las huellas en el suelo
Protección de cable integrada
Empujador de cables integrado para proteger los cables que están en el suelo
Construcción extremadamente fuerte
Construcción extremadamente robusta
Omitir la galería de productos

Accesorios

Accesorio
Adaptador
Adapter m. Gew. Stift

El Accesorio para rueda es un componente técnico diseñado para complementar y optimizar el funcionamiento de sistemas de rodadura industrial. Este elemento auxiliar presenta un peso de 0,1 kg, lo que garantiza una integración ligera sin comprometer la capacidad de carga del conjunto. Su construcción permite una instalación eficiente en diferentes configuraciones de ruedas, proporcionando funcionalidad adicional según los requerimientos específicos de la aplicación industrial correspondiente.

Accesorio
Palanca de cambio
Schalthebel 24S45 o. Gew. Stift

Este accesorio para rueda está diseñado para complementar y mejorar el funcionamiento de sistemas de rodadura industrial. Con un peso de 0,12 kg, ofrece una solución ligera y eficiente que facilita su instalación y manejo en aplicaciones técnicas. Su construcción garantiza compatibilidad con diversos tipos de ruedas, proporcionando versatilidad en entornos industriales donde se requiere movilidad y funcionalidad optimizada.

Accesorio
Palanca de cambio
Schalthebel 28S45 m. Gew. Stift

Este accesorio para rueda está diseñado para complementar y mejorar el funcionamiento de sistemas de rodadura industrial. Con un peso de 0,06 kg, ofrece una solución ligera y eficiente que no compromete la capacidad de carga del conjunto. Su construcción permite una integración sencilla con diferentes tipos de ruedas, proporcionando funcionalidad adicional sin añadir masa significativa al sistema de transporte.

Accesorio
Palanca de cambio
Schalthebel 65S45 m. Gew. Stift

Este accesorio para rueda está diseñado para complementar y mejorar el funcionamiento de sistemas de rodamiento industrial. Con un peso de 0,09 kg, ofrece una solución ligera y eficiente que facilita su instalación y manejo en aplicaciones técnicas. Su construcción garantiza compatibilidad con diversos tipos de ruedas, proporcionando versatilidad en entornos industriales donde se requiere movilidad y funcionalidad optimizada.

Accesorio
Reductor de rodamiento
Lager Buchse m. Gew. Stift SW7/16in

El Accesorio para rueda es un componente técnico diseñado para complementar y optimizar el funcionamiento de sistemas de rodadura industrial. Con un peso de 0,04 kg, este accesorio ligero facilita su instalación y manejo sin comprometer la capacidad de carga del conjunto. Su construcción permite una integración eficiente con ruedas existentes, proporcionando funcionalidad adicional y mejorando el rendimiento operativo del sistema de transporte.

Accesorio
Barra de perfil
Profilstahl 6kt-11x1000

El Accesorio para rueda está diseñado como componente complementario para sistemas de rodamiento industrial, proporcionando funcionalidad adicional y mejorando el rendimiento operativo de las ruedas en aplicaciones de transporte y movilidad. Este elemento técnico se integra de manera eficiente con diferentes configuraciones de ruedas, ofreciendo versatilidad en instalaciones industriales y comerciales donde se requiere optimización del sistema de rodadura.

Omitir la galería de productos

Productos relacionados

Variantes
Rueda giratoria con bloqueo central, total o Freno direccional 125 mm
Rueda giratoria con bloqueo central, total o Freno direccional 125 mm
Integral twin
2944USX125R36-32S30 4xM6

La rueda giratoria con bloqueo central, total o freno direccional Integral twin cuenta con una espiga con agujero de leva para barras de perfil en versión corta, donde el fabricante de camas del hospital debe sellar las camas lavables en el área de colocación. La carcasa está fabricada en chapa de acero mediana con rodamiento de bolas de precisión para el giro. La rueda presenta un cuerpo de poliamida con banda de rodadura de poliuretano inyectado conductor eléctrico, equipada con rodamiento de bolas de precisión sellado y un diámetro de 125 mm. Las dimensiones incluyen una altura total de 150 mm. La capacidad de carga dinámica es de 125 kg a velocidades de 3 km/h y 125 kg a 4 km/h, mientras que la carga estática alcanza los 250 kg, siendo ideal para carros de anestesia, arcos en C, escáneres CT, resonancias magnéticas, rayos X, camas de cuidados, camas de hospital, residencias y hogares de ancianos, robots quirúrgicos, mesas de operaciones y ecógrafos.

125 mm
150 mm
125 kg
125 mm
150 mm
125 kg
Omitir la galería de productos

Productos relacionados

Variantes
Rueda giratoria con bloqueo central, total o Freno direccional 125 mm
Rueda giratoria con bloqueo central, total o Freno direccional 125 mm
Integral twin
2944USX125R36-32S30 4xM6

La rueda giratoria con bloqueo central, total o freno direccional Integral twin cuenta con una espiga con agujero de leva para barras de perfil en versión corta, donde el fabricante de camas del hospital debe sellar las camas lavables en el área de colocación. La carcasa está fabricada en chapa de acero mediana con rodamiento de bolas de precisión para el giro. La rueda presenta un cuerpo de poliamida con banda de rodadura de poliuretano inyectado conductor eléctrico, equipada con rodamiento de bolas de precisión sellado y un diámetro de 125 mm. Las dimensiones incluyen una altura total de 150 mm. La capacidad de carga dinámica es de 125 kg a velocidades de 3 km/h y 125 kg a 4 km/h, mientras que la carga estática alcanza los 250 kg, siendo ideal para carros de anestesia, arcos en C, escáneres CT, resonancias magnéticas, rayos X, camas de cuidados, camas de hospital, residencias y hogares de ancianos, robots quirúrgicos, mesas de operaciones y ecógrafos.

125 mm
150 mm
125 kg
125 mm
150 mm
125 kg