Fixed castor 150 mm
Kappa
Order number:
990829812
EAN:
4031582316469
Product number:
9688ITP150P63 CL67
- Non-hazardous materials
- Tested quality
- Strong construction
The Kappa fixed castor features a medium rectangular plate fitting and is constructed with an iron forged, heavy housing for rob...
Details
Custom or high volume? Request a quote now.
CAD files
You can download construction data for this product.
Data sheets
Documents
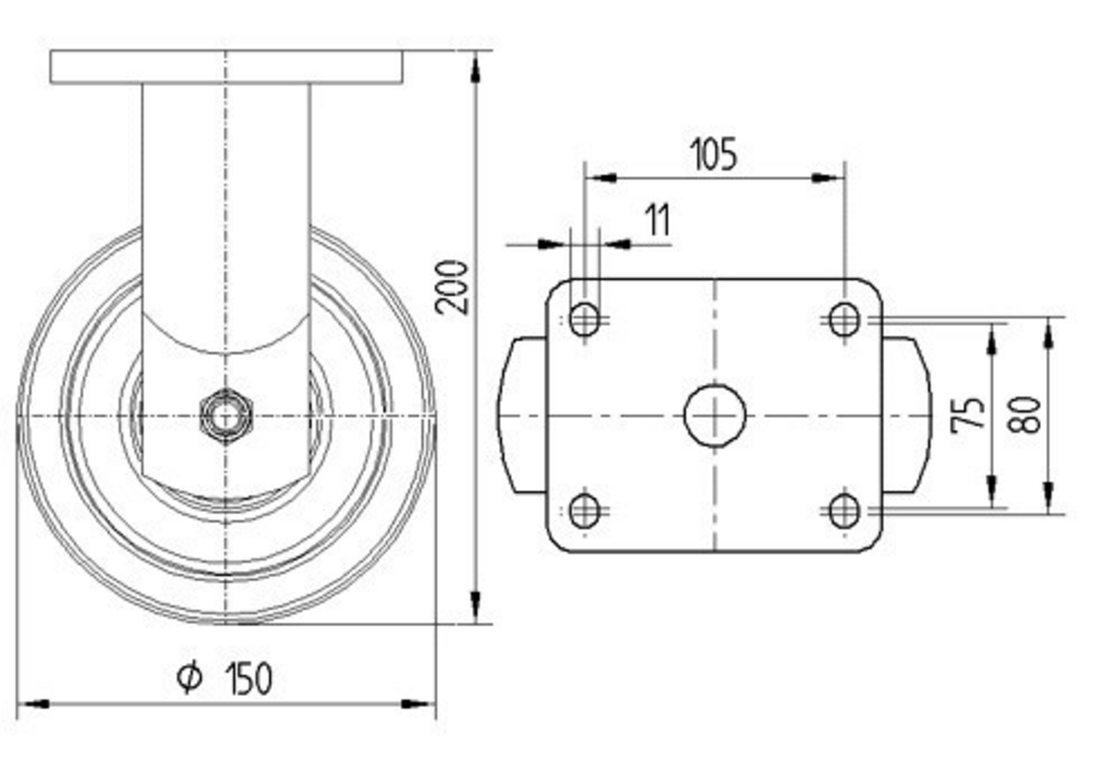
The Kappa fixed castor features a medium rectangular plate fitting and is constructed with an iron forged, heavy housing for robust industrial applications. The wheel incorporates an aluminium body with casted polyurethane tread material, mounted on precision ball bearings for smooth operation. With a wheel diameter of 150 mm, the castor has an overall height of 200 mm. Load capacity specifications include a static load rating of 1300 kg, whilst dynamic load capacities are 650 kg at 4 km/h and 520 kg at 6 km/h operating speeds. This castor is specifically designed for demanding applications including airport equipment, AMR systems, automotive OEM, ceramic and glass manufacturers, production and platform trolleys, and AGV systems, providing reliable performance in heavy-duty industrial environments.
Roll performance
Movement noise
Attrition
Corrosion resistance
Article numbers
Core attributes
Fitting
Housing
Wheel
Special Features
Non-hazardous materials
Complies with RoHS and REACH regulations. Does not contain polycyclic aromatic carbons or chromium (VI).
Tested quality
Tested in our own laboratory for compliance with European standards.
Solid housing
Made of pressed steel, zinc plated.
Resource-conserving part replacement
Threaded axles allow effortless wheel change.
Uninterrupted use
Swivel bearing with dust ring for continuous, uninterrupted movement.
Strong construction
Housing made of heavy steel for high load capacity.
Reliable traction
Traction-optimised treads for secure grip on wet and slippery floors.
Solid construction
Solid steel plate for maximum load capacity.
Non-marking movement
Wheels with reduced abrasion and little cleaning requirement.
Ergonomically friendly use
Wheels with optimised roll resistance to lighten the load for the user.
Optimised directional lock
Directional lock can be adjusted to your requirements to 2x180° or 4x90°.
Long-lasting surfaces
Extra high-quality galvanising for a long service life under harsh operating conditions.
Extra heavy duty construction
Welded solid steel construction for highest load capacity.
Heavy duty construction
Extra heavy steel housing for high load capacity.
Hardened double ball raceways
Two hardened double ball raceways guarantee exceptionalstability.
Flexible lock function
Use of two independent actuation systems in one castor.