Zum Hauptinhalt springen Zur Suche springen Zur Hauptnavigation springen
Willkommen auf unserer neu gestalteten Website!
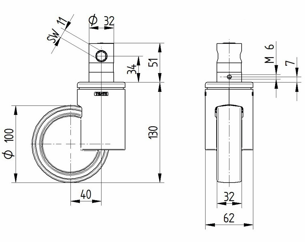
Die Integral smart ist eine Lenkrolle mit Zentral-, Total- oder Richtungsfeststeller, ausgestattet mit einem Zapfen mit segment-arretiertem Schaltnocken, kurz, wobei waschbare Betten vom Hersteller des Krankenhausbetts im Befestigungsbereich abgedichtet werden müssen. Das Gehäuse besteht aus Stahlblech, leicht, und verfügt über ein Präzisionskugellager als Schwenklager. Das Rad mit einem Durchmesser von 100 mm ist aus Polyamid gefertigt und besitzt eine Lauffläche aus gespritztem Polyurethan sowie ein abgedichtetes Präzisionskugellager. Die Gesamthöhe der Rolle beträgt 130 mm. Die dynamische Tragfähigkeit liegt bei 100 kg bei Geschwindigkeiten von 3 km/h und 100 kg bei 4 km/h, während die statische Tragfähigkeit 200 kg erreicht. Anwendungsbereiche umfassen Anästhesiewagen, C-Bögen, CT-Scanner, MRT, Röntgen, Dialysewagen, Krankenhausbetten, Krankenhäuser, Alten- und Pflegeheime sowie Ultraschallgeräte.
Rollenleistung
Bewegungsgeräusche
Attrition
Korrosionsbeständigkeit
Artikelnummern
Artikelnummer
1044UAX100R36-32 S35 RAL9002
EAN
4031582455526
Kernattribute
Zertifikat
Getestet und überwacht durch TÜV Süd
Typ
Lenkrolle mit Zentral-, Total- oder Richtungsfeststeller
Gesamtbreite
62 mm
Tragfähigkeit bei 3 km/h
100 kg
Tragfähigkeit bei 4 km/h
100 kg
Statische Tragfähigkeit
200 kg
Bauhöhe
130 mm
Temperaturbereich (Maximum)
80 °C
Temperaturbereich (Minimum)
-30 °C
Gesamtgewicht
0,88 kg
Produktname
Integral smart
Norm
ähnlich EN12531 - Krankenbettenrollen
Elektrisch-leitfähig
Rostfrei
Montage
Hinweis
Waschbare Betten müssen vom Hersteller des Krankenhausbetts im Befestigungsbereich abgedichtet werden.
Befestigungsart
Zapfen mit segment-arretiertem Schaltnocken, kurz
Zapfen Durchmesser
32 mm
Zapfenlänge
51 mm
Gehäuse
Farbe
Grauweiß (RAL9002)
Gabelform
Geschlossen
Material
Stahlblech, leicht
Schwenklager
Präzisionskugellager
Störkreis
180 mm
Ausladung
40 mm
Schwenkradius
90 mm
Rad
Härte der Lauffläche (D)
42 Shore D
Material des Radkörpers
Polyamid
Material der Lauffläche
Polyurethan, gespritzt
Breite der Lauffläche
32 mm
Durchmesser
100 mm
Fadenschutz
Integrierter Fadenschutz
Lager
Präzisionskugellager, abgedichtet
Griff-Set
Hinweis
Waschbare Betten müssen vom Hersteller des Krankenhausbetts im Befestigungsbereich abgedichtet werden.

IF Design Award

IF Design Award

Red Dot Design Award

Red Dot Design Award

special-features-image
Besondere Merkmale
Unbedenkliche Materialien
Entspricht RoHS und REACH. Enthält keine polyzyklischen aromatischen Kohlenwasserstoffe oder Chrom (VI)
Geprüfte Qualität
In unserem eigenen Labor geprüft auf Konformität mit europäischen Normen
Solides Gehäuse
Hergestellt aus gepresstem, verzinktem Stahl
Verhindert Wegrollen
Radfeststeller für manuelle Betätigung
Gesicherter Stand
Totalfeststeller für gleichzeitige Blockierung von Rad und Drehgehäuse
Benutzerfreundliche Zentralfeststellung
Gleichzeitige Blockierung mehrerer Rollen durch zentrale Betätigung
Ausgezeichnetes Design
Mit renommierten Preisen internationaler Jurys ausgezeichnet
Wartungsarme Räder
Fadenschutzkappen für ungestörten Betrieb bei minimalem Reinigungsaufwand
Spurenlose Bewegung
Räder mit reduziertem Abrieb und geringem Reinigungsbedarf
Rückenschonende Anwendung
Räder mit optimiertem Rollwiderstand zur Entlastung des Anwenders
Schützende Abdichtung
Räder mit abgedichteten Lagern zum Schutz vor Spritzwasser und Schmutz
Zertifizierte Sicherheit
TÜV Süd zertifizierter Leistungsstandard
Produktgalerie überspringen

Zubehör

Zubehör
Adapter
Adapter m. Gew. Stift

Das Zubehör für Rollen stellt eine essenzielle Ergänzungskomponente dar, die zur Optimierung und Funktionserweiterung von Rollensystemen entwickelt wurde. Mit einem Gewicht von 0,1 kg bietet dieses leichte Bauteil eine praktische Lösung für verschiedene Anwendungsbereiche in der Industrie und im gewerblichen Einsatz, wobei die geringe Masse eine einfache Handhabung und Installation ermöglicht.

Zubehör
Schalthebel
Schalthebel 24S45 o. Gew. Stift

Dieses Zubehör für Rollen stellt eine essenzielle Ergänzungskomponente dar, die zur Optimierung und Funktionserweiterung von Rollensystemen entwickelt wurde. Mit einem Gewicht von 0,12 kg bietet das Bauteil eine leichte und dennoch robuste Lösung für verschiedene Anwendungsbereiche. Die kompakte Bauweise ermöglicht eine einfache Integration in bestehende Rollenkonfigurationen.

Zubehör
Schalthebel
Schalthebel 28S45 m. Gew. Stift

Dieses Zubehör für Rollen stellt eine essenzielle Ergänzung für Rollensysteme dar und bietet mit seinem geringen Gewicht von 0,06 kg eine optimale Balance zwischen Funktionalität und minimaler Zusatzbelastung. Die kompakte Bauweise ermöglicht eine einfache Integration in bestehende Rollenkonfigurationen, während die präzise Gewichtsverteilung die Gesamtperformance des Rollensystems nicht beeinträchtigt.

Zubehör
Schalthebel
Schalthebel 65S45 m. Gew. Stift

Dieses Zubehör für Rollen stellt eine essenzielle Ergänzung für Rollensysteme dar und bietet mit seinem geringen Gewicht von 0,09 kg eine optimale Balance zwischen Funktionalität und Handhabung. Die kompakte Bauweise ermöglicht eine einfache Integration in bestehende Rollenkonstruktionen, während die präzise Fertigung eine zuverlässige Leistung gewährleistet.

Zubehör
Lagerbuchse
Lager Buchse m. Gew. Stift SW7/16in

Das Zubehör für Rollen stellt eine essenzielle Ergänzungskomponente dar, die zur Optimierung und Funktionserweiterung von Rollensystemen entwickelt wurde. Mit einem Gewicht von nur 0,04 kg bietet dieses leichte Bauteil eine praktische Lösung für verschiedene Anwendungsbereiche in der Industrie und im gewerblichen Einsatz, wobei die geringe Masse die Gesamtbelastung des Systems minimal beeinflusst.

Zubehör
Profilstange
Profilstahl 6kt-11x1000

Das Zubehör stellt eine essenzielle Ergänzungskomponente für Lenkrollen dar, die zur Optimierung der Funktionalität und Anpassung an spezifische Anwendungsanforderungen entwickelt wurde. Diese technische Komponente ermöglicht es Ingenieuren, bestehende Rollensysteme zu erweitern und deren Leistungsparameter gezielt zu modifizieren, um den jeweiligen Einsatzbedingungen gerecht zu werden.

Produktgalerie überspringen

Crossselling

Varianten
Lenkrolle mit Zentral-, Total- oder Richtungsfeststeller 150 mm
Lenkrolle mit Zentral-, Total- oder Richtungsfeststeller 150 mm
Integral
2044UAP150R36-32S30 D 9002

Die Integral Lenkrolle mit Zentral-, Total- oder Richtungsfeststeller ist mit einem Zapfen mit segment-arretiertem Schaltnocken, kurz ausgestattet. Das Gehäuse besteht aus Stahlblech, mittel und verfügt über ein Präzisionskugellager als Schwenklager. Das Rad kombiniert einen Radkörper aus Polyamid mit einer Lauffläche aus Polyurethan, gespritzt und ist mit einem Präzisionskugellager gelagert. Der Raddurchmesser beträgt 150 mm bei einer Gesamthöhe von 183 mm. Die dynamische Tragfähigkeit liegt bei 150 kg bei Geschwindigkeiten von 3 km/h bzw. 150 kg bei 4 km/h, während die statische Tragfähigkeit 450 kg erreicht. Typische Anwendungsbereiche umfassen Anästhesiewagen, C-Bögen, CT-Scanner, MRT, Röntgen, Pflegebetten, Dialysewagen, Krankenhausbetten, Krankenhäuser, Alten- und Pflegeheime, Krankentragen sowie Ultraschallgeräte.

150 mm
Mittlere Last
183 mm
150 mm
Mittlere Last
183 mm