Zum Hauptinhalt springen Zur Suche springen Zur Hauptnavigation springen
Willkommen auf unserer neu gestalteten Website!

CAD-Dateien

Die Kappa load ist eine Lenkrolle mit Totalfeststeller, vorlaufend, ausgestattet mit einer mittelgroßen rechteckigen Platte als Befestigung. Das Gehäuse besteht aus Schmiedeeisen, schwer, und verfügt über ein hochwertiges Axialrillen- und Kegelrollenlager als Schwenklager. Das Rad mit einem Durchmesser von 150 mm ist aus Polyamid, schwer gefertigt, wobei die Lauffläche identisch mit dem Radkörper ist und auf Präzisionskugellagern läuft. Die Gesamthöhe der Rolle beträgt 200 mm. Die dynamische Tragfähigkeit liegt bei 960 kg bei 4 km/h bzw. 800 kg bei 6 km/h, während die statische Tragfähigkeit 1600 kg erreicht. Einsatzgebiete umfassen Luft- und Raumfahrtindustrie, Flughafenausrüstung, AMR-Systeme, Automobil-OEM, Keramik- und Glashersteller, Produktions- und Plattformwagen sowie schwere AGV-Systeme.
Rollenleistung
Bewegungsgeräusche
Attrition
Korrosionsbeständigkeit
Artikelnummern
Artikelnummer
9652TOP150P63 CL67
EAN
4031582314922
S4-Materialnummer
990830409
Core attributes
Typ
Lenkrolle mit Totalfeststeller, vorlaufend
Gesamtbreite
116 mm
Tragfähigkeit bei 4 km/h
960 kg
Tragfähigkeit bei 6 km/h
800 kg
Statische Tragfähigkeit
1600 kg
Bauhöhe
200 mm
Temperaturbereich (Maximum)
80 °C
Temperaturbereich (Minimum)
-30 °C
Gesamtgewicht
4,34 kg
Produktname
Kappa load
Norm
EN12533 - Schwerlastrollen
Elektrisch-leitfähig
Rostfrei
Fitting
Befestigungsart
Mittelgroße rechteckige Platte
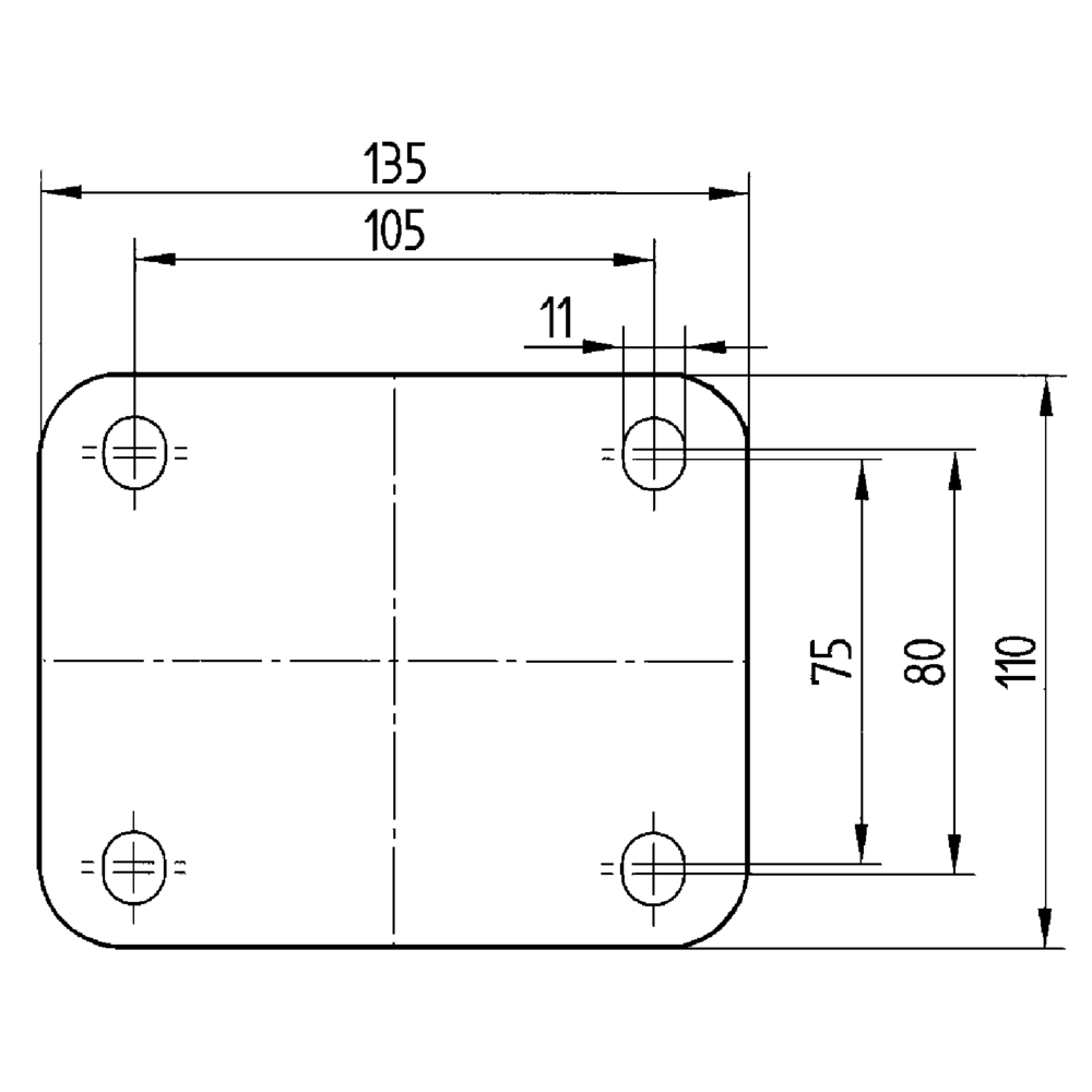
Plattenloch Durchmesser
11 mm
Plattenlochlänge (Maximum)
80 mm
Plattenlochlänge (Minimum)
75 mm
Plattenlochbreite (Maximum)
105 mm
Plattenlochbreite (Minimum)
75 mm
Plattenlänge
135 mm
Plattenbreite
110 mm
Housing
Farbe
Blaupassiviert
Gabelform
Bauchig, verstärkt
Material
Schmiedeeisen, schwer
Schwenklager
Axialrillen- und Kegelrollenlager
Dom Durchmesser
111 mm
Störkreis
275 mm
Ausladung
58 mm
Schwenkradius
137,5 mm
Wheel
Härte der Lauffläche (D)
75 Shore D
Material des Radkörpers
Polyamid, schwer
Material der Lauffläche
Identisch mit Radkörper
Breite der Lauffläche
50 mm
Durchmesser
150 mm
Breite des Radkörpers
50 mm
Fadenschutz
Ohne Fadenschutz
Achse
Verschraubt
Lager
Präzisionskugellager
Radfarbe
Natürliches Weiß
special-features-image
Besondere Merkmale
Unbedenkliche Materialien
Entspricht RoHS und REACH. Enthält keine polyzyklischen aromatischen Kohlenwasserstoffe oder Chrom (VI)
Geprüfte Qualität
In unserem eigenen Labor geprüft auf Konformität mit europäischen Normen
Solides Gehäuse
Hergestellt aus gepresstem, verzinktem Stahl
Verhindert Wegrollen
Radfeststeller für manuelle Betätigung
Gesicherter Stand
Totalfeststeller für gleichzeitige Blockierung von Rad und Drehgehäuse
Stabile Konstruktion
Gehäuse aus schwerem Stahl für hohe Tragfähigkeit
Verschleißfeste Räder
Langlebige Räder mit äußerst geringem Verschleiß
Produktgalerie überspringen

Zubehör

Rad 150 mm
Duratech
TOP 150x50-Ø20 HL60

Das Duratech Rad für Transportrollen verfügt über einen Durchmesser von 150 mm und eine Laufflächenbreite von 50 mm bei einer Nabenlänge von 60 mm. Der Radkörper besteht aus Polyamid, schwer, wobei das Laufflächenmaterial identisch mit dem Radkörper ist. Die Achsbohrung hat einen Durchmesser von 20 mm und ist mit einem Präzisionskugellager ausgestattet. Die statische Tragfähigkeit beträgt 1600 kg, während die dynamische Belastbarkeit 960 kg bei 4 km/h oder 800 kg bei 6 km/h erreicht.

150 mm
960 kg
150 mm
960 kg
Produktgalerie überspringen

Passende Produkte

Varianten
Lenkrolle 150 mm
Lenkrolle 150 mm
Kappa load
9650TOP150P63 CL67

Die Kappa load Lenkrolle ist mit einer mittelgroßen rechteckigen Platte als Befestigung ausgestattet. Das Gehäuse besteht aus Schmiedeeisen, schwer und verfügt über ein Axialrillen- und Kegelrollenlager als Schwenklager. Das Rad weist einen Radkörper aus Polyamid, schwer auf, wobei die Lauffläche identisch mit dem Radkörper ist und ein Präzisionskugellager für optimale Laufeigenschaften sorgt. Bei einem Raddurchmesser von 150 mm erreicht die Rolle eine Gesamthöhe von 200 mm. Die dynamische Tragfähigkeit beträgt 960 kg bei 4 km/h bzw. 800 kg bei 6 km/h, während die statische Tragfähigkeit 1600 kg erreicht. Die Rolle eignet sich für anspruchsvolle Anwendungen in der Luft- und Raumfahrtindustrie, Flughafenausrüstung, AMR-Systeme, Automobil-OEM, Keramik- und Glashersteller, Produktions- und Plattformwagen sowie schwere AGV-Systeme.

150 mm
200 mm
960 kg
150 mm
200 mm
960 kg
Varianten
Lenkrolle mit Richtungsfeststeller 150 mm
Lenkrolle mit Richtungsfeststeller 150 mm
Kappa load
9651TOP150P63 CL67

Die Kappa load ist eine Lenkrolle mit Richtungsfeststeller, ausgestattet mit einer mittelgroßen rechteckigen Platte als Befestigung. Das Gehäuse besteht aus Schmiedeeisen, schwer, und verfügt über ein Axialrillen- und Kegelrollenlager als Schwenklager für optimale Beweglichkeit. Das Rad mit einem Durchmesser von 150 mm ist aus Polyamid, schwer gefertigt, wobei die Lauffläche identisch mit dem Radkörper ist und ein Präzisionskugellager für reibungsarme Rotation sorgt. Die Gesamthöhe der Rolle beträgt 200 mm. Die dynamische Tragfähigkeit liegt bei 960 kg bei 4 km/h bzw. 800 kg bei 6 km/h Fahrgeschwindigkeit, während die statische Tragfähigkeit 1600 kg erreicht. Hauptanwendungsgebiete umfassen Luft- und Raumfahrtindustrie, Flughafenausrüstung, AMR-Systeme, Automobil-OEM, Keramik- und Glashersteller, Produktions- und Plattformwagen sowie schwere AGV-Systeme.

150 mm
200 mm
960 kg
150 mm
200 mm
960 kg
Produktgalerie überspringen

Passende Produkte

Varianten
Lenkrolle 150 mm
Lenkrolle 150 mm
Kappa load
9650TOP150P63 CL67

Die Kappa load Lenkrolle ist mit einer mittelgroßen rechteckigen Platte als Befestigung ausgestattet. Das Gehäuse besteht aus Schmiedeeisen, schwer und verfügt über ein Axialrillen- und Kegelrollenlager als Schwenklager. Das Rad weist einen Radkörper aus Polyamid, schwer auf, wobei die Lauffläche identisch mit dem Radkörper ist und ein Präzisionskugellager für optimale Laufeigenschaften sorgt. Bei einem Raddurchmesser von 150 mm erreicht die Rolle eine Gesamthöhe von 200 mm. Die dynamische Tragfähigkeit beträgt 960 kg bei 4 km/h bzw. 800 kg bei 6 km/h, während die statische Tragfähigkeit 1600 kg erreicht. Die Rolle eignet sich für anspruchsvolle Anwendungen in der Luft- und Raumfahrtindustrie, Flughafenausrüstung, AMR-Systeme, Automobil-OEM, Keramik- und Glashersteller, Produktions- und Plattformwagen sowie schwere AGV-Systeme.

150 mm
200 mm
960 kg
150 mm
200 mm
960 kg
Varianten
Lenkrolle mit Richtungsfeststeller 150 mm
Lenkrolle mit Richtungsfeststeller 150 mm
Kappa load
9651TOP150P63 CL67

Die Kappa load ist eine Lenkrolle mit Richtungsfeststeller, ausgestattet mit einer mittelgroßen rechteckigen Platte als Befestigung. Das Gehäuse besteht aus Schmiedeeisen, schwer, und verfügt über ein Axialrillen- und Kegelrollenlager als Schwenklager für optimale Beweglichkeit. Das Rad mit einem Durchmesser von 150 mm ist aus Polyamid, schwer gefertigt, wobei die Lauffläche identisch mit dem Radkörper ist und ein Präzisionskugellager für reibungsarme Rotation sorgt. Die Gesamthöhe der Rolle beträgt 200 mm. Die dynamische Tragfähigkeit liegt bei 960 kg bei 4 km/h bzw. 800 kg bei 6 km/h Fahrgeschwindigkeit, während die statische Tragfähigkeit 1600 kg erreicht. Hauptanwendungsgebiete umfassen Luft- und Raumfahrtindustrie, Flughafenausrüstung, AMR-Systeme, Automobil-OEM, Keramik- und Glashersteller, Produktions- und Plattformwagen sowie schwere AGV-Systeme.

150 mm
200 mm
960 kg
150 mm
200 mm
960 kg