Skip to main content Skip to search Skip to main navigation
Welcome to our newly redesigned website!

CAD files

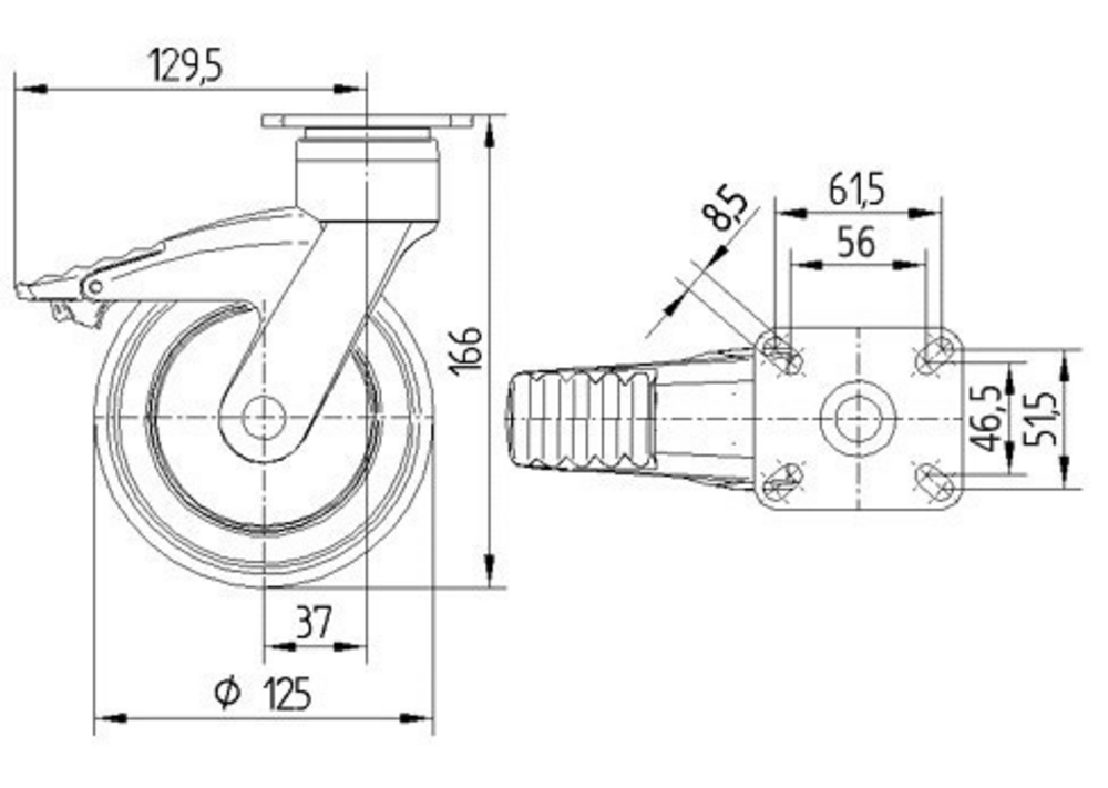
The ICS swivel castor with total lock features a rectangular plate fitting for secure mounting applications. The housing is constructed from durable polyamide material and incorporates a stem, swivelling design for smooth directional changes with total lock functionality. The wheel assembly consists of a polypropylene body fitted with a thermoplastic rubber tread for optimal floor protection and quiet operation, supported by precision ball bearings for enhanced durability and smooth rolling performance. The wheel measures 125 mm in diameter, whilst the overall height of the complete assembly is 166 mm. Load specifications include a dynamic capacity of 100 kg at speeds up to 3 km/h and a static load capacity of 200 kg, making this castor particularly suitable for care beds and similar healthcare equipment applications.
Roll performance
Movement noise
Attrition
Corrosion resistance
Article numbers
Article Number
5327PJP125P50
EAN
4031582367430
Core attributes
Type
Swivel castor with total lock
Load capacity at 3 km/h
100 kg
Load capacity Static
200 kg
Overall height
166 mm
Temperature range (Maximum)
40 °C
Temperature range (Minimum)
-10 °C
Overall weight
0.7 kg
Product name
ICS
Standard
EN12530 - Devices Castors
Electric conductive
Stainless
Fitting
Fitting type
Rectangular plate
Plate hole diameter
8.5 mm
Plate hole length (Maximum)
61.5 mm
Plate hole length (Minimum)
56 mm
Plate hole width (Maximum)
51.5 mm
Plate hole width (Minimum)
46.5 mm
Plate length
77 mm
Plate width
67 mm
Housing
Fork shape
Slim
Material fork
Polyamide
Swivel bearing
Stem, swiveling
Swivel interference
259 mm
Offset
38 mm
Wheel
Hardness of tread (A)
87 Shore A
Body material
Polypropylene
Tread material
Thermoplastic rubber
Tread width
32 mm
Diameter
125 mm
Threadguards
Integrated threadguard
Bearing
Precision ball bearing

IF Design Award

IF Design Award

special-features-image
Special Features
Non-hazardous materials
Complies with RoHS and REACH regulations. Does not contain polycyclic aromatic carbons or chromium (VI).
Tested quality
Tested in our own laboratory for compliance with European standards.
Prevents unintended movement
Wheel lock for manual operation
Secured stand
Total lock for simultaneously locking the wheel and swivel housing.
Colour matching
Colours can be adapted to match the product design
Award-winning design
Awarded with prestigious prizes by international juries.
Low-maintenance wheels
Thread guards for unobstructed operation with minimal cleaning effort.
Non-marking movement
Wheels with reduced abrasion and little cleaning requirement.