Skip to main content Skip to search Skip to main navigation
Welcome to our newly redesigned website!
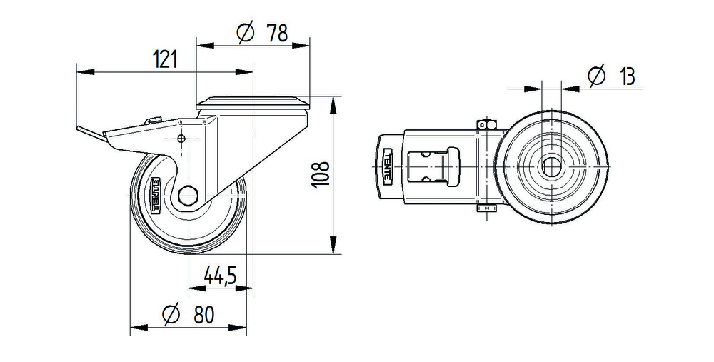
The Alpha stainless is a swivel castor with total lock featuring a bolt hole fitting for secure mounting applications. The housing is constructed from stainless steel, heavy grade material and incorporates two ball races for the swivel bearing mechanism, ensuring smooth directional movement and enhanced durability. The wheel comprises a polypropylene body with thermoplastic rubber tread material, providing excellent grip and floor protection, whilst utilising a plain bearing system for reliable rotation. The wheel diameter measures 80mm with an overall height of 108mm, making it suitable for medium-duty applications. Load specifications include a dynamic capacity of 80kg at speeds up to 4km/h and a static load capacity of 160kg. This castor is specifically designed for demanding environments including catering carts and meal delivery systems, container construction, electronic systems and clean-room technology, fire fighting technology and fire protection, machine construction, and transport equipment applications.
Roll performance
Movement noise
Attrition
Corrosion resistance
Article numbers
Article Number
8477PJO080P30-13
EAN
4031582441772
Core attributes
Type
Swivel castor with total lock
Load capacity at 4 km/h
80 kg
Load capacity Static
160 kg
Overall height
108 mm
Temperature range (Maximum)
80 °C
Temperature range (Minimum)
-40 °C
Overall weight
0.84 kg
Product name
Alpha stainless
Standard
EN12532 - Transport Equipment
Electric conductive
Stainless
Fitting
Fitting type
Bolt hole
Bolt hole diameter
13 mm
Housing
Fork shape
Broad
Material fork
Stainless steel, heavy
Swivel bearing
Two ball races
Swivel interference
242 mm
Offset
41 mm
Swivel radius
121 mm
Wheel
Hardness of tread (A)
87 Shore A
Body material
Polypropylene
Tread material
Thermoplastic rubber
Tread width
30 mm
Diameter
80 mm
Threadguards
Without threadguard
Axle
Screwed with nut
Bearing
Plain bearing
special-features-image
Special Features
Non-hazardous materials
Complies with RoHS and REACH regulations. Does not contain polycyclic aromatic carbons or chromium (VI).
Tested quality
Tested in our own laboratory for compliance with European standards.
Solid housing
Made of pressed steel, zinc plated.
Prevents unintended movement
Wheel lock for manual operation
Secured stand
Total lock for simultaneously locking the wheel and swivel housing.
Variable fitting options
Different fitting dimensions for a large range of applications.
Resource-conserving part replacement
Threaded axles allow effortless wheel change.
Uninterrupted use
Swivel bearing with dust ring for continuous, uninterrupted movement.
Non-marking movement
Wheels with reduced abrasion and little cleaning requirement.
Easy steering
Double ball bearing swivel head.
Permanent washability
All metal components made of stainless steel.
Low maintenance materials
All metal components made of Aluminum or rust-free stainless steel.
Skip product gallery

Accessories

Wheel 80 mm
Supratech
PJO080x30-Ø12 HL44

The Supratech Wheel features an 80mm diameter with a 30mm wide thermoplastic rubber tread and polypropylene body construction, incorporating a plain bearing system with a 12mm axle hole diameter and 44mm hub length. This wheel delivers a dynamic load capacity of 80kg at speeds up to 3km/h and a static load capacity of 160kg, making it suitable for demanding castor applications including roll cages, shopping trolleys, store fixtures and display units, tool cabinets, work benches, and various transport equipment.

80 mm
Light Duty | < 150 kg
80 mm
Light Duty | < 150 kg
Skip product gallery

Crossselling

Variants
Swivel castor 80 mm
Swivel castor 80 mm
Alpha stainless
8470PJO080P30-13

The Alpha stainless swivel castor features a bolt hole fitting for secure mounting applications. The housing is constructed from heavy stainless steel and incorporates two ball races for the swivel bearing mechanism, ensuring smooth directional movement and enhanced durability. The wheel comprises a polypropylene body with thermoplastic rubber tread material, providing excellent grip and floor protection, whilst utilising a plain bearing system for reliable rotation. The castor has an 80mm wheel diameter and an overall height of 108mm. Load specifications include a dynamic capacity of 80kg at speeds up to 4km/h and a static load capacity of 160kg. This castor is specifically designed for demanding applications including catering carts and meal delivery systems, container construction, electronic systems and clean-room technology, fire fighting technology and fire protection, machine construction, and transport equipment.

80 mm
Light Duty | < 150 kg
108 mm
80 mm
Light Duty | < 150 kg
108 mm