Skip to main content Skip to search Skip to main navigation
Welcome to our newly redesigned website!
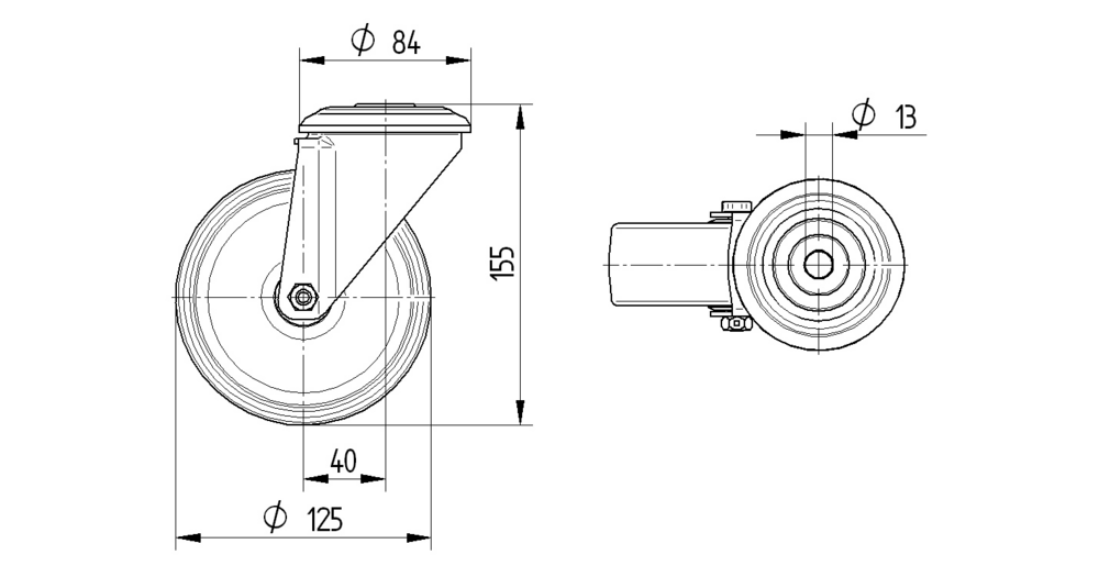
The Alpha stainless swivel castor features a bolt hole fitting for secure mounting applications. The housing is constructed from heavy stainless steel and incorporates two ball races for the swivel bearing mechanism, ensuring smooth directional movement and enhanced durability. The wheel comprises a polypropylene body with thermoplastic rubber tread material, providing excellent grip and floor protection, whilst utilising a plain bearing system for reliable rotation. The castor measures 155mm in overall height with a wheel diameter of 125mm. Load specifications include a dynamic capacity of 100kg at speeds up to 4km/h and a static load capacity of 200kg. This robust castor is specifically designed for demanding applications including catering carts and meal delivery systems, container construction, electronic systems and clean-room technology, fire fighting technology and fire protection, machine construction, and transport equipment.
Roll performance
Movement noise
Attrition
Corrosion resistance
Article numbers
Article Number
8470PJO125P30-13
EAN
4031582441765
Core attributes
Type
Swivel castor
Load capacity at 4 km/h
100 kg
Load capacity Static
200 kg
Overall height
155 mm
Temperature range (Maximum)
80 °C
Temperature range (Minimum)
-20 °C
Overall weight
0.93 kg
Product name
Alpha stainless
Standard
EN12532 - Transport Equipment
Electric conductive
Stainless
Fitting
Fitting type
Bolt hole
Bolt hole diameter
13 mm
Housing
Fork shape
Broad
Material fork
Stainless steel, heavy
Swivel bearing
Two ball races
Swivel interference
205 mm
Offset
40 mm
Swivel radius
102.5 mm
Wheel
Hardness of tread (A)
85 Shore A
Body material
Polypropylene
Tread material
Thermoplastic rubber
Tread width
32 mm
Diameter
125 mm
Threadguards
Without threadguard
Axle
Screwed with nut
Bearing
Plain bearing
special-features-image
Special Features
Non-hazardous materials
Complies with RoHS and REACH regulations. Does not contain polycyclic aromatic carbons or chromium (VI).
Tested quality
Tested in our own laboratory for compliance with European standards.
Solid housing
Made of pressed steel, zinc plated.
Variable fitting options
Different fitting dimensions for a large range of applications.
Resource-conserving part replacement
Threaded axles allow effortless wheel change.
Uninterrupted use
Swivel bearing with dust ring for continuous, uninterrupted movement.
Non-marking movement
Wheels with reduced abrasion and little cleaning requirement.
Easy steering
Double ball bearing swivel head.
Permanent washability
All metal components made of stainless steel.
Low maintenance materials
All metal components made of Aluminum or rust-free stainless steel.