Skip to main content Skip to search Skip to main navigation
Welcome to our newly redesigned website!
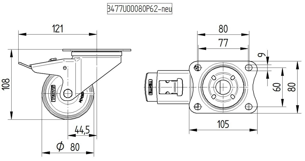
The Alpha swivel castor with total lock features a small rectangular plate fitting for secure mounting applications. The housing is constructed from heavy steel sheet and incorporates two ball races for the swivel bearing mechanism, ensuring smooth directional movement and reliable locking functionality. The wheel comprises a polypropylene body fitted with solid black rubber tread and plain bearing construction, providing a diameter of 80 mm for optimal manoeuvrability across various surfaces. With an overall height of 108 mm, this castor offers compact integration whilst maintaining robust performance characteristics. The dynamic load capacity reaches 70 kg at speeds up to 4 km/h, whilst the static load capacity extends to 140 kg, making it suitable for demanding industrial applications including automotive OEM, catering carts, container construction, electronic systems, fire fighting technology, machine construction, logistics systems, production trolleys, roll cages, tool cabinets, transport equipment, waste disposal systems, and work benches.
Roll performance
Movement noise
Attrition
Corrosion resistance
Article numbers
Article Number
3477PVO080P62
EAN
4031582305586
S4 Material Number
990028112
Core attributes
Type
Swivel castor with total lock
Overall width
75 mm
Load capacity at 4 km/h
70 kg
Load capacity Static
140 kg
Overall height
108 mm
Temperature range (Maximum)
60 °C
Temperature range (Minimum)
-20 °C
Overall weight
0.92 kg
Product name
Alpha
Standard
EN12532 - Transport Equipment
Electric conductive
Stainless
Fitting
Fitting type
Small rectangular plate
Plate hole diameter
9 mm
Plate hole length (Maximum)
60 mm
Plate hole length (Minimum)
77 mm
Plate hole width (Maximum)
80 mm
Plate hole width (Minimum)
77 mm
Plate length
105 mm
Plate width
80 mm
Housing
Colour
Blue passivated
Fork shape
Broad
Material fork
Steel sheet, heavy
Swivel bearing
Two ball races
Dome diameter
75 mm
Swivel interference
242 mm
Offset
44.5 mm
Swivel radius
121 mm
Wheel
Hardness of tread (A)
80 Shore A
Body material
Polypropylene
Tread material
Solid rubber, black
Tread width
35 mm
Diameter
80 mm
Body width
35 mm
Threadguards
Without threadguard
Axle
Screwed with nut
Bearing
Plain bearing
Wheel color
Graphite black (RAL9011)
special-features-image
Special Features
Non-hazardous materials
Complies with RoHS and REACH regulations. Does not contain polycyclic aromatic carbons or chromium (VI).
Tested quality
Tested in our own laboratory for compliance with European standards.
Solid housing
Made of pressed steel, zinc plated.
Prevents unintended movement
Wheel lock for manual operation
Secured stand
Total lock for simultaneously locking the wheel and swivel housing.
Variable fitting options
Different fitting dimensions for a large range of applications.
Resource-conserving part replacement
Threaded axles allow effortless wheel change.
Uninterrupted use
Swivel bearing with dust ring for continuous, uninterrupted movement.
Easy steering
Double ball bearing swivel head.
Skip product gallery

Matching Products

Variants
Swivel castor 80 mm
Swivel castor 80 mm
Alpha
3470PVO080P62

The Alpha swivel castor features a small rectangular plate fitting for secure mounting applications. The housing is constructed from heavy steel sheet and incorporates two ball races for the swivel bearing mechanism, ensuring smooth directional movement and enhanced durability. The wheel comprises a polypropylene body with solid black rubber tread material, mounted on a plain bearing system, and measures 80mm in diameter for optimal manoeuvrability. The castor has an overall height of 108mm, making it suitable for various industrial applications. Load specifications include a dynamic capacity of 70kg at speeds up to 4km/h and a static load capacity of 140kg, providing reliable performance for automotive OEM, catering carts and meal delivery systems, container construction, electronic systems and clean-room technology, fire fighting technology and fire protection, machine construction, post logistic systems, production and platform trolleys, roll cages, tool cabinets, transport equipment, waste disposal equipment, and work benches.

80 mm
108 mm
70 kg
80 mm
108 mm
70 kg
Variants
Fixed castor 80 mm
Fixed castor 80 mm
Alpha
3478PVO080P62

The Alpha fixed castor features a small rectangular plate fitting for secure mounting applications. The housing is constructed from heavy steel sheet material, providing robust durability and structural integrity for demanding industrial environments. The wheel incorporates a polypropylene body with solid black rubber tread material, mounted on a plain bearing system for smooth operation. With an 80 mm wheel diameter, the castor achieves an overall height of 108 mm. Load specifications include a dynamic capacity of 70 kg at speeds up to 4 km/h and a static load capacity of 140 kg. This castor is engineered for diverse applications including automotive OEM, catering carts and meal delivery systems, container construction, electronic systems and clean-room technology, fire fighting technology and fire protection, machine construction, post logistic systems, production and platform trolleys, roll cages, tool cabinets, transport equipment, waste disposal equipment, and work benches.

80 mm
108 mm
70 kg
80 mm
108 mm
70 kg
Skip product gallery

Matching Products

Variants
Swivel castor 80 mm
Swivel castor 80 mm
Alpha
3470PVO080P62

The Alpha swivel castor features a small rectangular plate fitting for secure mounting applications. The housing is constructed from heavy steel sheet and incorporates two ball races for the swivel bearing mechanism, ensuring smooth directional movement and enhanced durability. The wheel comprises a polypropylene body with solid black rubber tread material, mounted on a plain bearing system, and measures 80mm in diameter for optimal manoeuvrability. The castor has an overall height of 108mm, making it suitable for various industrial applications. Load specifications include a dynamic capacity of 70kg at speeds up to 4km/h and a static load capacity of 140kg, providing reliable performance for automotive OEM, catering carts and meal delivery systems, container construction, electronic systems and clean-room technology, fire fighting technology and fire protection, machine construction, post logistic systems, production and platform trolleys, roll cages, tool cabinets, transport equipment, waste disposal equipment, and work benches.

80 mm
108 mm
70 kg
80 mm
108 mm
70 kg
Variants
Fixed castor 80 mm
Fixed castor 80 mm
Alpha
3478PVO080P62

The Alpha fixed castor features a small rectangular plate fitting for secure mounting applications. The housing is constructed from heavy steel sheet material, providing robust durability and structural integrity for demanding industrial environments. The wheel incorporates a polypropylene body with solid black rubber tread material, mounted on a plain bearing system for smooth operation. With an 80 mm wheel diameter, the castor achieves an overall height of 108 mm. Load specifications include a dynamic capacity of 70 kg at speeds up to 4 km/h and a static load capacity of 140 kg. This castor is engineered for diverse applications including automotive OEM, catering carts and meal delivery systems, container construction, electronic systems and clean-room technology, fire fighting technology and fire protection, machine construction, post logistic systems, production and platform trolleys, roll cages, tool cabinets, transport equipment, waste disposal equipment, and work benches.

80 mm
108 mm
70 kg
80 mm
108 mm
70 kg