Swivel castor with total lock 100 mm
Agila
EAN:
4031582326017
Product number:
2477DIK100R47-24-27
- Non-hazardous materials
- Tested quality
- Variable fitting options
The Agila is a swivel castor with total lock designed for industrial applications. The fitting features a synthetic expander wit...
Details
Custom or high volume? Request a quote now.
CAD files
You can download construction data for this product.
Data sheets
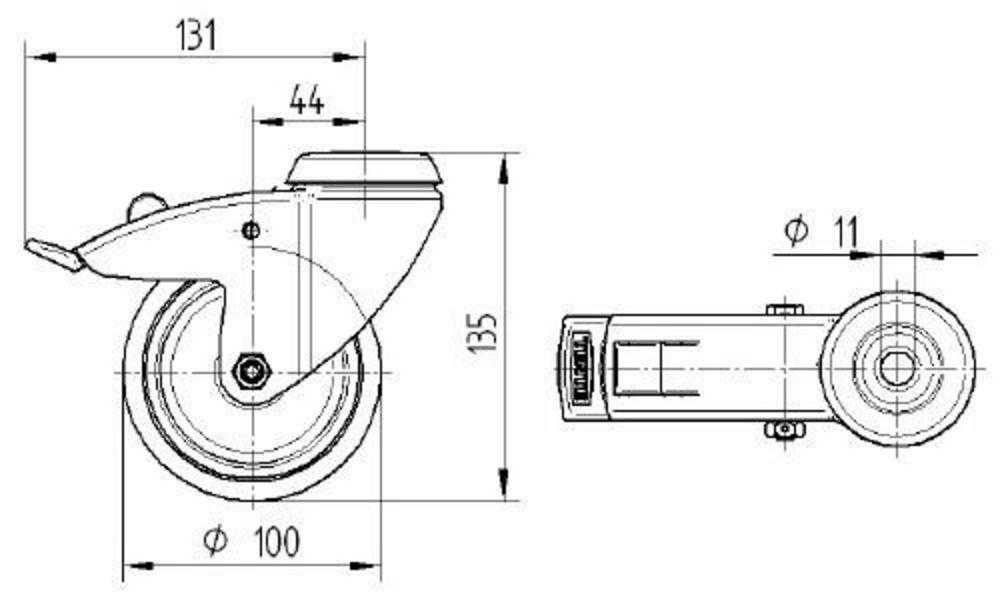
The Agila is a swivel castor with total lock designed for industrial applications. The fitting features a synthetic expander with square configuration, requiring specification of the tube inner diameter when ordering. The housing is constructed from medium-grade steel sheet and incorporates two ball races for the swivel bearing mechanism, ensuring smooth directional movement and reliable locking functionality. The wheel assembly comprises a sheet steel body fitted with solid rubber tread material that is non-marking, making it suitable for floor-sensitive environments. The wheel operates on a cone ball bearing system and measures 100mm in diameter. The overall height of the complete castor assembly is 138mm. Load specifications include a dynamic capacity of 80kg at speeds up to 3km/h and a static load capacity of 160kg, providing robust performance for medium-duty mobile equipment applications.
Roll performance
Movement noise
Attrition
Corrosion resistance
Article numbers
Core attributes
Fitting
Housing
Wheel
Handle Set
Special Features
Non-hazardous materials
Complies with RoHS and REACH regulations. Does not contain polycyclic aromatic carbons or chromium (VI).
Tested quality
Tested in our own laboratory for compliance with European standards.
Solid housing
Made of pressed steel, zinc plated.
Prevents unintended movement
Wheel lock for manual operation
Secured stand
Total lock for simultaneously locking the wheel and swivel housing.
Variable fitting options
Different fitting dimensions for a large range of applications.
Resource-conserving part replacement
Threaded axles allow effortless wheel change.
Low-maintenance wheels
Thread guards for unobstructed operation with minimal cleaning effort.
Non-marking movement
Wheels with reduced abrasion and little cleaning requirement.
Easy steering
Double ball bearing swivel head.