Skip to main content Skip to search Skip to main navigation
Welcome to our newly redesigned website!
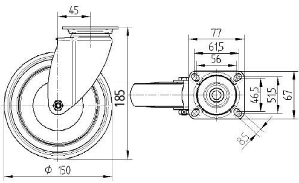
The Agila swivel castor features a rectangular plate fitting for secure mounting to equipment bases. The housing is constructed from medium steel sheet and incorporates two ball races for the swivel bearing mechanism, ensuring smooth 360-degree rotation under load. The wheel comprises a sheet steel body fitted with a solid rubber, non-marking tread that provides excellent floor protection and quiet operation, whilst the cone ball bearing system delivers reliable performance and extended service life. With a wheel diameter of 150mm, the castor has an overall height of 185mm. Load capacity specifications include a dynamic rating of 100kg at speeds up to 3km/h and a static load capacity of 200kg, making it suitable for applications including care beds, catering carts and meal delivery systems, hospitals, nursing and retirement homes, professional cleaning carts, and store fixtures and display equipment.
Roll performance
Movement noise
Attrition
Corrosion resistance
Article numbers
Article Number
2470DIK150P50
EAN
4031582010381
S4 Material Number
990030011
Core attributes
Type
Swivel castor
Overall width
60 mm
Load capacity at 3 km/h
100 kg
Load capacity Static
200 kg
Overall height
185 mm
Temperature range (Maximum)
85 °C
Temperature range (Minimum)
-20 °C
Overall weight
1.41 kg
Product name
Agila
Standard
EN12530 - Devices Castors
Electric conductive
Stainless
Fitting
Fitting type
Rectangular plate
Plate hole diameter
8.5 mm
Plate hole length (Maximum)
51.5 mm
Plate hole length (Minimum)
46.5 mm
Plate hole width (Maximum)
61.5 mm
Plate hole width (Minimum)
56 mm
Plate length
77 mm
Plate width
67 mm
Housing
Colour
Blue passivated
Fork shape
Broad
Material fork
Steel sheet, medium
Swivel bearing
Two ball races
Dome diameter
60 mm
Swivel interference
240 mm
Offset
45 mm
Swivel radius
120 mm
Wheel
Hardness of tread (A)
80 Shore A
Body material
Sheet Steel
Tread material
Solid rubber, non-marking
Tread width
32 mm
Diameter
150 mm
Body width
32 mm
Threadguards
With threadguard
Bearing
Cone ball bearing
Wheel color
Blue passivated
special-features-image
Special Features
Non-hazardous materials
Complies with RoHS and REACH regulations. Does not contain polycyclic aromatic carbons or chromium (VI).
Tested quality
Tested in our own laboratory for compliance with European standards.
Solid housing
Made of pressed steel, zinc plated.
Variable fitting options
Different fitting dimensions for a large range of applications.
Resource-conserving part replacement
Threaded axles allow effortless wheel change.
Low-maintenance wheels
Thread guards for unobstructed operation with minimal cleaning effort.
Non-marking movement
Wheels with reduced abrasion and little cleaning requirement.
Easy steering
Double ball bearing swivel head.
Skip product gallery

Accessories

Wheel 125 mm
Puretech
DIK 125x32-Ø8,1

The Puretech wheel is engineered with a sheet steel body and features a 125 mm diameter with a 32 mm wide solid rubber, non-marking tread for optimal floor protection. The wheel incorporates a cone ball bearing system with an 8 mm axle hole diameter and 36 mm hub length for reliable operation. Load specifications include a dynamic capacity of 100 kg at speeds up to 3 km/h and a static load capacity of 200 kg, making it suitable for medium-duty industrial castor applications.

125 mm
100 kg
125 mm
100 kg
Skip product gallery

Matching Products

Variants
Swivel castor with directional lock 150 mm
Swivel castor with directional lock 150 mm
Agila
2471DIK150P50

The Agila swivel castor with directional lock features a rectangular plate fitting for secure mounting applications. The housing is constructed from medium steel sheet and incorporates two ball races for the swivel bearing mechanism, ensuring smooth directional movement and reliable locking functionality. The wheel assembly comprises a sheet steel body fitted with solid rubber, non-marking tread material that provides excellent floor protection and quiet operation, whilst the cone ball bearing system delivers superior rolling performance and durability. The castor has a wheel diameter of 150 mm and an overall height of 185 mm, making it suitable for medium-duty applications. Load capacity specifications include a dynamic rating of 100 kg at speeds up to 3 km/h and a static load capacity of 200 kg, making it ideal for care beds, catering carts and meal delivery systems, hospitals, nursing and retirement homes, professional cleaning carts, and store fixtures and display equipment.

150 mm
185 mm
100 kg
150 mm
185 mm
100 kg
Variants
Swivel castor with total lock 150 mm
Swivel castor with total lock 150 mm
Agila
2477DIK150P50

The Agila swivel castor with total lock features a rectangular plate fitting for secure mounting to equipment bases. The housing is constructed from medium steel sheet and incorporates two ball races for the swivel bearing mechanism, ensuring smooth directional movement and reliable locking functionality. The wheel comprises a sheet steel body fitted with solid rubber, non-marking tread material that provides excellent floor protection and quiet operation, whilst the cone ball bearing system delivers smooth rolling performance. With a wheel diameter of 150 mm, the castor achieves an overall height of 185 mm. Load capacity specifications include a dynamic rating of 100 kg at speeds up to 3 km/h and a static load capacity of 200 kg, making it suitable for demanding applications including care beds, catering carts and meal delivery systems, hospitals, nursing and retirement homes, professional cleaning carts, and store fixtures and display equipment.

150 mm
185 mm
100 kg
150 mm
185 mm
100 kg
Variants
Fixed castor 150 mm
Fixed castor 150 mm
Agila
2478DIK150P50

The Agila fixed castor features a rectangular plate fitting for secure mounting applications. The housing is constructed from steel sheet, medium grade, providing robust structural integrity for demanding environments. The wheel incorporates a sheet steel body with solid rubber, non-marking tread material, ensuring floor protection whilst maintaining excellent grip and durability. The wheel operates on cone ball bearings for smooth rotation and extended service life. With a wheel diameter of 150 mm, the castor achieves an overall height of 185 mm. Load specifications include a dynamic capacity of 100 kg at speeds up to 3 km/h and a static load capacity of 200 kg. This castor is specifically designed for applications including care beds, catering carts and meal delivery systems, hospitals, nursing and retirement homes, professional cleaning carts, and store fixtures and display equipment.

150 mm
185 mm
100 kg
150 mm
185 mm
100 kg
Skip product gallery

Matching Products

Variants
Swivel castor with directional lock 150 mm
Swivel castor with directional lock 150 mm
Agila
2471DIK150P50

The Agila swivel castor with directional lock features a rectangular plate fitting for secure mounting applications. The housing is constructed from medium steel sheet and incorporates two ball races for the swivel bearing mechanism, ensuring smooth directional movement and reliable locking functionality. The wheel assembly comprises a sheet steel body fitted with solid rubber, non-marking tread material that provides excellent floor protection and quiet operation, whilst the cone ball bearing system delivers superior rolling performance and durability. The castor has a wheel diameter of 150 mm and an overall height of 185 mm, making it suitable for medium-duty applications. Load capacity specifications include a dynamic rating of 100 kg at speeds up to 3 km/h and a static load capacity of 200 kg, making it ideal for care beds, catering carts and meal delivery systems, hospitals, nursing and retirement homes, professional cleaning carts, and store fixtures and display equipment.

150 mm
185 mm
100 kg
150 mm
185 mm
100 kg
Variants
Swivel castor with total lock 150 mm
Swivel castor with total lock 150 mm
Agila
2477DIK150P50

The Agila swivel castor with total lock features a rectangular plate fitting for secure mounting to equipment bases. The housing is constructed from medium steel sheet and incorporates two ball races for the swivel bearing mechanism, ensuring smooth directional movement and reliable locking functionality. The wheel comprises a sheet steel body fitted with solid rubber, non-marking tread material that provides excellent floor protection and quiet operation, whilst the cone ball bearing system delivers smooth rolling performance. With a wheel diameter of 150 mm, the castor achieves an overall height of 185 mm. Load capacity specifications include a dynamic rating of 100 kg at speeds up to 3 km/h and a static load capacity of 200 kg, making it suitable for demanding applications including care beds, catering carts and meal delivery systems, hospitals, nursing and retirement homes, professional cleaning carts, and store fixtures and display equipment.

150 mm
185 mm
100 kg
150 mm
185 mm
100 kg
Variants
Fixed castor 150 mm
Fixed castor 150 mm
Agila
2478DIK150P50

The Agila fixed castor features a rectangular plate fitting for secure mounting applications. The housing is constructed from steel sheet, medium grade, providing robust structural integrity for demanding environments. The wheel incorporates a sheet steel body with solid rubber, non-marking tread material, ensuring floor protection whilst maintaining excellent grip and durability. The wheel operates on cone ball bearings for smooth rotation and extended service life. With a wheel diameter of 150 mm, the castor achieves an overall height of 185 mm. Load specifications include a dynamic capacity of 100 kg at speeds up to 3 km/h and a static load capacity of 200 kg. This castor is specifically designed for applications including care beds, catering carts and meal delivery systems, hospitals, nursing and retirement homes, professional cleaning carts, and store fixtures and display equipment.

150 mm
185 mm
100 kg
150 mm
185 mm
100 kg