Zum Hauptinhalt springen Zur Suche springen Zur Hauptnavigation springen
Willkommen auf unserer neu gestalteten Website!

CAD-Dateien

Die Agila twin ist eine Lenkrolle mit Zentral-, Rad- oder Totalfeststeller, die mit einer rechteckigen Platte mit Bremselementen ausgestattet ist. Das Gehäuse besteht aus mittlerem Stahlblech und verfügt über ein zweireihiges Kugelbahn-Schwenklager für optimale Beweglichkeit. Das Rad kombiniert einen Polyamid-Radkörper mit einer gespritzten Polyurethan-Lauffläche und ist mit rostfreien Konuskugellagern ausgestattet, wobei der Raddurchmesser 75 mm beträgt. Die Gesamthöhe der Rolle beläuft sich auf 103 mm. Die dynamische Tragfähigkeit liegt bei 100 kg bei einer Geschwindigkeit von 3 km/h, während die statische Belastbarkeit 200 kg erreicht. Diese Rolle eignet sich besonders für Pflegebetten, Speisewagen & Mahlzeitenauslieferungssysteme, Bordtrolleys sowie Ladeneinrichtungen und Displays.
Rollenleistung
Bewegungsgeräusche
Attrition
Korrosionsbeständigkeit
Artikelnummern
Artikelnummer
2976UAE075P54
EAN
4031582302882
Core attributes
Typ
Lenkrolle mit Zentral-, Rad- oder Totalfeststeller
Tragfähigkeit bei 3 km/h
100 kg
Statische Tragfähigkeit
200 kg
Bauhöhe
103 mm
Temperaturbereich (Maximum)
60 °C
Temperaturbereich (Minimum)
-20 °C
Gesamtgewicht
0,67 kg
Produktname
Agila twin
Norm
EN12530 - Geräterollen
Elektrisch-leitfähig
Rostfrei
Fitting
Befestigungsart
Rechteckige Platte mit Bremselementen
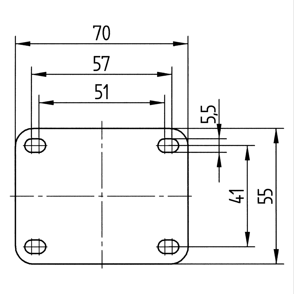
Plattenloch Durchmesser
5,5 mm
Plattenlochlänge (Maximum)
57 mm
Plattenlochlänge (Minimum)
51 mm
Plattenlochbreite (Maximum)
41 mm
Plattenlänge
70 mm
Plattenbreite
55 mm
Housing
Gabelform
Doppelrollen-Gehäuse
Material
Stahlblech, mittel
Schwenklager
Kugelbahn, zweireihig
Störkreis
131 mm
Ausladung
28 mm
Schwenkradius
65,5 mm
Wheel
Härte der Lauffläche (D)
42 Shore D
Material des Radkörpers
Polyamid
Material der Lauffläche
Polyurethan, gespritzt
Breite der Lauffläche
25 mm
Durchmesser
75 mm
Lager
Konuskugellager, Rostfrei
special-features-image
Besondere Merkmale
Unbedenkliche Materialien
Entspricht RoHS und REACH. Enthält keine polyzyklischen aromatischen Kohlenwasserstoffe oder Chrom (VI)
Geprüfte Qualität
In unserem eigenen Labor geprüft auf Konformität mit europäischen Normen
Solides Gehäuse
Hergestellt aus gepresstem, verzinktem Stahl
Verhindert Wegrollen
Radfeststeller für manuelle Betätigung
Benutzerfreundliche Zentralfeststellung
Gleichzeitige Blockierung mehrerer Rollen durch zentrale Betätigung
Spurenlose Bewegung
Räder mit reduziertem Abrieb und geringem Reinigungsbedarf
Leichte Lenkbarkeit
Drehkopf mit zweireihigem Kugellager
Optimierte Manövrierbarkeit
Zwillingsrolle mit hoher Manövrierfähigkeit durch Differenzialeffekt
Bodenschonende Lastverteilung
Zwei Räder verteilen die Last und minimieren Bodeneindrücke